QCA9377经典封装带Ipex座11ac标准单通道双频率WiFi模块
0赞2020年下半年元器件基本是紧缺缺缺缺缺缺缺!一些物料没有交期,要么到期跳票!QCA9377经典封装可以兼容替代升级,算是行业的福音!
模块硬件特性主要如下:
方案:QCA9377;
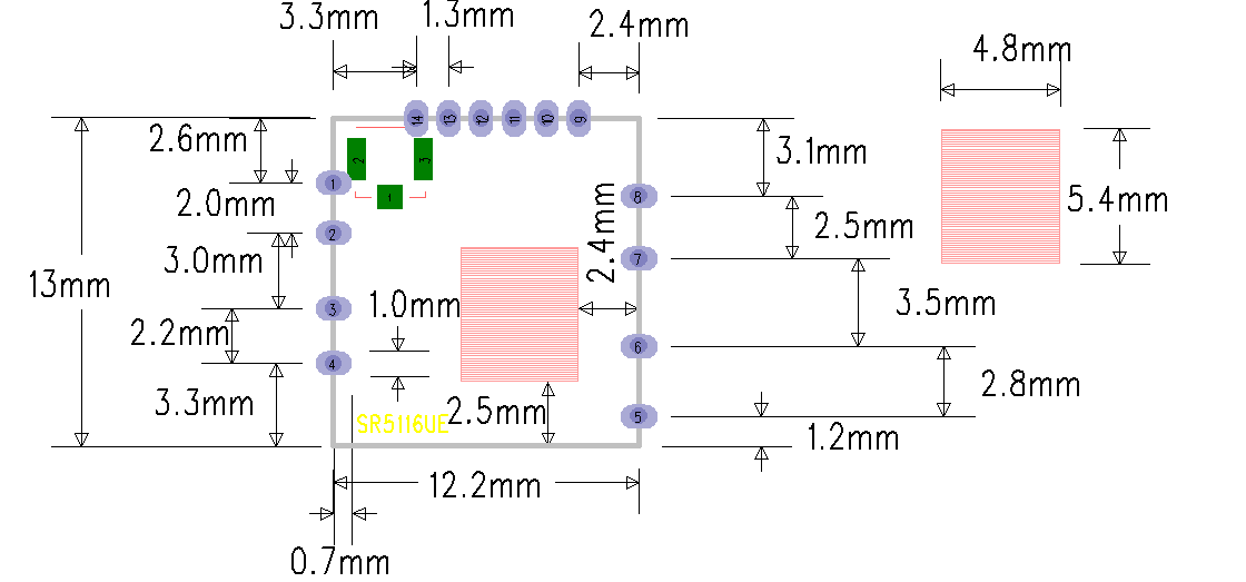
尺寸:12.9x12.2x3.0mm;
封装:LGA6
标准:IEEE802.11a/b/g/n;
频段:ISM2.4G(2.400GHz~2.483GHz @China/Europe/USA)、(2.400GHz~2.497GHz @Japan)、ISM5G(5.150GHz~5.845GHz);
信道:China@13(1~13)、USA/Canada@11(1~11)、Major Europe Countries@13(1~13)、France@4(10~13)、Japan@14 for 802.11b(1~13 or 14th), 13 for 802.11g(1~13);
速率:433Mbps@5.8GMHz、150Mbps@2.4GMHz;
接口:USB2.0;
供电:DC 3V3(3~3.6)@800mA;
功耗:待机50mA HT40@15dBm,发射状态135~330mA HT40@15dBm,接收状态101mA HT40@15dBm;
天线:Ipex外接;
模式:STA或AP;
加密:WEP 64/128/152-bit,WPA,WPA2,TKIP,AES,WAPI;
调制:DSSS with CCK,DQPSK,DBPSK,OFDM with BPSK,QPSK,16QAM,64QAM;
系统:Windows/Android/Linux;
温度: -30℃~75℃;
兼容:RTL8188系列、MT7610UN、RTL8192EU、RTL8723、RTL8811、RTL8821CU等方案
模块除了硬件外,需要保障正常工作,必须要有对应的软件驱动,有平台信息,提供对应驱动资料!
以上观点由纳拓科技独家提供,请勿随意编辑、剪切转用!对资料请邮件szttit@163.com索取!

