ADI新型SPI数字隔离器系列ADuM315x提供6倍以上时钟速率
0赞全球领先的高性能信号处理技术解决方案供应商ADI公司最近推出了专为串行外设接口(SPI)通信系统而优化的新型数字隔离器系列ADuM315x SPIsolator™,ADI公司接口和iCoupler®数字隔离器组的应用工程师叶健对该系列产品做了详细介绍。
ADI公司接口和iCoupler®数字隔离器组的应用工程师叶健
自2001年发布第一个单通道iCoupler® 数字隔离器,ADI公司陆续发布了集成了多通道的数字隔离器、RS485高集成度的隔离器、DC/DC隔离电源、隔离ADC、隔离AFE以及隔离Driver等,ADI的隔离器件在市场上大概销售了超过10亿个通道,至今没有出现因安全问题导致隔离带被击穿的现象,可靠性很高。
这次推出的新款隔离SPI,是SPI通信专用的隔离器件。该系列主要分为三大类,分别是ADuM3154、ADuM3150和ADuM3151/2/3,内部集成了不同的功能。ADuM315x数字隔离器系列以ADI iCoupler® 数字隔离器技术为基础,最高支持40 MHz SPI时钟速率,比基于竞争光电耦合器或数字隔离器的解决方案快6倍以上,尺寸小80%以上,成本低85%。
ADuM315x系列采用SSOP 20引脚的小型封装,隔离强度能够达到3.75 kVrms;有多个从机控制选项;SPI时钟速率高达40 MHz,即数据速率高达80 Mb/s;其低传播延时是高速的重要保证;芯片能够达到125 ℃的工作范围,完全覆盖市场上一般的工业应用。ADuM315x系列支持众多高速率、SPI通信应用,包括工业自动化、仪表设备和电机控制中使用的分布式控制系统、可编程逻辑控制器和传感器监控器。“这款产品的应用领域主要集中在工业上的PLC以及汽车里的一些控制,对于传感器的监控方面,如仪器仪表、电器等方面,只要涉及到SPI需要隔离的应用都可以采用这款产品。而且这款产品兼容低速和高速,从而可以为客户提供诸多便捷。”叶健先生详细说道。
新型数字隔离器还支持ADI 12位、16位和18位精密ADC的最大采样速率。该系列的隔离额定值为3.75 kVrms,2014年将推出额定值为5 kVrms的SPIsolator器件。
对于安全性,叶健先生说道:“ADI iCoupler超过10亿个通道已经投入应用,而且都经过了UL、CSA、VDE监管认证,至今没有出现一个故障。现在有几个产品已经拿到了中国的CQC认证,所以它的安全性能是完全得到保障的。”
相比光耦合器解决方案,ADI新型SPI隔离器解决方案将所需元件数从33个减少到3个,一个SPI隔离器加两个电容即可实现。其更快的SPI时钟速率有助于提高数据采集系统的吞吐量,提供更高的性能和更短的系统响应时间。并且在单个封装中集成了通常所需的低速状态和控制信号,从而为系统设计师提供了一种简单的高速SPI信号隔离解决方案。同时,面积得到了极大的缩小,成本只需光耦合器解决方案的近1/6。
从光耦合器升级到SPIsolator
与基于数字隔离+光耦合解决方案相比,高度集成的ADuM315x能够将系统设计中所需元件数量从18个减少至3个,成本只需一半左右。
从数字隔离器升级到SPIsolator
由于SPI属于双向通信,信号延迟是限制隔离器件SPI速度提升的主要原因。为了使ADuM315x系列达到40MHz SPI时钟速率,ADI在ADuM3150芯片设计中加入了延迟输出时钟。ADuM3150支持器件主机侧的延迟输出时钟,可搭配主机上的额外通用端口以支持最高40 MHz的时钟速率。“在设计中将SCLK信号先传输到延迟输出时钟,再传至MCU上,从而可以给MISO提供整个链路的时钟以实现高速SPI传输。但这种做需要额外集成MCU寄存器,会多出一个标准SPI端口或GPIO+移位寄存器。目前市场上最快的SPI隔离系统主要采用分立器件实现此功能,需要单独调试,而ADI的SPI数字隔离器已经集成了延迟输出时钟,并预先做好了出厂校准,可以直接供客户使用。”叶健先生说道。
ADuM3150 SPI数字隔离器
ADuM3151、ADuM3152和ADuM3153提供采用不同配置的4个高速通道和3个额外的独立、低数据速率通道,可以提供低速的信号检测,更符合市场需求。此外,ADuM3154可以同时控制4个Slave设备,只需要两个引脚,节约了一个MCU的GPIO。

ADuM3151/2/3 SPI数字隔离器
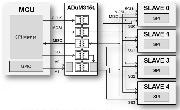
ADuM3154数字隔离器提供从机选择多路复用系统,用一个隔离器最多可以维护4个从机器件。

ADuM3154 SPI数字隔离器
ADuM315x系列是ADI 6月份推出的新产品,其iCoupler技术与CMOS工艺相兼容,可以把一些电路的功能(比如SPI、USB等)集成进去。“由于采用片上的Transformer进行传输,Transformer中间有20 um的隔离材料,即聚酰亚胺的隔离材料, 20微米的此材料隔离强度有大概8 000 V/min,我们通常把它用在5 000Vrms隔离强度的应用上。因为聚酰亚胺是比较柔性的材料,可以做得比较厚,其实我们的隔离强度还能达到更高,比如把聚酰亚胺加厚到30 um以上。”赵天挺先生分析道。
隔离器市场是一个分散的市场,适用于汽车可以用、医疗、工业里大多数应用,不同的产品适合不同的具体应用。随着技术的发展和应用的深入,隔离器也在向低功耗、小体积、密集型方向发展。总体来说,新兴应用的隔离需要更高的隔离电压、高带宽隔离、更高的传输速度以及更多样化的接口和集成功能,在绝缘材料、制造工艺、数据传输方法等上的优势将给隔离器产品带来更佳的性能。
