【无线】【原创】GPRS/GSM硬件全解密
0赞最近忙疯了,今天就写写GPRS/GSM硬件设计分析,这个曾经很火很神秘的设备----手机,也就是通常说的SIM300.
SIM300 是小体积即插即用模组中完善的三频/四频* GSM/GPRS 解决方案使用工业标准界面,使得具备GSM/GPRS 900/1800/1900MHz 功能的SIM300C 以小尺寸和低功耗实现语音、SMS、数据和传真信息的高速传输。
SIM300 的优良性能让它应用于许多方面,例如WLL、M2M、手持设备等等。三频/四频GSM/GPRS 模块,外形尺寸40x33x2.85mm,可以支持用户定制的MMI 和键盘/LCD 内嵌强大的TCP/IP 协议栈基于成熟可靠的技术平台,我们的无线通讯模块的技术支持将为您提供从产品定义到设计和生产的全程服务。
基本特点:
三频GSM/GPRS 900/ 1800/ 1900 MH 或四频850/900/1800/1900MHz* GPRS (class 10) 标准
GPRS(class B)满足GSM(2/2+)标准- Class 4(2W@850/900MHz)- Class 1 (1 W @1800/1900MHz)
尺寸:40 mm x 33 mm x 2.85mm
重量:8g
通过AT 命令控制(GSM07.07,07.05 和增强AT 命令) SIM 应用工具包支持电压范围3.4...4.5V 低功耗。
正常操作温度:-20 °C to +55 °C
限制操作温度:-25 °C to -20 °C和+55 °C to +70 °C
存储温度:-40 °C to +80 °C
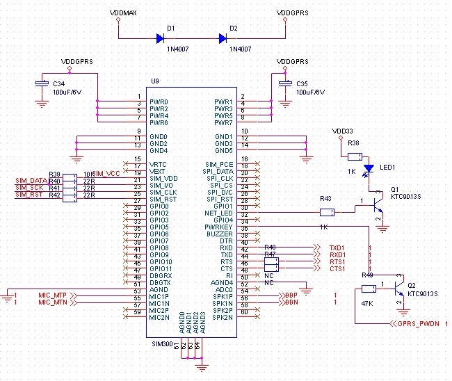
原理图设计如下:
分别是:
1、电源设计,因为GPRS 或GSM 发射时需要很大的电流,在设计上应当最大能提供到1.2A,在设计中我们用外部5V 输入的电压经两个二个1N4007 进行降压, 使得VDDGPRS 在3.8-4.5 之间,可以更换一个二极管为节电压较低的管子, 比如说1N5820.5V-0.7V*2=3.6V,所以建议更改其中一个1N4007 为1N5280, 即 5V-0.7V-0.2V=4.1V。
2、LED 指示:当GSM 模块工作正常(不一定连接成功),这时LED 灯不断闪烁。
3、PWRKEY 是模块的启动使能端,SIM300 启动时需要满足以下波形,如图:
PRKEY 引脚在内部上拉至VDDBAT 引脚,所以设计时Q2 的集电极不再上拉至高电平。我们通过GPRS_PWDN 来控制PWRKEY 引脚满足以上时序,以便启动模块。
以上时序是关闭模块的时序,如图:
4、SIM 的连接,如下图:
5、TXD1 和RXD1 连接到GPRS 的串口上,CTS1 和RTS1 可以在使用GPRS 上网时选用,也可以不选用。
6、为了和CPU 使用同一个MIC 和喇叭,GSM 的音频输入和输出需接到WM9713 芯片,以便WM9713 片内混间
这写这么多吧,这个竞赛非常不错啊,大家觉得不错请投票!
