概述
无位置传感器的无刷直流电机(Brushless Direct Current Motor, BLDCM)由于其快速、可靠性高、体积小、重量轻等特点,在航模领域得到了广泛的应用。但是与有刷电机和有位置传感器的无刷直流电机相比,其控制算法要复杂得多。加上航模设计中对重量和体积的要求非常严格,因此要求硬件电路尽可能简单,更增加了软件的难度。
本文提出了一种基于中颖8位单片机SH79F168的控制方案,借助于该芯片片内集成的针对电机控制的功能模块,只需很少的外围电路即可搭建控制系统,实现基于反电动势法的无位置传感器BLDC控制,在保证稳定性和可靠性的基础上大大降低了系统成本。而且该芯片与传统8051完全兼容,易于上手,从而也降低了研发成本。
系统硬件设计
本方案选用中颖的8位单片机SH79F168做为主控芯片。该芯片采用优化的单机器周期8051核,内置16K FLASH存储器,兼容传统8051所有硬件资源,采用JTAG仿真方式,内置16.6M振荡器,同时扩展了如下功能:
·双DPTR指针. 16位x8乘法器和16位/8除法器.
·3通道12位带死区控制PWM,6路输出,输出极性可设为中心或边沿对齐模式;同时集成故障检测功能,可瞬时关闭PWM输出;
·7通道10位ADC模块;
·内置放大器和比较器,可用作电流放大采样和过流保护;
·增强的外部中断,提供4种触发方式;
·提供硬件抗干扰措施;
·Flash自编程功能,方便存储参数;
主系统硬件架构如图1所示,从图中可以看出该系统大部分功能都由片内集成的模块完成。外围电路的简化一方面可以提高系统可靠性,另一方面也降低了成本。

图1:系统硬件架构。
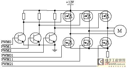
三相逆变桥采用上桥PMOS用三极管驱动,下桥NMOS用PWM端口直接驱动的方式,如图2所示。

图2:三相逆变桥。
SH79F169片内集成了三通道6路PWM端口,可分别独立配置为PWM输出或者IO输出。将PWM01~PWM21配置为PWM输出,直接驱动三相逆变桥的下桥;PWM0~PWM2配置为IO端口,经过晶体管反相电路后驱动三相逆变桥的上桥。
外部中断输入INT4x配置为双沿触发,即输入信号的上升沿和下降沿都能触发中断,可用于捕捉调速给定信号。
