本文详叙了一种低损耗的建筑用可调光" title="调光">调光镇流器的设计,它采用ML4835电子镇流控制器IC,以MicroLinear公司的ML4835EVAL板为基础。
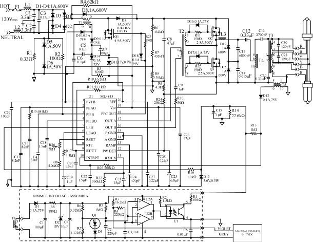
当工作电压超过102V~138V范围时,ML4835EVAL板作为功率因数校正的65W电子镇流器,它接受0~10VDC控制、具有20∶1调光范围,控制两只串接的32WPLT紧密型荧光灯管。灯管采用预热、点亮和调光的运行模式,是一频率变化范围宽、不重迭的变频器拓扑。图1给出了这种120V的电子镇流器设计框图。图2则给出了完整的ML4835EVAL电路图。
CFL小型荧光灯被设计为工作在要求全照度和可调光的,其镇流器充分显示了该ML4835镇流控制器IC的如下特性:
(1)工作在镇流变频器频率下的连续电流模式
(PFC)用以降低传导EMI和二极管损耗;
(2)总谐波失真小于10%;
(3)可编程的三重频率起动程序用以延长灯管寿
命,简化灯管网络设计" title="网络设计">网络设计,以及在任意调光能级无全功率闪光时起动灯管;
(4)具有单片热保护功能和灯管熄灭检测电路;
(5)灯管寿命终结保护或功率限制功能;
(6)根据由调光控制器或传感器来的0~10VDC

图1120V镇流器设计的方框图

图2可调光CFL镇流器原理图(原图,未做格式化处理)
电压可控制小型荧光灯光输出变化100%~5%;
(7)按可编程的时间间隔自动再起动灯管。
1功率因数校正器(PFC)的设计
(1)选择PFC输出电压" title="输出电压">输出电压VB
因PFC采用升压式变换器,则:
VB>×VIN(max)
式中:VB为PFC输出电压;
VIN为输入线电压有效值。
为了能在具有较小变化的220V电压工作则:
VB>(1.414)×(1.1)×220(1)
即VB>342VDC(采用380VDC)。
(2)计算升压电感数值
由于在该功率范围内工作的灯管频率接近40kHz,故选用小号的铁氧体磁芯。ML4835PFC电路工作在连续的电感电流模式。该磁芯的典型应用电感数值可由下式求出:
L=mH(2)
式中:L是T1绕组(6、10)的电感值;
fmin是变频器的最低频率;
VIN=90V是开始调节的线电压值;
PO是向灯管输出的功率。因此有:
L==1.5mH(采用3.5mH)
(3)电流传感电阻的数值
为了确定电流传感电阻的最大值R1,应求出流经它的峰值电流。该峰值电流由时钟频率电流Icp与线路频率电流Inp组成。
在VIN(min)时的占空比D为:
D=1-(3)
式中:VIN=90V;
VB=380VDC。
因此得到D=0.67。


图3灯管网络
(a)灯管网络等效电路(b)灯管网络的电容
T==25×10-6s=25μs
TON=DT=0.67×25×10-6=16.6×10-6s=16.6μs
ICP=(4)
所以:ICP==0.30A
并且有:InP==1.02A
这样就能得到流经R1的总峰值电流IR1:
IR1=0.30+1.02=1.32A
R1的最高电压被电流限制门槛置位于-1.0V,所以R1的最大值为:R1=1.0/1.32=0.755Ω(选用0.33Ω)
(4)选择斜坡电容C24
斜坡电容器C24的数值可由式(5)求出:
C24=(TOFF-TDIS)×
(5)
式中:TOFF=T×(1-D)=8.38μs;
TDIS≌321×CT≈0.68μs;
PEAO(max)=6.1VDC;
Ri=22kΩ(IC内部电阻)
因此可得到:C24=1.1nF
这是C24的最大值,可用于在90V时起动调节。然而其实际值较小,这是因为R2和C4对电流脉动有整形作用。R2和C4衰减大的高频开关尖峰,它流经R1引起电流脉动。现选用C24数值为470pF。
(5)功率因数校正误差放大器输出(PEAO)的补偿(2脚):
补偿网络的典型设计是分别在3Hz与30Hz处引入一个零点和一个极点。
2灯管网络的设计
21灯管网络功能
灯管网络的主要功能是:
(1)以谐振方式把灯管的电弧电阻RL变换成变频器两端的一只能消耗灯管的满载额定功率的电阻RIN。
(2)当用于可调光场合时,它必须维持阻抗与频率的相应关系,即在频率升高时将单调地减小供给灯管的电流,而且维持灯管两端有足够的电压,使之在整个调光范围内都能工作。
良好的镇流器设计需要了解许多灯管的使用数据。高频灯管的数据需要考虑到:①参考的镇流器特性;②工作特性;③点火特性;④调光曲线和阴极加热的必要条件。
除调光曲线外,该32WPLT的数据可从菲利浦照明公司(PhilipsLightingCompany)得到。对高频灯管进行测试方可绘出调光曲线。
22灯管网络设计程序
用于灯管网络设计的推荐程序是:
(1)根据PFC电路和灯管数据计算RIN和RL。
(2)选择恰当的网络拓扑。
(3)用一个扩展图表格式写出网络设计方程式。虽然有各种方法用于设计谐振网络,本网络设计仍采用阻抗变换技术来完成。通常,这种方法要求把电阻值分配给网络中每个电感线圈的输入与输出端,如图3(a)所示。这些数值限定了变换的量值和方向。利用各部分变换的Q值QTRS,可求出网络元件的电抗值:
QTRS=(6)
式中R1和R2是变换的电阻。如果R1是输出电阻,那么变换则是向下方的,R1总是接到网络的并联元件两端。如果R1是输入电阻,那么变换则是向上方的。网络的各部分设计在输出端能定时起动。
(4)选择满载功率时的工作频率fmin,并按步骤(3)求出电抗元件的数值。
(5)利用步骤(4)中求出的元件值,写出一组网络工作方程式。该工作方程式用灯管起动电阻RL和把串联等效元件变换为并联元件,再把它们和其它并联元件综合之后写出。然后这些并联元件再反变换为串联等效元件,再把它们和其它串联元件综合。这一过程继续到网络的输入。无论RL是接到串联元件还是接到并联元件,该过程都是相同的。

图4增大RL和XT对QIN的影响
如果设计的方程式是正确的,那么最后的变换将是三个元件串联的结果:一个感抗,一个等值的容抗,一个数值为RIN的电阻,第一个网络元件(在本设计中是L3),是一串联元件。该组方程式限定了网络中每个节点的工作条件,通过节点的电流和所有元件两端的电压,以及相位关系。
(6)利用灯管调光曲线、电弧电压与电弧电流的相应关系,算出曲线不同点所对应的灯管电弧电阻RL。见图4中的电弧电阻曲线。以RL来替代网络工作方程式中的这些电弧电阻值,然后调节频率求出相应的灯管电弧电流。
从最小的RL开始,每个逐次的RL值应需要更高的频率来求出对应的电弧电流值。这就核实了带有灯管的网络调光性能,并绘制出图4中所示的频率曲线。作某些调节,能使设计参数较好地匹配灯管调光网络。例如在设计方程式中用RL=900Ω阻值,代替由灯管数据计算的632Ω,以扩展Q值缩减T型网络的影响、降低灯管电流。
(7)根据灯管点火数据,求出预热期间加在灯管两端所允许的最大电压VPHT。在网络工作方程式中采用很高的电阻RL时,是表明在开路状态,再调节频率求出一个电压值,它稍低于VPHT。存在两个频率值,选择较高的fPHT。
(8)根据灯管点火数据,求出点火所需要的最小电压VST。在网络工作方程式采用高的阻值RL,然后调节频率得到一个高于VST的电压值。将会存在两个频率值,选择较低的fST。
23灯管网络设计
(1)求解网络元件的数值
首先是计算两个串联灯管的RL值:
RL==632Ω
式中:VL和IL分别是灯管电压和电流,它们是在全亮强度时的值。
然后求EIN:因方波的基波有效值电压是其峰峰值的/π倍,即
EIN=0.45×VB=171V
所以:RIN=≈390Ω
式中:PO=(灯管电弧功率+灯丝功率)/(效率)=(64+1)/0.88≈75W。
因此该网络应把632Ω的灯管电阻,转变成变频器的390Ω,以产生75W功率。
(2)选择网络拓扑
由于RL大于RIN,一个低通" title="低通">低通LC网络(串联的L和并联的C)与接在C两端的灯管,可以提供基本的灯管网络功能。
该典型网络用于ML4831EVAL和ML4833EVAL电路板,它们设计工作在线性的灯管。然而小型荧光灯CFL的调光特性与线性灯管有很大差别,会使采用该网络拓扑变得不切实际。图5给出了加在两个串联32WT8型(线性)灯管和32WPLT(小型荧光灯)灯管两端的电压曲线,是在它们调光10%时测量的。要注意到小型荧光灯CFL两端的电压增加到大于80%时,在线性灯管的两端电压变化却只有20%左右。

图5施加在32WT8和32WPLT两种灯管上的电压
由于灯管接在并联电容器两端,所以当调光器指示电弧电阻和Q值有相应较大的增加时,在小型荧光灯两端的电压会大幅升高,即:
Q=RL/XC
然而当调光时加在灯管的高电压增加,此时需要低的网络Q值。为了克服这个性能上的矛盾,在低通网络之后设置一个高通T型网络来驱动灯管,即由一只串联的电容器C13来驱动灯管,当灯管调光时它会减小网络的Q值。即:
QO=XC13/RL
这些网络组合成一个低通L环节跟随一个高通T环节(两个高通L环节背对背),它是作为变压器耦合的T型L环节,见图3(a)。
低通LC网络的Q值QIN,可做得大于高通T网络的输出Q值QOUT,以正确地实现网络的频率响应。
(3)网络工作的说明
当灯管调光并且QOUT减小时,C13的等效并联电抗XC13P变大,这是因为:
XC13P=XC13×(7)
把XC13P与变压器的副边电抗(T的分流引线)结合,变换到原边时为XT。变压器T的输入Q值QM可做得很小:
QM=,以及XC12=QM×RM(8)
所以XC12也小到允许XT并联在C11,成为LC的并联电容,见图3(b)。
当RL更大并且XT变为更呈电感性时,XT与XC11的的复合电抗增大,引起QIN降低。这种影响可以从图4中的关系曲线看出。由于频率曲线的斜率随灯管电流变化,与网络的Q值成反比。
所以当灯管调光使曲线的斜率变得更陡时,表明网络的Q值减小。该网络在频率单独增大50%时,将灯管调光在全发光输出时的5%。低的调光频率能使寄生电流的损耗最小,并允许灯管以遥控方式设置。
(4)选择fmin和求出网络元件的数值
在选择了恰当的网络拓扑、并分配了变换电阻之后,再计算变换的Q值和求出网络的元件数值。例如在图3(a)中的低通LC网络,选择R1=1740Ω作为它的输出电阻器RM,选择R2=390Ω作为它的输入电阻器RIN,因此输入Q值QTRS将是1.86,从而有:
XC11==-935Ω,以及XL3=1.86×390=725Ω
为了能使用标准电容器C11=4.7nF,选择的频率值为fmin=36.2kHz。实际fmin稍微提高到40kHz,以改进调光性能。fmin是由R19阻值来设定。选择C20=1.5nF,以便在栅极驱动信号之间产生一个合理的死区时间。
(5)选择预热时的频率fPHT
如网络设计程序(7)所述,选择fPHT=64.5kHz,以设置灯管两端的电压为350V。根据选择的R18阻值来设置频率,并由R22和C21数值来设置预热的间隔时间为0.9s。
(6)选择灯管的点火频率fST
如网络设计程序(8)所述,选择fST=48.5kHz。按RT2的阻值来设置频率。
(7)灯丝电压和阴极电压
阴极加热通过在灯管两端放置的一个小变压器来获得。在调光情形之下这是理想的位置,因为对调光灯管阴极加热是额外的。在预热期间,变压器匝数比由灯管两端的电压来确定。由Philips照明提供的镇流器指南建议预热时间为1s,灯丝电压应在3.9V~5.2V。当预热时间为0.9s时,电压调节在4.8V。这是因为在预热期间加在灯管两端的电压为352V,其匝数比为74。在全发光强度时的灯丝电压是28V,并以5%的速率增加到51V。
3镇流器工作说明
(1)灯管的起动程序
ML4835采用可编程的三种频率程序,来进行预热、起动和使灯管满载功率工作。用于设置这三种频率的充电电流是很精确的,由不同的电阻值分别来设定。
预热的频率是最高的,选择它使之在灯管两端产生的电压为350V。该电压足够低以致于不产生大于让灯管发光的25mA电流。灯丝变压器的原边接在灯管两端,所以在调光期间随灯管电压增加,阴极加热也增强,它对于维持灯管的寿命是很重要的。灯丝变压器T3的匝数比,选择在预热期间使灯丝电压为48V。
在预热周期结束之后,频率变为起动频率,它接近负载开路时的谐振频率,以便在灯管两端产生650V的起动电压。灯管初始起动(或者是在灯管熄灭再起动期间里)允许的最大时间,由ML4835设置为05s。
这么短的时间容许起动频率借助谐振电容来选择,以致使电感L3的尺寸和成本降到最低,而不致在变频器功率开关管MOSFET上有多余的热应力。在预热期间,灯管反馈放大器的输入端(5脚)和阻断(10脚)是闭锁的。
当灯管点火并且由电流传感变压器T5检测出灯管电流时,闭锁周期结束,变频器频率变为满载时的fmin值。在起动频率时的灯管电流,大约是满载功率的36%,所以当闭锁周期结束时,灯管被驱动在满载功率、或者由灯管电流反馈电路预置的调光能级。这种起动方法使灯管电流在调光之前越过辉光区域,而不会产生满载功率时的闪光。如果灯管电流在起动期间没有被检测出来,则阻断功能起作用。
(2)灯管输出的检测
ML4835采用变频器栅极驱动的占空比阻断方式,由C21和R22设置再起动时间间隔的长短。无负载工况的检测,是通过10脚上采样灯管电流所产生的电压与内部的门限电压的比较来进行的。如果在灯管起动周期的末端,由采样灯管电流所产生的电压不大于门限电压值,那么阻断功能起作用。当阻断时在每个再起动时间间隔内(典型值为6s~10s),可编程起动程序重复进行,所以灯管将不会被损坏。
(3)灯管的调光
荧光灯管的光输出,是与它的电弧功率即灯管的电流和电压的积密切相关的。ML4835赋值电路板控制光输出,它是通过用一只电流传感器T5采样灯管电流(见图2),然后加以整流并把它供给由R14、R1和U1组成的PWM脉宽调制器的分压器(R1和U1是在调光接口部件板上)。
该电路改变电阻的平均值,流经这个电阻的取样灯管电流产生的电压,与PWM信号的占空比成比例,PWM是在灯管误差放大器的(-)输入端(LFA:IC5脚)。由C15提供平滑滤波。PWM占空比受0V~10V直流电压的控制,它来自一个标准的遥控调光控制器件,或来自蜂窝状EL7316A型手控调光器的传感器。
灯管误差放大器LEA的(+)输入端在IC内部接到一个25VDC参考电压,它使LEA输出电压(6脚)的变化依照总的灯管电流或者希望的发光强度。该电压控制一内部压控振荡器VCO,以调节变频器的开关频率。当变频器的频率因灯管网络的阻抗特性而升高时,灯管的电流则降低。
(4)功率检测脚
电阻器R9两端的电压是由R24和C23来平滑滤波的,其直流电平表示由PFC电路供给变频器的功率值。IC12脚是有10V门限电平之比较器的负极性输入端,当过载时关闭IC。该脚可用于限制供给灯管的功率,或者采用一些其它的检测方法,在灯管寿命终止(EOL)时闭锁芯片。
4有关性能数据
当工作在概述的测试条件下时,典型的ML4835EVAL电路板性能列于表1。
表1ML4835EVAL电路板测试结果
| 灯管发光强度 | 5% | 10% | 100% | 单位 |
|---|---|---|---|---|
| 输入功率 | 15 | 22 | 79 | W |
| 灯管电流 | 16 | 32 | 320 | mA |
| 总谐波失真 | 12 | 13 | 2 | % |
| 功率因数 | 0.992 | 0.991 | 0.998 |
5典型的测量波形
图6、图7、图8给出了在EVAL电路上各点测量的典型示波器波形。测试条件和示波器的设置在每幅照片下给出。波形测量是用电路板向两只32WPLT灯管提供功率时进行的。
图6给出了功率因数校正器的升压电压波形。变频器的直流母线由交流电网整流后供给。注意120Hz(两倍电网频率)的纹波电压迭加在380VDC之上。这是交流电网电压经功率因数校正之后的结果。
图7给出了变频器的输出电压和电流波形。经升压的直流母线电压经Q2和Q3斩波,在灯管网络输入

图6PFC升压电压波形
(显示设置:垂直50V/格,水平10ms/格)
(两只32W灯管在最大亮度,探头100∶1)

图7变频器输出电压、电流波形
(显示设置:垂直CH1=50V/格,方波CH4=2mA/mV
水平:5ms/格。)
(两只32W灯管在最大亮度时,120VAC)

图8灯管的电流和电压波形
(显示设置:垂直CH1=100V/格(较高的波形)
CH4=2mA/mV
水平:5ms/格,其它同上)
端(Q2与Q3结点)产生方波。输入网络的电流与电压波形,设计在最低工作频率(满功率)时接近40°电感性相位。当调光电平在最大与最小之间转换时,由于灯管的发热滞后,为防止瞬时的电容性工作,这一感性相位是必要的。因频率增大将产生更大的感性相位角,故应保证零电流开关。
图8比较了灯管的电压与电流波形。灯管在典型的高频工作时有同相关系,当工作超过60Hz指示灯管效能增加时,相位差很重要。灯管电流的波峰因数约为14,它低于17极限值。用户要注意调光时灯管电压的快速增大,它由“负的”高动态电阻引起,是小型荧光灯管的一个特点。
