近年来, 随着无线通信技术的发展, 无线通讯设备的集成化越来越高。本文介绍了一种选用高性能、低功耗的32位微处理器STM32F103和射频收发芯片nRF24L01来设计短距离无线数据传输系统的具体方法。
1 系统设计
短距离无线数传系统主要由电源管理器AMC7635、微控制器STM32F103、射频收发器nrf24l01三部分组成。下面分别介绍其关键电路。
1.1 电源电路
本设计的电源采用3.7V锂电池供电, 然后经低压降电源管理芯片AMC7635, 以产生3.0V的电压来为STM32F103和nRF24L01供电, 图1所示是本系统的供电电路。

图1 系统供电电路
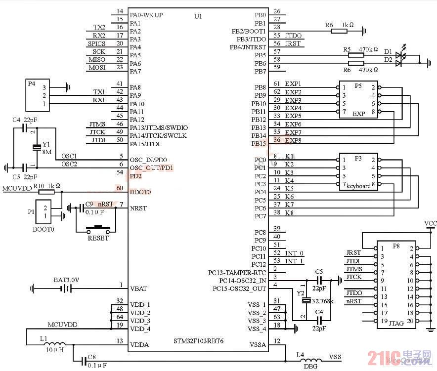
1.2 微控制器电路
微控制器选用带ARM Cortex -M3 内核的STM32F103。STM32F103控制器具有高性能、低功耗、低电压等特性, 同时具有高集成度和易于开发的优势。图2所示是该系统中的微控制器电路。控制器与射频收发器nRF24L01的接口采用SPI口来实现, 即图2 中SPICS、MOSI、MISO和SCK四条信号线和CE和INT0两条信号线。另外,该控制器还可以扩展一路主板RS232 口和8 路GPIO口输出。

图2 微控制器电路
1.3 射频收发电路
nRF24L01可工作于2.4 GHz~2.5 GHz ISM 频段, 该收发器内置频率合成器、功率放大器、晶体振荡器、调制器等功能模块, 是一款集成度较高的无线收发器。nRF24L01的外部电路比较简单, 而且融合了增强型ShockBurst技术, 其中输出功率和通信频道可通过程序进行配置。同时,该芯片的功耗极低, 在以-6 dBm的功率发射时,其工作电流只有9 mA;而在接收时, 工作电流只有12.3 mA。nRF24L01的控制电路可与STM32控制器的SPI口和GPIO口相连接。图3所示是该芯片组成的射频收发电路原理图。

图3 射频收发电路
2 系统程序设计
本系统可在STM32F103上移植UCOSII操作系统。系统程序主要分为主机的系统初始化程序、键盘和显示程序及射频收发器nRF24L01的控制程序三大部分。图4所示是其软件程序流程。

图4 系统程序流程图
系统程序设计的关键是UCOSII操作系统的移植和SPI口通信控制。有关操作系统的移植, 芯片厂商在官网上已有范例提供, 本文不再赘述。
下面列出系统SPI初始化及收发函数的程序源码。
void SPI_Initial (void)



当然, 也可以用GPIO口来实现SPI通信, 但前提是通信速率要求不是很高。由于要通过GPIO口模拟实现SPI的突发传送协议, 而且要兼顾其通用性, 故其程序较为复杂。下面给出通过GPIO口实现SPI收发的一般程序:
3 结束语
经现场调试证明, 本文给出的无线数传系统具有成本低, 速率高, 传输可靠等优点。在实际应用中, 还可根据需要将nRF24LOl组成一对一、一对多、多对多的结构。因此, 该系统可以广泛应用于无线测控、文件传输、家庭无线应用、工业控制等场合。
