一. 前言
大连安迪数控技术有限公司是由留日海归博士和国内自动化学者共同投资组建的高新技术企业。公司位于大连市高新园区海外学子创业园。是一家专门从事于交流永磁同步伺服系统和交流异步伺服系统的研发、制造、销售和服务为一体的自动化控制企业。公司可为客户提供完美的解决方案。
随着中国百姓生活水平的不断提高,高档手表、精美的钻戒已不再是奢侈品,各种精美的家具也走入了寻常百姓的家中。数控雕铣机因其可以切割、镂铣,并具有加工精度高,效率高等特点成为高精密加工的能手。数控雕铣机属于模具加工行业的主要设备,一般需要3-5台伺服系统用在进给轴,是伺服产品应用的重点领域。因此安迪数控有限公司对ADSD-S伺服系统在数控雕铣机的应用制作了方案。
二、雕铣机的结构
雕铣机一般由数控系统、主轴系统和进给轴系统组成。主轴系统一般采用变频器进行驱动电主轴,最高速度为2-5万转/分,一般加工速度为1-2万转/分。进给轴系统一般分为X轴、Y轴和Z轴,分别由3台同步伺服驱动器和同步永磁电机组成。使用安迪伺服, ADSD-S23-1.5K + ADSM-S130

高性能的数控雕铣机要求伺服系统有较高的响应频率、系统刚性,以及良好的低速特性。这就要求可移动部分在保证灵活运动的同时,有良好的刚性,这样能减小机械传动的惯量,从而得到较高的响应频率。
三、雕铣机控制方案
控制方案:
数控系统主轴采用变频控制,进给轴有3个伺服输出端口。
大连安迪数控同步伺服驱动器具体根据负载情况选择驱动器及同步伺服电机。采用外部位置控制方式,由数控系统发AB相脉冲信号,电子齿轮比为1:1。
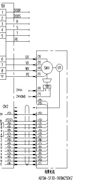
数控系统与伺服及电机等接线图纸如下:

四、驱动器调试
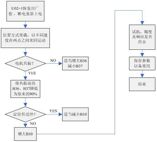
通过安迪伺服驱动器上位机软件或键盘,可以对控制器的参数进行修改,在定位过程中,要保持较高的响应频率,需在保持电机不振动的情况下,调节基本参数B36速度比例增益尽量大,B37速度积分时间常数尽量小;再看电机定位是否准确,若定位有过冲则稍调小B10位置比例增益。


五、总结
通过实际加工对比发现,使用安迪伺服的雕铣机加工的模具,可达到模具要求,尺寸完全合格,手感良好,粗糙度(光洁度)良好,对于加工手板雕铣机功能足够满足要求,对于模具加工雕铣机可以达到要求。
通过实际加工观察,安迪伺服电机和伺服驱动器达到要求响应速度和精度,并具有更优良的性价比,可为企业创造更多的效益。
