广州博玮伺服科技BWS伺服控制系统在立车中的应用
曾莲莲
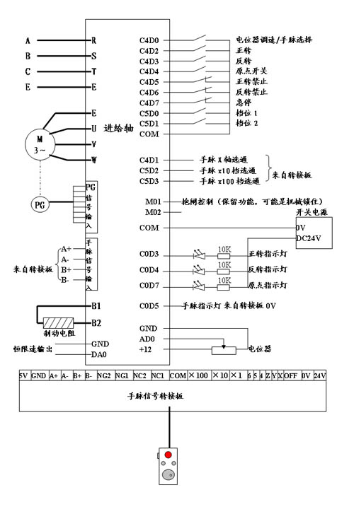
摘要: 广州博玮伺服科技BWS伺服控制系统具有低速大力矩输出、零速力矩保持、调速精度高等优良性能,并具有简易PLC功能,非常适合在立车的进给轴上做单轴控制系统,也可应用在主轴调速上,客户应用非常成功。
Abstract:
Key words :
|
一、简介 广州博玮伺服科技BWS伺服控制系统具有低速大力矩输出、零速力矩保持、调速精度高等优良性能,并具有简易PLC功能,非常适合在立车的进给轴上做单轴控制系统,也可应用在主轴调速上,客户应用非常成功。
![]() |
此内容为AET网站原创,未经授权禁止转载。

