传感器" title="传感器">传感器网络" title="无线传感器网络" title="无线传感器网络">无线传感器网络">无线传感器网络(Wireless Sensor Networks,WSN)是当前在国际上备受关注的、涉及多学科高度交叉、知识高度集成的前沿热点研究领域。传感器技术、微机电系统、现代网络和无线通信等技术的进步,推动了现代无线传感器网络的产生和发展。无线传感器网络扩展了人们信息获取能力,将客观世界的物理信息同传输网络连接在一起,在下一代网络中将为人们提供最直接、最有效、最真实的信息。无线传感器网络能够获取客观物理信息,具有十分广阔的应用前景,能应用于军事国防、工农业控制、城市管理、生物医疗、环境检测、抢险救灾、危险区域远程控制等领域。
无线传感器网络是由部署在监测区域内的大量廉价微型传感器节点组成,通过无线通信方式形成的一个多跳的自组织的网络系统,其目的是协作感知、采集和处理网络覆盖区域中被感知对象的信息,并发送给监控终端。本文根据无线传感器网络具有成本低、能耗小、组网灵活、系统抗毁性强等多方面优势,通过对环境的无缝精确定位技术和基于无线传感器网络的无缝监控预警技术,完成了基于无线传感器网络的监控预警终端原理样机的设计和实现,满足在物联网应用中环境监测、监控预警、应急管理、人员定位与导航等的需求。
1 手持终端系统组成
无线传感器网络终端由主控制器、ZigBee无线传输模块、传感器模块组成。其中,主控制器负责处理来自ZigBee无线传输模块的数据,并根据情况做出相应的判断;ZigBee无线传输模块负责接收来自传感器模块采集的数据,实现与主控制器的通信;传感器模块负责采集环境内的数据,并进行相应的分析和处理。
系统主控制器采用ARM11架构的32位嵌入式RISC处理器S3C6410" title="S3C6410">S3C6410。ZigBee无线传输模块采用集信号采集、数据处理和无线通信于一体的CC2430芯片,CC2430集成符合IEEE 802.15.4标准的2.4 GHz的RF无线电收发机,具有优良的无线接收灵敏度和强大的抗干扰性,有数字化的RSSI/LQI支持和强大的DMA功能,集成14位模数转换的A/D转换器;带有2个强大的支持几组协议的USART,1个符合IEEE 802.15.4规范的MAC计时器,1个常规的16位计时器和2个8位计时器。传感器模块包括温度,湿度,亮度和人体红外传感器。系统总体框图如图1所示。

本系统中,传感器的功能是分别采集环境中的温度信息、湿度信息、亮度信息和人体红外感应信息,并加以处理,通过无线通信方式将数据传送给系统手持终端。终端通过查询传感器发送来的数据进行分析并做出判断,结合实际情况采取相应的措施。无线传输节点通过采集手持终端的接收信号强度指示(RSSI),对终端进行定位。
2 系统硬件设计
无线传感器网络手持终端主要由基于ARM11架构的三星S3C641O处理器和基于无线传输的CC2430芯片组成。
2.1 无线传输模块硬件设计
ZigBee技术是一种新兴的短距离、低速率无线网络技术,采用IEEE802.15.4标准,具有功耗低、数据传输速率低、时延小、网络容量大、成本低、通信可靠性高、安全、组网灵活等优点,主要应用在无线数据采集、无线工业控制、消费电子、汽车自动化、家庭和楼宇自动化、医用设备控制、远程网络控制等领域。传感器采集温度、湿度、亮度、人体红外感应等数据,并进行信息处理,通过无线传感器网络发送给监控终端。
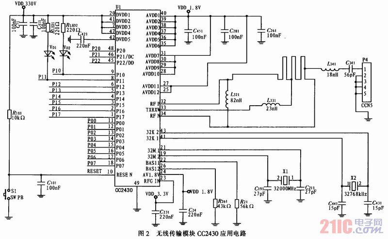
无线传输模块采用具有数据采集、无线通信和信息处理的单片机射频芯片CC2430。由于CC2430的集成度高,所以只需要极少的外围元器件,其内部使用1.8 V的工作电压,外部数字I/O使用的3.3 V的电压,通过片上集成的自流稳压器,把3.3 V电压转换为1.8 V电压。该模块主要包括3.3 V和1.8 V电源滤波电路、晶振电路、偏置电路、巴伦电路、射频阻抗匹配电路和复位电路,无线传输模块硬件电路图如图2所示。

1)晶振电路:CC2430工作需要2个时钟晶振,第一个为32 MHz,为无线收发提供时钟;第二个为32.768 kHz,为系统睡眠唤醒提供时钟。C191和C211为32 MHz的负载电容,电容值取决于负载电容的大小,CL=1/(1/C191+1/C211)+Cf,其中CL典型值为16 pF,Cf为2~5 pF,保证晶体振荡器产生的频率准确和稳定。C191和C211的典型值为27 pF。
2)R221和R261为偏置电阻,电阻R221主要用来为32 MHz晶振提供一个合适的电流。
3)电压调节器为1.8 V电压的引脚和内部电源供电,电容C241和C421是去耦电容,用来实现电源滤波,以提高芯片工作的稳定性。
4)复位电路由限流电阻R101、滤波电容C101和按键组成,实现低电平复位。
5)射频阻抗匹配电路:CC2430可以使用不同类型的天线,本设计中使用一种非平衡天线,连接非平衡变压器可使天线性能更好。单极非平衡天线是长度对应电磁波长1/4的谐振天线,射频信号采用差分方式,最佳差分负载阻抗是115+j180 Ω,阻抗匹配电路需要根据该数值进行调整。设计采用50 Ω单极子天线,采用巴伦电路(平衡,非平衡转换电路)完成双端口到单端口的转换。电路中的非平衡变压器由L321、L3 31、L341、C341和PCB微波传输线组成,L321和L341匹配RF输入/输出50 Ω阻抗匹配,L321和L331同时提供功率放大器和低噪声放大器的直流偏置。L321为8.2 nH,L331为22 nH,L341为1.8 nH,C341为5.6 pF。
CC2430发送数据时,信号从差分射频端口RF_P、RF_N经巴伦电路变为单端信号,由RXTX_SWITCH信号控制2个逻辑开关,选通功率放大电路(PA),放大后的信号从天线发射出去。接收信号时,在RXTX_SWITCH信号控制下,从天线接收的信号经低噪声放大电路(LNA)放大,经巴伦电路转换,由RF_P、RF_N端口接收。
2.2 手持终端硬件设计
手持终端主要由处理器核心系统、无线传输模块、电源管理系统和输入输出系统4部分组成。处理器核心系统由处理器(S3C6410)、SDR-AM(K4X51163PC-LGC3)和Flash(K9F2G08XOA)组成。电源管理系统为核心系统和外设电路提供相应电源控制和管理。输入输出系统为用户提供下载接口、语音系统、图形界面和外设存储。其系统框图如图3所示。

S3C6410和CC2430通过串口通信,Flash存储操作系统相关的内容,SD卡存储环境监测中采集的各种传感器数据、定位与导航应用的地图和应用程序等,传感器采集的数据通过LED界面显示出来,管理者通过LCD显示的数据进行监控、定位和应急管理,报警信息、通话等通过音频模块输出。手持终端原理样机如图4所示。

3 系统软件设计
系统软件设计包括传感器的采集程序和手持终端串口通信程序,采集程序根据不同传感器的接口方式不同,对CC2430单片机分别编写数据采集程序,手持终端需要编写处理器和CC2430之间的串口通信程序。
3.1 无线传输模块软件设计
无线传输模块的软件架构由数据采集端软件和数据接收端软件组成,包含有发射程序和接收程序。其中初始化的程序主要对CC2430单片机射频芯片SPI等进行初始化设置,发射程序将打包的数据包通过单片机的SPI接口发送至射频发生模块输出,接收程序完成终端采集数据的接收并做相应的处理。数据采集软件流程图如图5所示。

在数据采集和数据传输过程中,MCU控制器首先初始化运行和信道选择,低功耗定时器运行准备接收信号,等待传感器请求发送信号,若请求合法,则初始化采集数据,采集完毕后通过CC2430发送,完成数据采集功能。数据采集主程序如下:


3.2 手持终端软件设计
S3C6410处理器通过串口和无线传输模块进行通信。首先串口接收无线传输模块发来的数据,并进行相应的信息处理再通过串口下达相应指令给无线传输模块,无线传输模块再通过无线方式传输指令给传感器模块,最终实现大型复杂环境的监控和管理。其中串口应用程序主要包括4部分:串口初始化、发送数据函数、接收数据函数和主函数。
1)串口初始化
把使用到的串口引脚GPA4、GPA5定义为RXD1、TXD1,分别连接到CC2430的P0.3和P0.2脚。

2)发送数据函数
通过对UTRSTAT0寄存器相应位来判断并实现发送和接收的功能。UTXH0把要发送的数据写入此寄存器。

3)接收数据函数
URXH0当读取UTRSTAT0寄存器位[0]为1时,读取寄存器获得串口接收到的数据。

4)主函数
主函数主要实现UART1的初始化,从串口接收字符串,信息判断和相应功能函数调用等功能。
4 系统实际应用
该无线传感器网络终端系统已完成演示,通过在3个实验室里分别放置温湿度传感器、亮度传感器和人体红外传感器,在楼道每隔10 m放置一个无线传输模块,传感器将采集到的温湿度、亮度和人体红外信息通过无线传输模块发送到手持终端显示出来,根据实际情况手持终端发送命令控制实验室的温湿度、亮度状态,超过某一阈值会发出报警信息,当有人进去实验室,人体红外传感器会发出报警信息发送给手持终端控制中心。当人员携带手持终端,楼内的无线传输模块通过采集手持终端的RSSI值,以及三点定位算法确定人员的位置,指引人员想去的地方,当有突发紧急情况时进行人员导航和疏散,将人员和物品转移至安全的地方。经试验验证该无线传感器网络终端基本满足大型复杂建筑物室内精确定位导航、无缝监控预警、应急事件管理等方面的应用,温度精度0.5℃,湿度精度4.5%RH,亮度精度0.5 lux,室内定位精度优于3 m(95%),系统初次定位时间少于30 s,系统可用性优于90%。
5 结束语
本文所设计的手持数据采集终端基于S3C6410处理器、CC2430无线通信芯片和无线传感器技术,其性能优越,能满足大型复杂环境监测和管理的应用。采用手持终端可方便管理和应对突发紧急事件,使应急救援力量在最短时间内到达事件发生地点,指引灾难人群在最短时间内选择最短最优路径进行人员疏散,对建立面向应急管理的定位导航与无缝监控预警系统具有重要意义和使用价值,在物联网中有着广泛的应用。
系统设计创新之处:1)采用低功耗ZigBee无线传输技术,提高了节能效率;2)采用ARM和无线传感器网络技术结合便于使用和管理;3)将无线传感器技术应用于物联网大大提高了管理的效率并降低成本。
