0 引言
电压毛刺" title="毛刺">毛刺是高频" title="高频">高频变换器研制和生产过程中的棘手问题,处理得不好会带来许多的问题,诸如:功率管的耐压必须提高,而且耐压越高,其通态电压越大,功耗越大,这不仅使产品效率降低,而且使电路可靠性降低;另外,高频杂音的增加,对环境造成污染;为了达到指标,必须进一步采取措施,结果不仅使产品体积增大,而且使成本增加。解决办法通常是:增加主变压器中各线圈的耦合程度,以减少漏感(例如双线并绕等);选用结电容小,恢复时间短的优质开关管;增加吸收电路,最常用的是RC吸收电路,这种电路虽结构简单,但是有损的,而且变换器功率越大,需要的C越大,使R上的功耗也越大,导致R的体积很大,其结果是产品中常常装有体积大的电阻电容,使运行环境恶化,整机效率降低。显然这些解决办法不理想,本文将介绍两种无损电压毛刺回收电路。
1 常规RC吸收电路的功耗
RC吸收电路如图1所示,设主变压器一次侧为半桥或全桥电路,二次侧为极性交变的脉宽调制方波,并且带有毛刺,如图2所示。这样在RC串联电路中就有充放电过程,在R上就会有功耗。为分析方便,先不考虑电压毛刺,uAC的电压波形为极性交变的方波。

图1 高频整流" title="整流">整流的RC吸收电路

图2 高频调制方波
设某一时刻t=0时uAC的极性为上正下负,大小为Eo,C上的电压为Eo,极性上负下正,等效电路如图3所示。由电路方程可得
Eo=
idt-Eo+iR
图3 等效电路
由初始条件t=0时,i=2Eo/R,解得i=2Eoe-t/RC/R。
电阻R上的消耗功率WR=
i2Rdt=2CEo2
即C上的电压从-Eo→+Eo变化过程中,R上的功耗为2CEo2。
充电过程结束最终C上的电压为Eo,极性反转。一个周期内uAC翻转两次,R上的总功耗为4CEo2。例如:一个输出为48V的整流器,Eo通常约为150V,频率f取50kHz,电容C取1nF,则R上的功耗WR=4CEo2×f=5W。考虑毛刺的因素实际值远大于此值。显然,对于大功率高频率变换器,R上的功耗是相当大的。
2 主变压器二次为桥式整流电路的电压毛刺无损吸收" title="无损吸收">无损吸收电路
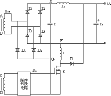
二次为桥式整流电路如图4所示。图中D1,D2,D3,D4为主整流管;D11及D12为毛刺吸收电路专用二极管。Lo与Co为主整流电路中的电感和电容;C为毛刺能量储存电容。L,S,D组成毛刺能量转换释放电路。主变压器中绕组CD和脉冲转换电路一起形成S的开关控制脉冲ugs,与绕组AB形成固定的相位关系。绕组AB的电压uAB波形与S上的驱动脉冲波形示于图5。
图4 全桥整流电路与电压尖峰吸收电路

(a) uAB波形
(b) ugs波形
图5 uAB与ugs的相位关系
其吸收原理如下所述。
1)t1-t2时段 uAB处于高毛刺阶段,毛刺最大值比正常值Uo高出ΔU,这时由D1,D2,D11,D12形成全桥整流电路,对C充电,具体讲是D1和D12导通,uAB的毛刺部分将被C所吸收,使uc=Uo+ΔU。显然,C越大,ΔU越小;毛刺越高,ΔU越大。
2)t2-t3时段 uAB=Uo,D12反偏截止。D1与D4导通,忽略D1与D4上的压降,UEF=Uo。以E为电压参考点,UF比UE电位低Uo,记作-Uo;由于UC=UEG=Uo+ΔUo,则UG比UE低Uo+ΔU,记作-(Uo+ΔU);这样UFG=UF-UG=ΔU。
由图5(b)可以看出,在t1-t3时间段开关管S被触发导通,UFG将使L中的电流逐步上升,使C上高于Uo部分的电压ΔU的能量逐渐转移到L上,当t3时刻uAB消失,ugs同时也消失,S截止。L上的能量将通过D向输出电容Co释放,形成电压毛刺的无损吸收。
3)t4-t5时段 绕组AB之间的电压反向,此时D2与D11导通,对C充电,之后的工作过程同t1-t2时间段。
4)t5-t6时段 工作过程同t2-t3时间段。
t7时刻开始,电路将重复以上过程。
3 主变压器二次为双半波整流电路的电压毛刺无损吸收电路
二次为双半波整流电路如图6所示。为分析方便,仍忽略D1,D2,D3的压降。显然uAB的波形、S的驱动脉冲波形与图5完全一致。其工作过程与桥式整流电路相似,在此不再赘述。

图6 双半波整流电路与电压尖峰吸收电路
4 关于LC选取的原则
为使上述电压毛刺无损吸收电路正常工作,在设计LC时注意下述2个问题:
1)过大的C将会使整流二极管开机瞬间冲击电流增加,过小的C将导致吸收毛刺过程中过大的电压增量ΔU,因此C要选择适当;
2)过大的L将使C中的ΔU能量无法及时转移到L中,因为ΔU=Ldi/dt,L过大,将使其中的电流增长速度减慢;L过小,则di/dt过大将使承受的应力加大只能选取大电流的开关管,同时对向输出端释放电感能量的二极管(图4中的D,图6中的D4)也提高了容量要求,因此,L的选择也要适当。
