摘要:提出了一种低成本的方波逆变电源的基本原理及制作方法;介绍了驱动电路芯片SG3524和IR2110" title="IR2110">IR2110的使用;设计了驱动和保护电路;给出了输出电压波形的实验结果。
关键词:逆变器" title="逆变器">逆变器;自举电容" title="自举电容">自举电容;低成本
0 引言
电源是电子设备的动力部分,是一种通用性很强的电子产品。它在各个行业及日常生活中得到了广泛的应用,其质量的好坏极大地影响着电子设备的可靠性,其转换效率的高低和带负载能力的强弱直接关系着它的应用范围。方波逆变是一种低成本,极为简单的变换方式,它适用于各种整流负载,但是对于变压器的负载的适应不是很好,有较大的噪声。
本文依据逆变电源的基本原理,利用对现有资料的分析推导,提出了一种方波逆变器的制作方法并加以调试。
1 系统基本原理
本逆变电源输入端为蓄电池(+12V,容量90A·h),输出端为工频方波电压(50Hz,310V)。其结构框图如图1所示。
图1 方波逆变器的结构框图
目前,构成DC/AC逆变的新技术很多,但是考虑到具体的使用条件和成本以及可靠性,本电源仍然采用典型的二级变换,即DC/DC变换和DC/AC逆变。首先由DC/DC变换将DC 12V电压逆变为高频方波,经高频升压变压器升压,再整流滤波得到一个稳定的约320V直流电压;然后再由DC/AC变换以方波逆变的方式,将稳定的直流电压逆变成有效值稍大于220V的方波电压;再经LC工频滤波得到有效值为220V的50Hz交流电压,以驱动负载。
2 DC/DC变换
由于变压器原边电压比较低,为了提高变压器的利用率,降低成本,DC/DC变换如图2所示,采用推挽式电路,原边中心抽头接蓄电池,两端用开关管控制,交替工作,可以提高转换效率。而推挽式电路用的开关器件少,双端工作的变压器的体积比较小,可提高占空比,增大输出功率。
图2 DC/DC变换结构图
双端工作的方波逆变变压器的铁心面积乘积公式为
AeAc=Po(1+η)/(ηDKjfKeKcBm)(1)
式中:Ae(m2)为铁心横截面积;
Ac(m2)为铁心的窗口面积;
Po为变压器的输出功率;
η为转换效率;
δ为占空比;
K是波形系数;
j(A/m2)为导线的平均电流密度;
f为逆变频率;
Ke为铁心截面的有效系数;
Kc为铁心的窗口利用系数;
Bm为最大磁通量。
变压器原边的开关管S1和S2各采用IRF32055只并联,之所以并联,主要是因为在逆变电源接入负载时,变压器原边的电流相对较大,并联可以分流,可有效地减少开关管的功耗,不至于造成损坏。
PWM控制电路芯片SG3524,是一种电压型开关电源集成控制器,具有输出限流,开关频率可调,误差放大,脉宽调制比较器和关断电路,其产生PWM方波所需的外围线路很简单。当脚11与脚14并联使用时,输出脉冲的占空比为0~95%,脉冲频率等于振荡器频率的1/2。当脚10(关断端)加高电平时,可实现对输出脉冲的封锁,与外电路适当连接,则可以实现欠压、过流保护功能。利用SG3524内部自带的运算放大器调节其输出的驱动波形的占空比D,使D>50%,然后经过CD4011反向后,得到对管的驱动波形的D<50%,这样可以保证两组开关管驱动时,有共同的死区时间。
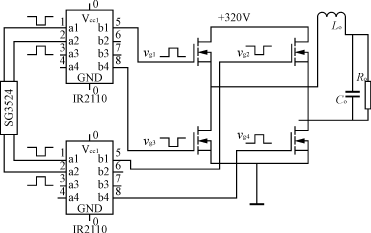
3 DC/AC变换
如图3所示,DC/AC变换采用单相输出,全桥逆变形式,为减小逆变电源的体积,降低成本,输出使用工频LC滤波。由4个IRF740构成桥式逆变电路,IRF740最高耐压400V,电流10A,功耗125W,利用半桥驱动器IR2110提供驱动信号,其输入波形由SG3524提供,同理可调节该SG3524的输出驱动波形的D<50%,保证逆变的驱动方波有共同的死区时间。
图3 DC/AC逆变电路结构
IR2110是IR公司生产的大功率MOSFET和IGBT专用驱动集成电路,可以实现对MOSFET和IGBT的最优驱动,同时还具有快速完整的保护功能,因而它可以提高控制系统的可靠性,减少电路的复杂程度。
IR2110的内部结构和工作原理框图如图4所示。图中HIN和LIN为逆变桥中同一桥臂上下两个功率MOS的驱动脉冲信号输入端。SD为保护信号输入端,当该脚接高电平时,IR2110的输出信号全被封锁,其对应的输出端恒为低电平;而当该脚接低电平时,IR2110的输出信号跟随HIN和LIN而变化,在实际电路里,该端接用户的保护电路的输出。HO和LO是两路驱动信号输出端,驱动同一桥臂的MOSFET。
图4 IR2110的内部结构和工作原理框图
IR2110的自举电容选择不好,容易造成芯片损坏或不能正常工作。VB和VS之间的电容为自举电容。自举电容电压达到8.3V以上,才能够正常工作,要么采用小容量电容,以提高充电电压,要么直接在VB和VS之间提供10~20V的隔离电源,本电路采用了1μF的自举电容。
为了减少输出谐波,逆变器DC/AC部分一般都采用双极性调制,即逆变桥的对管是高频互补开通和关断的。
4 保护电路设计及调试过程中的一些问题
保护电路分为欠压保护和过流保护。
欠压保护电路如图5所示,它监测蓄电池的电压状况,如果蓄电池电压低于预设的10.8V,保护电路开始工作,使控制器SG3524的脚10关断端输出高电平,停止驱动信号输出。

图5 欠压保护电路图
图5中运算放大器的正向输入端的电压由R1和R3分压得到,而反向输入端的电压由稳压管箝位在+7.5V,当蓄电池的电压下降超过预定值后,运算放大器开始工作,输出跳转为负,LED灯亮,同时三级管V截止,向SG3524的SD端输出高电平,封锁IR2110的输出驱动信号。
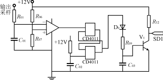
过流保护电路如图6所示,它监测输出电流状况,预设为1.5A。方波逆变器的输出电流经过采样进入运算放大器的反向输入端,当输出电流大于1.5A后,运算放大器的输出端跳转为负,经过CD4011组成的R-S触发器后,使三级管V1基级的信号为低电平,三级管截止,向IR2011的SD1端输出高电平,达到保护的目的。
图6 过流保护电路图
调试过程遇到的一个较为重要的问题是关于IR2110的自举电容的选择。IR2110的上管驱动是采用外部自举电容上电,这就使得驱动电源的路数大大减少,但同时也对VB和VC之间的自举电容的选择也有一定的要求。经过试验后,最终采用1μF的电解电容,可以有效地满足自举电压的要求。
5 试验结果及输出波形
DC/DC变换输出电压稳定在320V,控制开关管的半桥驱动器IR2110开关频率为50Hz,实验的电路波形如图7~图14所示。

图7 IR2110下管的驱动波形
图8 IR2110上管驱动波形
图9 SG3524输出的驱动波形(DC/AC)
图10 SG3524的驱动波形(DC/DC)
图11 外接整流负载的输出电压波形

图12 外接300Ω电阻负载的输出电压波形

图13 外接500Ω电阻负载的输出电压波形
图14 外接600Ω电阻负载的输出电压波形
6 结语
在逆变电源的发展方向上,轻量、小型、高效是其所追求的目标。本文所介绍的逆变电源电路主要采用集成化芯片,使得电路结构简单、性能稳定、成本较低。因此,这种电路是一种控制简单、可靠性较高、性能较好的电路。整个逆变电源也因此具有较高的性价比和市场竞争力。
