随着微处理器的发展,利用微处理器对工业生产过程进行控制已成为趋势。在工业控制过程中,由于大量数据信息的共享和传输,传统的串行通信" title="通信">通信模式已不能满足要求。在工业控制领域中,需要一种抗干扰性强、可靠性高、传输速度快和传输距离长的总线结构。CAN" title="CAN">CAN总线技术不仅满足上述要求,而且还能实现多点间的信息传递。本文使用PCI9810-cAN适配卡上的CAN总线组成局域网络,实现多微处理器间的信息传递和PC机对多处理器的检控、通信。
1 CAN总线简介
CAN(Controller Area Networks)总线,最早是由德国Bosch公司开发用于局域网控制的总线技术。CAN总线采用传统的双线串行通信方式,具有诊断能力,抗电磁干扰,其最陕传输速率可达1 Mb·s-1,最长通信距离可达10 km(此时的传输速率大约为40 kb·s-1)。在CAN总线组成的局域网络中,通信节点之间不采用主从方式,而是具有总线访问优先权,通信方式灵活,可实现点对点,一点对多点及广播方式传输数据。
2 系统通信模块的硬件设计
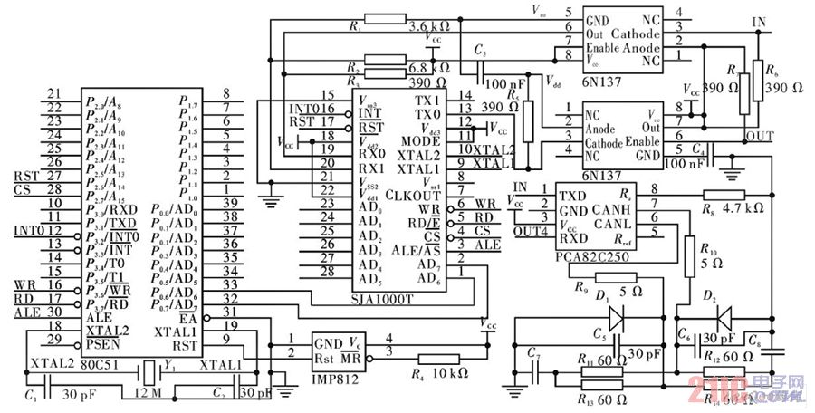
CAN总线是由PCI9810-CAN适配卡提供,本文主要完成通信节点的设计。通信节点不仅可以和PC机进行信息交换,还可独立与其他各节点通信。微处理器在需要和主机或其它节点通信时,其通过P0口向SJA1000T的寄存器发送信息,再由PCA82C250把信息传递到CAN总线上。主机和其他通信节点判断接收报文的标识符,将对接收到的信息作相应的处理,从而实现通信功能,如图1所示。

图1 系统通信接点的原理
在设计过程中,为了满足多微处理器间通信的实时性和可靠性要求,结合CAN控制器的特点,对图1作简单介绍:
(1)收发器PCA82C250的引脚8(Rs)有3种工作方式:高速,斜率控制和待机。斜率控制方式具有抗射频干扰的功能,所以采用47 kΩ的电阻连接引脚8,实现斜率控制方式。
(2)图1中应为两个高速光电耦合隔离器件6N137,由于6N137输出引脚的驱动能力不够,需要连接一个约390 Ω的上拉电阻,以增加输出引脚的驱动能力。两个光电耦合隔离器件6N137的电源信号采用5 V的DC-DC隔离模块WRA0505P,以增强系统的抗干扰能力。
(3)收发器PCA82C250的CANH和CANL引脚各自由通过一个5 Ω的电阻与CAN总线相连,电阻起到一定的限流作用,保护PCA82C250免受CAN总线上的过流冲击。
(4)收发器PCA82C250的CANH和CANL引脚与电源地之间分别反接一个保护二极管和30 pF的电容,可以起到CAN总线的过压保护作用和过流冲击。
(5)CAN控制器SJA1000T输入方式有2种:Intel输入方式和Motorola输入方式。在此采用Intel输入方式,所以SJA1000T的MODE引脚接高电平。
(6)设计仅用到TX0和RX0引脚,根据SJA1000T通信协议所要求的输入/输出逻辑电平关系,SJA1000T的TX1脚悬空,RX1引脚的电位必须维持在0.5 Vcc以上,所以在TX1引脚接上约6.8 kΩ和3.6 kΩ分压电阻。
(7)微处理器C51的引脚P2.7接CAN控制器SJA1000T的片选信号/CS,可知CAN控制器SJA1000T的寄存器首地址为8000H。处理器C41和CAN控制器SJA1000T共用12 MHz的晶振,以提高通信速率。
通过上述分析,设计的电路原理图,如图2所示。

图2 通信节点的电路原理图
3 系统通信模块的软件设计
通信模块的软件由3部分组成:初始化程序,发送程序和接受程序。仅这3部分程序,就能完成通信节点间信息的传递。要将CAN总线应用于更复杂的通信系统中,还要考虑CAN总线的错误处理,超载处理等功能和节点间的计算方法。由于每个通信节点都有自己的MCU,所以它们之间可以自由通信。通过CAN收发器PCA82C250的引脚CANH和CANL对总线输出,使总线表现“显性”,这时可发送信息。判断总线表现为“显性”时,就要为接受信息做好准备。
3.1 CAN控制器SJA1000T初始化程序
该程序首先进入复位状态,设置SJAl000T的模式寄存器MR为Basic CAN模式,验收码寄存器ACR和屏蔽码寄存器AMR,再设置定时器0和定时器1,输出控制寄存器OCR,重新设置控制寄存器CR,返回到正常工作模式下。初始化程序流程图如图3所示。

图3 初始化程序流程图
3.2 发送程序
此系统采用中断方式发送信息,这样能节省资源,提高通信效率。需要发送信息时,先将信息组合成一帧报文:数据帧或远程帧。进入发送程序后,首先关闭中断,保护现场,读中断寄存器是否为发送中断,将报文写入发送缓冲区,设置命令寄存器允许发送,开中断。发送程序流程图,如图4所示。

图4 发送程序流程图
3.3 接受程序
此系统仍采用中断方式接收信息。接收程序比较复杂,需要对错误报警,接收溢出等情况作进一步的处理。信息报文通过CAN总线被送入接收缓存器中,接收中断被置位,处理器从控制器SJA1000T的缓存器内读取信息,再设置新的接收标志,开中断。接收程序流程图如图5所示。

图5 接收程序流程图
4 结束语
把多个通信节点连接到PCI9810-CAN适配卡上的CAN总线,构成一个局部通信网络,从而实现PC机对多通信节点的检控和信息传送,通信节点间的高速通信。在实际中,可以实现约110个通信节点间的通信,但系统比较复杂,通信效率降低,就需要考虑PCI9810-CAN适配卡和通信节点的程序改进和相应算法的应用。在多机通信系统的设计过程中,主要是通过软件的编写,提高系统的高速传输性。
