随着3G" title="3G">3G 技术的发展,系统容量的不断提高,对系统的线性要求越来越高。功放作为通信系统的主要非线性单元,其性能的改善在整个系统中的作用至关重要。单纯采用用功率回退的方法去满足线性要求越来越困难,同时也难以满足日益提高的效率要求。因而使得很多线性化技术被不断应用到功放设计中。
目前已商用的线性化技术包括前馈、DPD 和模拟预失真。其中前馈技术主要的缺点是,误差环路不能同时放大有用信号,导致效率非常低;而DPD 技术主要的特点是,通过处理基带信号达到预失真的效果,因此需要将射频" title="射频">射频信号先转化成基带信号,处理完成后再还原成射频信号与PA 的输出信号进行合成,完成信号的校正,其最大的缺点是系统复杂、难以调试,有效带宽受限。与以上两种线性化手段相比较,模拟预失真系统结构简单,容易调试,效率也可满足需求,因此已成为现在比较受欢迎的线性化方法。
不过,模拟预失真最重要的就是选择合适的非线性器件,其特性要和LDMOS 非常接近,才能模拟出PA 的非线性特性,最终达到预失真的效果。而这样的器件选择需要大量的实验数据和验证,这给前期研发带来很大挑战。
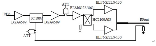
本文采用Scintera 公司内部集成的新型预失真芯片SC1887,配合NXP 公司的BLF6G22LS-130,使用Doherty 结构,前级推动使用BLM6G22-30G,最终完成WCDMA" title="WCDMA">WCDMA 30W 功率输出,为直放站" title="直放站">直放站客户提供了一种针对20W 整机的高效、节能的解决方案。
SC1887 预失真电路构成
与传统的模拟预失真电路相比较,SC1887 大幅简化了预失真电路的结构,减少了外围元器件的应用,从而使得整个电路更加紧凑、更易小型化;同时进一步提升了系统可靠性。实现原理如图1 所示。
图1 SC1887预失真实现框图
该电路采用了闭环结构,对消效果比传统的开环结构更优异。该芯片通过调节RFin、RFout 和FFFB 三个端口与各个巴伦之间的匹配,可以在600MHz 到2.8GHz 的带宽内正常工作。本方案采用村田制作所(Murata)的高Q 电容和低差损电感,将三个端口回波控制在18dB 以上(该板是采用Isola公司的专用板材IS680 设计的四层板)。同时可通过SPI 和计算机相连,随时监控其工作状态,使调试更加简捷高效。
具体实现方案
DXY 鼎芯实验室采用NXP 公司的高性能LDMOS,独立设计出一种实用的Doherty 结构,与模拟预失真芯片SC1887 实现了完美结合。射频方案中的预推动采用NXP RFSS BGA6589,推动级采用NXPBLM6G22-30G,末级采用NXP BLF6G22LS-130。相比于业内其他厂家的产品,NXP 的LDMOS 效率高、增益高,在高效率、大功率功放应用方面有着不可替代的优势。
其中BLF6G22LS-130 单管增益可达17dB,饱和效率55%,做成Doherty 后增益也有15-16dB,末级6dB 回退效率在40%以上。BLM6G22-30G 是塑封的集成二级IC 管,增益高达28dB,效率高,是做大功率推动级的首选方案。同时为了提高输出功率,采用研通(Yantel)高频技术公司最新推出的低插损电桥HC2100A03。
SC1887 对RFin、RFFB 两个端口的输入信号强度都有一定动态范围要求。为了与功放更好的配合,在环路内使用两个ATT 电路,实时调节主通路和反馈通路的增益范围,确保SC1887 在一定的功率输出动态范围内有很好的表现。具体实现电路原理如图2 所示。

图2 功放原理框图
测试结果分析
测试结果如表1所示。从测试数据可以看出,在Pout=44.7dBm时,对消后ACPR在52dBC以上,可以满足3GPP频谱发射模板。效率可以做到27%,比普通回退功放提高10%以上,显著减少了能耗,远远超出运营商的招标要求,符合当今节能环保、绿色低碳的发展需求。

通过分析以上测试结果可以看出,该方案有如下几大优势:
1.效率高:采用Doherty加模拟预失真的线性化技术,该方案与普通的HPA相比,效率至少提高10%以上。
2.成本低:功放管在整个功放成本中占主要地位,同样的功率输出,该方案比传统的HPA减少一半的使用量,节省成本。
3.结构简单,易于调试:简化了预失真电路的结构,减少了外围元器件的应用,使得整个电路更加紧凑,提高了整个系统的可靠性和一致性,便于生产调试。
图3 2140MHZ 测试结果 图4 WCDMA30W PA方案测试平台
附录:功放的非线性失真及传统模拟预失真的实现
功放的非线性失真特性主要由AM-AM失真、AM-PM失真两个特性来表征,如图4所示。

图4 功放的AM-AM、AM-PM特性示意图
为了便于分析,我们忽略功放的记忆效应,将功放的传输特性标识为:
Vo(t)=f[Vi(t)] (1)
其中Vi(t)、Vo(t)分别为功放的输入和输出电压。将该式用泰勒级数展开,取前3项,得到式(2):
Vo(t)=k1Vi(t)+k2Vi2(t)+K3Vi3(t) (2)
为简化分析过程,我们假设输入为点频信号,即Vi=Acosω1t,则输出信号为:
Vo(t)=0.5K2A2+(k1A+0.75k3A3)cosω1t+0.5k2A2cos2ω1t+ 0.25k3A3cos3ω1t (3)
从式3可以看出,由于功放的非线性,输出信号中不仅包含有输入信号频率分量,还出现了新的直流分量、二次谐波和三次谐波分量。其中,基波分量的振幅为 k1[1+0.75(k3/k1)A2]A,其中k1为线性增益,0.75k3A2是非线性失真。
当k3>0时,k1[1+0.75(k3/k1)A2]>k1 ,此时增益呈现扩张特性;反之,当k3< 0时,k1[1+0.75(k3/k1)A2]
AM-PM失真是指输出信号的相位随输入信号幅度的变化而变化。对于一个理想的放大器,它的输出信号的相位和输入信号的幅度无关。然而,在实际的放大器中,输入信号的幅度调制会导致输出信号的相位调制,一般用贝塞尔函数表示,如下:

实际表明,当输入信号为小功率信号时,功放的非线性主要以AM-AM失真为主;而当输入信号为大功率信号时,AM-PM失真较之前者对功放线性的影响更为明显。
功放的非线性主要是由k3<0产生增益压缩而产生的。模拟预失真的原理就是要找到一个k3>0的器件与功放串联,使两者的非线性相互抵消,使最终功放输出的信号保证在线性状态下。其原理如图5所示。

图5 预失真原理框图
为了保证足够的对消效果,一般预失真都采用双环结构,其实现框图如图6所示。

图6 模拟预失真实现框图
其中通路III、IV构成预失真产生环路,合路后经通路V通过必要的衰减和移相再与通路I的主信号合成最终完成预失真的效果。一般通路IV上的IM3产生器的器件选择都比较严格。
整个电路需要IV、V两个通路同时严格的调整衰减和相位,结构比较复杂,调试难度也很高。
