早期出现的银行评价器多以简单的数码管显示数字兼伴随简单的几个语句来实现一次客户的评价过程,方式过于简单,而且每个评价器之间相互独立,无法实现资源共享,这就给整个银行窗口服务系统带来了很多不便。后面又逐渐引入了单片机这样的微处理器,仍会有些功能单一,直到嵌入式系统的出现,采用以嵌入式系统为基础来开发的银行评价器,大大改观了它以前单一的功能。
这里提出一种基于S3C2440A和XL95144XL开发的银行评价器的设计方案。
1 ARM9简介
ARM微处理器是一款高性能、低功耗的32位微处器,它被广泛应用于嵌入式系统中。ARM9代表了ARM公司的主流处理器,已经在电子、电气、通信、国防等行业有了广泛的应用。其中,以三星ARM9嵌入式处理器S3C2410、S3C2440为基础所研发的嵌入式开发平台表现极为出色,而且 S3C2410、S3C2440嵌入式系统提供很多开放型软件,不做任何技术保留,可以说这两款是国内目前开放嵌入式产品中用得非常广泛的嵌入式微处理。
2 银行评价器硬件设计
一个银行评价器最基本的功能就是:客户前来办理业务——柜员按“开始”按钮——语音问候“欢迎光临”——客户办理业务完毕——柜员按“结束”按钮——语音提示“您好,请对我的服务进行评价”——客户按键进行评价。当然伴随着嵌入式的发展,一个银行评价器不仅仅在声音上给客户留下好感觉,同样也开始讲究视觉效果,同时还可以根据每个银行各自的需要增加其他的功能。下面就是本文设计的一款ARM9银行评价器,硬件部分的结构框图如图1所示。

2.1 嵌入式最小系统
该部分的电路是以ARM9微处理器为核心,外围增加相应的存储器,能够实现嵌入式操作系统的基本运行。选用S3C2440A微处理器作为CPU处理器,K9F1208 NAND flash芯片为扩展EPROM存储器,2片HY57V561620作为扩展的SDRAM,1片XL95144XL型号的CPLD与CPU配合使用。另外再设置2路晶振电路,一路晶振为16.934 4 MHz,并在CPU里经过分频,用来给CPU提供工作频率;另外一路为32.768 kHz,给S3C2440的REAL TIME CLOCK提供工作频率。
嵌入式最小系统电路这部分最核心的元件就是S3C2440A和XL95144XL。
S3C2440A是三星公司推出的16/32位RISC微处理器,最高可以工作在400 MHz的工作频率下。它采用了ARM920T的内核,功耗低,使用简单,内部具有系统管理器、NAND启动引导、CACHE存储器等,提供了60个中断源,154个通用I/O端口、液晶屏/触摸屏接口以及其他相关的数据通信口等。
其次比较重要的元件就是XILINX公司的XL95144XL。XL95144XL是一款高性能低功耗的3.3 V工作型CPLD。在很多的嵌入式系统中,CPLD是必不可少的一部分,它可以起到一些协调控制和分配处理的作用。CPLD硬件电路是由很多不同功能块组成,软件部分通常用VHDL或Verilog HDL编程语言实现。
2.2 电源电路
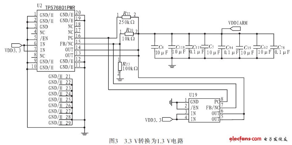
电源电路主要给各部分硬件电路提供各自所需的工作电压。S3C2440A微处理有2个工作电压3.3V和1.3V,而液晶屏的工作电压为13.6V左右,如果不提供一个可靠的工作电压,就无法保证产品的工作性能。所以在这部分,采用两套电压供电的方式,一个是直接通过1个5V直流电源直接提供工作电压,第 2个是采用了网络供电方式,这个方式就是通过互联网方式,由直流输出的MODEM通过互联网口插头供电给电路,这个电压通常是48 V直流信号,因此要通过1个电源模块进行转换成为5 V直流电压,同时采用了,TI公司的一款电源处理器TPS6515 0转换得到13.6 V的液晶屏工作电压。
图2是5 V直流电压转换为3.3 V的电路,图3是3.3 V转换为1.3 V的电路。


2.3 液晶显示电路和触摸屏电路
本文中介绍的银行评价器采用了液晶屏动态显示数据信息和画面,相比于以往的数码管单一显示数字的方式而言,大大提高了视觉效果。
液晶屏选用TRULY公司的一款两路背光13.6 V供电的TFT液晶屏,该液晶屏融合了图像显示和触摸屏的功能。液晶屏显示电路主要是要提供给液晶屏合适的工作电压,该液晶屏需要多路电压共同供电,其中就要提供VGH、VGL、VCOM电压实现背光以及液晶屏显示电源等。
触摸屏电路部分较为简单,只有1个4针接口,通过该接口把触摸位置的X、Y坐标值通过电信号的方式传输给S3C2440A进行处理,然后在显示屏上把该触摸点位置显示出来,或执行相应的功能。图4为触摸屏接口电路。
