电磁兼容的三要素是干扰源、耦合通路和敏感体,抑制以上任何一项都可以减少电磁干扰问题。开关电源工作在高电压大电流的高频开关状态时,其引起的电磁兼容性问题是比较复杂的。但是,仍符合基本的电磁干扰模型,可以从三要素入手寻求抑制电磁干扰的方法。
抑制开关电源中各类电磁干扰源
为了解决输入电流波形畸变和降低电流谐波含量,开关电源需要使用功率因数校正(PFC)技术。PFC技术使得电流波形跟随电压波形,将电流波形校正成近似的正弦波。从而降低了电流谐波含量,改善了桥式整流电容滤波电路的输入特性,同时也提高了开关电源的功率因数。
软开关技术是减小开关器件损耗和改善开关器件电磁兼容特性的重要方法。开关器件开通和关断时会产生浪涌电流和尖峰电压,这是开关管产生电磁干扰及开关损耗的主要原因。使用软开关技术使开关管在零电压、零电流时进行开关转换可以有效地抑制电磁干扰。使用缓冲电路吸收开关管或高频变压器初级线圈两端的尖峰电压也能有效地改善电磁兼容特性。
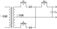
输出整流二极管的反向恢复问题可以通过在输出整流管上串联一个饱和电感来抑制,如图5所示,饱和电感Ls与二极管串联工作。饱和电感的磁芯是用具有矩形BH曲线的磁性材料制成的。同磁放大器使用的材料一样,这种磁芯做的电感有很高的磁导率,该种磁芯在BH曲线上拥有一段接近垂直的线性区并很容易进入饱和。实际使用中,在输出整流二极管导通时,使饱和电感工作在饱和状态下,相当于一段导线;当二极管关断反向恢复时,使饱和电感工作在电感特性状态下,阻碍了反向恢复电流的大幅度变化,从而抑制了它对外部的干扰。

图5 饱和电感在减小二极管反向恢复电流中的应用
切断电磁干扰传输途径——共模、差模电源线滤波器设计
电源线干扰可以使用电源线滤波器滤除,开关电源EMI滤波器基本电路如图6所示。一个合理有效的开关电源EMI滤波器应该对电源线上差模干扰和共模干扰都有较强的抑制作用。在图6中CX1和CX2叫做差模电容,L1叫做共模电感,CY1和CY2叫做共模电容。差模滤波元件和共模滤波元件分别对差模和共模干扰有较强的衰减作用。
共模电感L1是在同一个磁环上由绕向相反、匝数相同的两个绕组构成。通常使用环形磁芯,漏磁小,效率高,但是绕线困难。当市网工频电流在两个绕组中流过时为一进一出,产生的磁场恰好抵消,使得共模电感对市网工频电流不起任何阻碍作用,可以无损耗地传输。如果市网中含有共模噪声电流通过共模电感,这种共模噪声电流是同方向的,流经两个绕组时,产生的磁场同相叠加,使得共模电感对干扰电流呈现出较大的感抗,由此起到了抑制共模干扰的作用。L1的电感量与EMI滤波器的额定电流I有关,具体关系参见表1所列。
表1 电感量范围与额定电流的关系[4]
| 额定电流I/A | 电感量L/mH |
|---|---|
| 1 | 8~23 |
| 3 | 2~4 |
| 6 | 0.4~0.8 |
| 10 | 0.2~0.3 |
| 12 | 0.1~0.15 |
| 15 | 0.0~0.08 |
实际使用中共模电感两个电感绕组由于绕制工艺的问题会存在电感差值,不过这种差值正好被利用作差模电感。所以,一般电路中不必再设置独立的差模电感了。共模电感的差值电感与电容CX1及CX2构成了一个∏型滤波器。这种滤波器对差模干扰有较好的衰减。
除了共模电感以外,图6中的电容CY1及CY2也是用来滤除共模干扰的。共模滤波的衰减在低频时主要由电感器起作用,而在高频时大部分由电容CY1及CY2起作用。电容CY的选择要根据实际情况来定,由于电容CY接于电源线和地线之间,承受的电压比较高,所以,需要有高耐压、低漏电流特性。计算电容CY漏电流的公式是
ID=2πfCYVcY
式中:ID为漏电流;
f为电网频率。
一般装设在可移动设备上的滤波器,其交流漏电流应<1mA;若为装设在固定位置且接地的设备上的电源滤波器,其交流漏电流应<3.5mA,医疗器材规定的漏电流更小。由于考虑到漏电流的安全规范,电容CY的大小受到了限制,一般为2.2~33nF。电容类型一般为瓷片电容,使用中应注意在高频工作时电容器CY与引线电感的谐振效应。
差模干扰抑制器通常使用低通滤波元件构成,最简单的就是一只滤波电容接在两根电源线之间而形成的输入滤波电路(如图6中电容CX1),只要电容选择适当,就能对高频干扰起到抑制作用。该电容对高频干扰阻抗甚底,故两根电源线之间的高频干扰可以通过它,它对工频信号的阻抗很高,故对工频信号的传输毫无影响。该电容的选择主要考虑耐压值,只要满足功率线路的耐压等级,并能承受可预料的电压冲击即可。为了避免放电电流引起的冲击危害,CX电容容量不宜过大,一般在0.01~0.1μF之间。电容类型为陶瓷电容或聚酯薄膜电容。

图6 开关电源EMI滤波器
使用屏蔽降低电磁敏感设备的敏感性
抑制辐射噪声的有效方法就是屏蔽。可以用导电性能良好的材料对电场进行屏蔽,用磁导率高的材料对磁场进行屏蔽。为了防止变压器的磁场泄露,使变压器初次级耦合良好,可以利用闭合磁环形成磁屏蔽,如罐型磁芯的漏磁通就明显比E型的小很多。开关电源的连接线,电源线都应该使用具有屏蔽层的导线,尽量防止外部干扰耦合到电路中。或者使用磁珠、磁环等EMC元件,滤除电源及信号线的高频干扰,但是,要注意信号频率不能受到EMC元件的干扰,也就是信号频率要在滤波器的通带之内。整个开关电源的外壳也需要有良好的屏蔽特性,接缝处要符合EMC规定的屏蔽要求。通过上述措施保证开关电源既不受外部电磁环境的干扰也不会对外部电子设备产生干扰。
