随着电力电子技术、电机控制理论和微控制器的不断发展,现代交流调速技术在国民经济中得到了广泛应用。目前,高性能的调速控制策略和现代控制理论已逐步应用于交流电动机控制领域,普通运动控制系统已不能满足高性能调速控制要求,建立以DSP+CPLD为控制核心的异步电动机控制系统开发平台,对于研究高性能运动控制策略具有重要意义。它不仅可以减小系统体积,而且可以实现复杂的实时控制、提高系统运算能力,此开发平台可方便用户快速完成电机控制系统产品的开发和应用。
1 开发平台硬件总体设计
1.1 开发平台总体设计及特点
该开发平台以三相异步电动机作为被控对象,以控制器TMS320F2812与复杂可编程逻辑器CPLD作为控制核心,主电路为典型的三相交-直-交电压源型逆变电路,二极管构成了三相桥式整流电路,滤波后获得直流电压,由智能功率模块(IPM)作为逆变器的主开关器件,输出一定频率和电压的三相交流电给异步电动机供电。
DSP有丰富的片上资源和高效的数据处理能力,运行速度较快,因此对外围部件快速配合要求也高。如果外围部件采用专门的电路控制,不仅可以对DSP进行更多功能的扩展,而且可以减少系统的复杂程度,提高系统控制精度。
复杂可编程逻辑器件有丰富的逻辑资源,更适合完成各种算法和组合逻辑。具有I/O口多、设计灵活、规模大和速度快、逻辑处理能力强大的优点,若用其单独构成变频调速系统,开发周期长且成本昂贵。Altera公司的MAX IIZ CPLD具有多种关键优势。在单个器件中实现了高级功能和零功耗。在高级系统特性上都超出了传统宏单元CPLD,这些特性包括用户闪存、内部振荡器、成本优化、更大的密度、更小的封装以及更低的功耗等。基于上述原因,并考虑系统后续开发的通用性和各种不同控制方案的实现,控制电路以DSP+CPLD作为控制核心,采用
TMS320F2812芯片实现异步电动机各种复杂控制算,CPLD实现外围电路的逻辑控制。不仅满足了系统控制的高性能要求,而且减轻了DSP处理负担,使得DSP可以集中处理系统控制算法,简化了逻辑电路,提高了电机运行的可靠性。
基于TMS320F2812+CPLD的异步电动机控制系统开发平台硬件原理,如图1所示。

图1 开发平台硬件设计结构图
与普通控制系统相比,该控制系统开发平台有如下特点:
(1)DSP与CPLD协调控制,可以发挥各自的优点,实现电机的高性能调速控制。
(2)DSP、复杂可编程逻辑器件构成的电机控制系统有着更智能化的发展。
(3)该控制系统开发平台控制方案灵活,可编程性强,预留端口丰富,便于扩展,不仅可以实现对异步电动机的控制,也可以达到对其他高性能电机的控制,系统升级容易,维护性好。
(4)利用该控制系统开发平台,可以缩短产品开发周期、降低开发成本、提高开发效率,并可以在短时间内完成电机控制系统产品的开发和应用。
(5)该控制系统开发平台控制电路开关量形式的输出信号均通过光耦隔离与系统主电路接口,保证了强弱电的隔离,系统稳定性高,能够满足电机控制领域对系统高可靠性的要求。
1.2 各模块电路设计
1.2.1 主电路
主电路为典型三相交-直-交电压源型逆变电路,通过三相不控整流电路向逆变器和开关电源供电。采用智能功率模块(IPM)作为逆变器的主开关器件,其外围元件少、结构简单且可靠性高。同时配备全面的保护措施,保证系统的可靠运行。
(1)逆变电路。
开发平台逆变电路为典型三相交-直-交电压源型逆变电路,采用三菱公司智能功率模块(IPM)PM50RL1A120,其耐压1200 V,额定电流50 A,内部整合了6路高速、低功耗IGBT组成的三相全控桥和一路用于制动的IGBT,以及过电压、过电流和过热等故障检测和保护电路,并将检测信号送到DSP进行中断处理。控制器输出的信号均经过光耦隔离电路进入IPM,有效地抑制了系统干扰。
(2)电压、电流检测电路。
在逆变电路的直流侧和输出的交流侧设计了电压、电流检测电路,通过霍尔电压、电流传感器获得电压、电流信号,经隔离放大后送过DSP的ADC模块,进行A/D转换,以实现系统的闭环控制。当系统发生过流、过压时,电路可以迅速将低电平信号发送到DSP的PDPINT保护引脚,封锁PWM脉冲输出,避免系统发生故障。
1.2.2 控制电路
控制系统开发平台主要用来完成各种复杂的异步电动机调速控制算法,加速电机控制系统产品的开发和应用。DSP与外围电路的联系,可以完全通过CPLD控制,DSP和CPLD采用总线方式进行通信。CPLD作为系统DSP芯片的扩展,可以完成众多逻辑控制以及I/O扩展任务。CPLD可以设置成具有地址译码器功能,依据DSP输出的地址信号,对其进行译码,通过地址总线输入CPID,选通外围电路达到对其进行控制,并且可以实现SRAM以及LED、IED读写信号的控制。
TMS320F2812是TI公司最新推出的是32位定点DSP控制器,采用改进哈佛结构,具有高速数据处理能力。其片内集成有丰富的运动控制专用外设:PWM产生电路、SVPWM状态机、可编程死区、比较/捕获单元等。其他功能外设:A/D转换单元、SCI、SPI、CAN控制器等,适合用在高精度伺服控制领域。
Altera公司的MAX IIZ系列EPM57OZM144C7N采用MBGA封装,有144个引脚和116个用户可用I/O口,典型等价宏单元440个,DSP电压与该芯片匹配,同时提供了JTAG接口,可以进行ISP编程,逻辑处理能力强大,外围逻辑电路得以简化。
(1)电源模块。
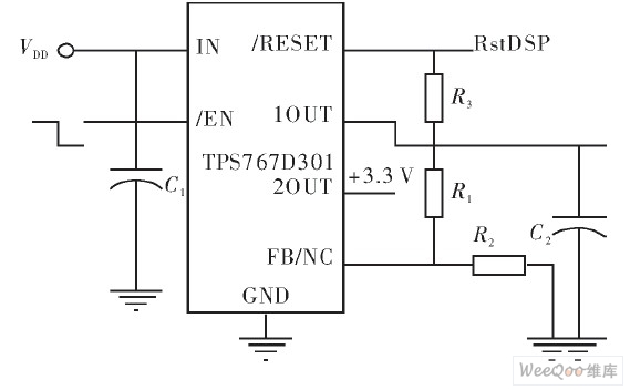
TMS320F2812采用双电源供电,系统先给所有+3.3 V的I/O加电,再接通1.9 V的内核电源。针对这样的电源要求,选用TI公司提供的双电源供电芯片TPS767D301给DSP供电,该芯片为双路输出,一路输出恒定的3.3 V电压,另一路输出可调电压,实现DSP供电时序要求。采用TPS3823S芯片实现电源监控和手动/自动复位,监控程序运行,防止程序陷入死循环。TPS767D301电平输出电路如图2所示。

图2 TPS767D301电平输出电路
1OUT=(1+R1/R2),2OUT=3.3 V。式中,VREF=1.183 4 V。选取适当R1和R2的电阻值,就可得到可调电压。
(2)存储器模块。
在系统开发平台上完成各种控制策略以及各种算法的数据处理中,会产生很多临时数据,如果仅由DSP片内RAM承担,会加重DSP的负担,使得系统控制精度降低,限制系统的完整运行。为满足数据存储需要,扩展一片型号为IS61LV516的SARAM,通过CPLD地址译码产生的片选信号,可以指定其作为程序存储器或数据存储器。
(3)CPLD模块。
CPLD在该开发平台中起逻辑控制作用。可以进行:1)QEP信号处理,输入为速度位置传感器提供的速度位置信号、DSP给出PWM脉宽调制信号,输出为各IGBT驱动模块的控制信号,经光耦隔离电路进入IPM。正交编码器检测到的电动机位置转速信号送至DSP,经过其内部QEP电路得到电动机的速度和方向,实现系统的反馈控制和PWM控制信号输出,从而达到转速闭环控制。2)地址译码,对DSP输出的地址信号进行地址译码,实现对F2812外围扩展芯片片选功能,选通相应的外围芯片映射至F2812内存中。3)DSP的I/O扩展,如果系统同时控制多台电机,DSP自身I/O引脚就不能满足要求,需要通过CPLD扩展。CPLD对另外电机的正交编码信号进行处理,完成正交信号的倍频、脉冲计数,同时输出计数结果,作为电机速度、位置判断依据。
(4)显示模块。
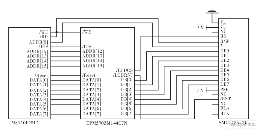
为了保障系统的可靠运行,通过DSP与CPLD的配合,设计了与LCD液晶显示接口电路,控制LCD显示以及LED指示灯的显示,实现了系统的人机接口,使得系统具有良好的人机操作界面。液晶模块选用长沙太阳人电子有限公司的SMG12864ZK标准中文字符及图形点阵型液晶显示模块,可显示128×64点阵或8个×4行汉字,DSP与LCD之间的接口电路如图3所示。

图3 DSP与LCD之间的接口电路
液晶的复位信号/RST和片选信号RS由DSP控制信号经过CPLD译码后产生,数据线。DB[0]~DB[7]由TMS320F2812的数据线DATA[0]~DATA[7]经过CPLD的双向总线驱动得到,其它同名信号对应相连。
(5)保护模块。
保护模块主要是在系统上电/掉电或出现故障的情况下,及时提供封锁信号,保证系统安全可靠地工作。该开发平台保护电路具有母线过压保护、过流保护、电机过热、IPM故障信号处理功能。系统的保护信号也可以融入到CPLD逻辑中,当故障发生时,可以实时快速切断CPLD的PWM输出。
同时,为了使该硬件系统应用范围得到扩展,设计了除异步电动机外不同电机以及不同控制策略可能用到的信号采集电路,以及不同位置反馈器件所用到的接口电路。
2 开发平台软件件总体设计方案
开发平台的软件开发和调试在TI公司DSP集成开发环境CCSC2000下进行。用C语言进行整个控制系统的软件编程。模块化的设计方法,使得编程和使用都方便灵活。利用本控制系统开发平台,通过软件编程,可以方便地实现异步电动机矢量控制,直接转矩控制等控制算法。
CPLD的开发工具为Max PlusII软件,VHDL语言编程,根据指定的引脚配置自动生成熔丝文件后,对CPLD器件下载编程。程序内各模块按严格时序工作,同时各模块又并行工作,完成不同的动作。
系统控制程序分为两部分,即主程序和中断服务子程序。主程序完成初始化后进入循环。中断服序程序主要完成系统各种控制策略,包括电机定子电流和电压采样,完成电流、电压的A/D转换。利用正交编码单元处理速度反馈信号。根据各种控制算法输出PWM信号对电机转矩进行控制。系统主程序流程图如图4所示。

图4 系统主程序流程图
3 结束语
DSP结合CPLD构建的电机开发平台,适合异步电动机控制算法的实现,以DSP作为主控制器,CPLD辅助功能扩展,使得整个控制系统开发平台具有较强的扩展功能和较高的灵活性,不仅节约了成本,缩短了系统开发周期,而且提高了开发性能。
