kaiyun官方注册
您所在的位置:首页 > 电源技术 > 设计应用 > TCL-HiD432/522型背投彩电电源电路原理
TCL-HiD432/522型背投彩电电源电路原理
摘要: TCL-HiD432/522型背投彩电,为了满足负载供电的需求,采用了两套电源电路,为不同的负载供电。
Abstract:
Key words :

     TCL-HiD432/522 型背投" title="背投">背投彩电,为了满足负载供电的需求,采用了两套电源电路" title="电源电路">电源电路,为不同的负载供电,如图1 所示。

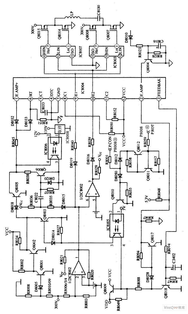
TCL-HiD432/522 型背投彩电电源电路构成方框图

图1 TCL-HiD432/522 型背投彩电电源电路构成方框图

  一、市电输入及变换电路

  该机输入市电电压(AC220 V)后,市电电压经连接器P8005 进入电路板,经保险管F8001 送到线路滤波器,由该滤波器滤除市电电网中的对称和非对称干扰脉冲,并且可对开关电源产生的高频振荡脉冲进行有效地抑制。经线路滤波器低通滤波后的220 V 市电电压:

  一路经电阻组成的开机冲击大电流抑制电路后,通过D8003 桥式整流、C8018 和L8012 滤波后,在C8018两端建立310 V 左右的不稳定的直流电压。

  另一路经D8007 半波整流、C80ll 滤波获得的电压为微处理器电源供电。

  二、主电源电路

  TCL-HiD432/522 型背投彩电的主电源采用1 块电源控制芯片MB3759(IC8004)、2 块桥式驱动芯片IR2112、一个开关变压器T8005、4 只开关管(Q8007、Q8008、Q8014、Q8015)为核心的他激式开关电源,如图2 所示。

TCL-HiD432/522型背投彩电主电源局部电路图

图2 TCL-HiD432/522型背投彩电主电源局部电路图

  1.激励信号" title="激励信号">激励信号形成激励信号由IC8004(MB3759)和相关电路产生

  (l)MB3759 的实用资料(引脚功能)

  MB3759 是双端PWM 控制芯片,它由振荡器、空载时间比较器" title="比较器">比较器、脉冲宽度调制比较器(PWM 脉冲发生器)、误差放大器l、误差放大器2、触发器、末级驱动电路构成,如图3 所示。由该图也可看出,MB3579 内部构成和TL494、KA7500B 是相同的。为了方便读者了解该电源电路的工作原理,下面首先结合外围电路来介绍MB3759 的引脚功能:

MB3759 内部功能方框图

图3 MB3759 内部功能方框图

  ①脚是误差放大器A1 的同相输入端。

  ②脚是误差放大器A1 的反相输入端。

  ③脚是误差放大器A1、A2 的输出端和比较器B2的反相输入端。

  ④脚是休止期(或称死区)控制端(当④脚为高电平时,⑨脚和⑩脚没有激励电压输出,所以④脚可用作软启动或过压保护控制)。

  ⑤脚是振荡器定时电容端。

  ⑥脚是振荡器定时电阻端。

  ⑦脚是接地端。

  ⑧脚是末级驱动放大管Q1 的c 极。

  ⑨脚是末级驱动放大管Q1 的e 极。

  ⑩脚是末级驱动放大管Q2 的e 极。

  11脚是末级驱动放大管Q2 的c 极。

  12脚是供电端。

  13脚是输出方式控制端。

  14脚是5 V基准电压输出端。

  15脚是误差放大器A2 反相输入端。

  16脚是误差放大器A2 同相输入端。

  (2)激励信号形成

  激励信号信号是由IC8004(MB3759)和相关电路产生。

  受控电压VCC 不仅直接加到电源控制芯片IC8004 12脚(供电端),为其内部的控制电路供电,而且经R8050、R8052 加到IC8004 的⑧脚和11脚,为IC8004 内的末级放大器Q1 和Q2 供电。

  IC8004 内部的控制电路获得供电后,由基准电压发生器产生5 V 基准电压,为振荡器等电路供电。

  振荡器获得供电后,便与IC8004 的⑤ 、⑥ 脚外接的定时元件C8033、R8051 通过振荡获得锯齿波脉冲信号,再经IC8004 内部电路处理后,从IC8004的⑨、⑩脚输出开关管激励电压。

此内容为AET网站原创,未经授权禁止转载。
Baidu
map