0 引言
随着我国经济的迅猛发展及人们生活条件的不断改善,道路照明在满*通安全、城市美化的同时,其电能消耗也成为城市能源消耗的一大部分。开展道路照明的节能降耗工作已迫在眉睫。
高压钠灯" title="高压钠灯">高压钠灯以其能耗低、光效好、透雾性强、使用寿命长等特点被广泛使用。在实际应用中发现,以高压钠灯为主的道路照明均为 全夜亮 模式,因此还有很大的节能空间。目前采用最多的是分时控制。就贵阳市而言,根据当地交通实情,可分为三时段控制——高峰期、正常、低峰期。在交通正常期和低峰期,照明电压降为额定电压的88% 和80%; 高峰期应保证足够照度,故使高压钠灯工作在额定电压的93% ,这是因为此时能使灯的寿命提高两倍但照度只降低5%,而此照度的变化人眼很难察觉。所以,采取有效的、可行的降压稳压手段非常关键。
传统的调压方式是采用自耦变压器,通过改变匝数比将电压降为实际电压的93% ,88%,80% 。该方法最大问题是,电网电压" title="电网电压">电网电压波动时无法保证高压钠灯的稳压且无法精确地将电压调至预定值。另外,切换开关较多采用有触点开关,因此易产生电弧而影响电路正常工作。
笔者提出了晶闸管" title="晶闸管">晶闸管组合变压器副边绕组改变高压钠灯两端电压,在单片机控制下精确降压并稳压。笔者采用串联变压器副边,利用其多绕组的不同组合,灵活升高、降低负载电压,并结合单片机检测实时电压以控制晶闸管,达到定时精确调压、随时稳压的目的。此方法非常适合我国道路照明的实情及节能需要。
1 调压原理
1. 1 变压器调压
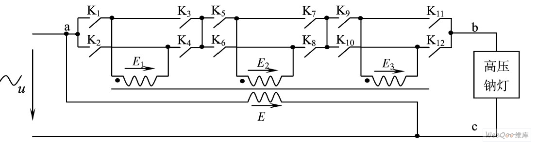
在高压钠灯主线路中串入变压器副边,如图1所示。该副边有多个匝数不同的绕组,各绕组的空载电势分别为E 1,E2,E 3 等。通过开关K1 ~ K12的开断将各绕组组合,可得到不同的E ab,从而改变Eb c。如K2,K3,K5,K8,K9,K12闭和时,E ab = E2 + E3 - E1。因此只需选择合理的控制方案,就可精确得到预定电压。同时,由于本方案调控范围大,精度高,故在需稳压时也可通过K1 ~ K12的开断来调控负载电压。

图1 高压、稳压原理

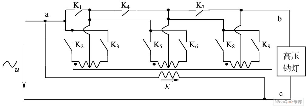
图2 方案改进示意图
另外,晶闸管具有动作迅速、无电弧等特点被广泛作为开关应用于工业生产中。笔者所提方案中可将其代替图1中的K1 ~ K12,利用其触发角的可控性,灵活选择开断时间。
1. 2 控制电路设计
本文中控制电路需要实现电压采样比较,晶闸管触发信号的产生,实时时钟、实时电压显示及人机对话等功能。单片机具有运行速度快,工作电压低,功耗低,输入输出直接驱动能力大,价格低,体积小等特点,因此得到广泛应用。89C51" title="89C51">89C51片内的4 K 程序存储器是FLASH 工艺的,这种工艺的存储器用户可以用电的方式瞬间擦除、改写,而且对开发设备的要求很低,开发时间也大大缩短。写入单片机内的程序还可以进行加密。另外,其售价比8031还低,市场供应也很充足。因此本文采用89C51作为控制芯片,完成变压器调压控制。
1. 3 主电路改进
1. 1中当调压范围扩大时副边绕组数目增加,晶闸管的数目也随之增加,不仅加大了控制难度,还增大了电路规模。若将原方案按图2 改进,显然,变压器二次绕组容量大约提高了一倍,但每相接通的晶闸管开关数目比图1减少,这有利于晶闸管开关工作可靠性提高。
2 副边电势的确定
变压器副边绕组个数、匝数等应根据具体情况而定。一般情况下,三个典型数值是必需的,即E 1 =1 V,E2 = 3 V,E3 = 9 V。通过晶闸管的组合可组成±1 V~ ± 13 V 精度为± 1 V共25档补偿电压。若再增加一个20 V 绕组,则可将调压范围扩大。因此在理论上,本文方案可将调压范围扩大至无穷。
3 实例分析
把本文所提方案应用于蔡关线——工学院道路照明系统。取A相为实验相,其他两相为参照相。各相所接高压钠灯220 V,250 W 共25 盏,均配有电容器。
表1 节能模式及其工作电压时

采用2. 5 kVA,220 V 单相变压器,副边有四组电压: 1 V,3 V,9 V,20 V。依据时间及具体交通状况,按时间分为四个模式: 启动、正常、高峰及节能模式。对应各模式的调压稳压范围如表1所示。2010年4月1日- 4月3日测量参数如表2所示。表2表明,采用本文所提方案后可明显降低能耗,同时由于电网电压波动使未采取措施的路灯耗能浮动较大。
表2 4月1日-4月3日耗电量

4 小结
本文所提调压稳压方法具有精度高、调节范围宽、可频繁动作且不易产生电弧等优点。不仅可以用于道路照明,还可用于其他采用高压钠灯且有调压空间的场合。但是,LED 照明不在本文讨论范围,因此读者可参阅其他相关文献。
