0 引言
利用软件实施加密算法已经成为实时安全通信系统的重要瓶颈。标准的商品化CPU和DSP无法跟上数据加密算法的计算速度要求。此外,CPU和DSP需要完成太多的其他任务。基于FPGA" title="FPGA">FPGA高度优化的可编程的硬件安全性解决方案提供了并行处理能力,并且可以达到所要求的加密处理性能基准[1].然而如果仅使用FPGA可编程VHDL来实现的话,系统就不够灵活,升级困难,况且实现起来有很大的难度,本系统以AES加密算法为例,使用Xilinx SPARTAN 3E为开发平台,以Xilinx的嵌入式软核Microblaze为主控制器,调用FPGA的硬件VHDL编程实现的AES加解密和控制CC2420来实现高速有效的数据通信。
1 系统设计思想
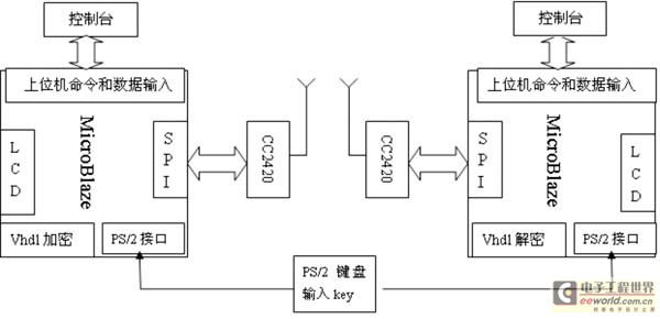
本设计使用硬件描述语言VHDL在FPGA数字逻辑层面上实现AES加解密,为了系统的扩展性和构建良好的人机交互,设计通过PS/2键盘输入加密密钥,并将其显示在LCD上。在软核MicroBlaze上,通过SPI总线读写FIFO和RAM控制射频芯片CC2420,使系统具有信道选择、地址识别、自动CRC校验功能,使系统更加安全、通信误码率更低。
1.1 数据帧结构设计
为了更好的提高本系统数据的传输率,在官方zigbee的数据帧格式基础上做了修改。采用如表5-2所示的数据帧格式。数据帧发送时,CC2420自动在数据包的开始处加上前导码和帧起始分隔符在数据包末尾加CRC检验。

1.2 数据可靠传输
为了确保数据不出错和不丢失,本设计采用了CRC校验、超时重传、返回ACK和NOACK等措施来确保数据的不出错和丢失,
2 系统模块构成
加密端通过串口和网口从发送段接收数据,当接收够16字节(128bit),或不足时能自动补零成128bit后送给硬件AES加密模块。在软核Microblaze的控制下通过VHDL编程的AES加密后将数据进行组帧打包,通过软核对CC2420的寄存器的读写将数据通过无线发送端CC2420发送出去,同时等待发送段确认。接收端在接收到数据以后,从数据包中将数据提取,进行快速AES解密,解密完成后进行CRC校验,如果校验正确则向源地址发送ACK确认。将正确数据送出,如果校验失败,则返回NOACK。为了确保安全,AES加解密算法需要的密钥key由键盘输入和修改,同时可以在LCD上显示出来。必须保证两端key相同才能保证正常通信。

图1 系统总体控制数据流图
3 AES加解密模块
3.1.1 AES简介
AES加解密算法(Rijndael算法)对待加密的明文先进行分段然后加密,明文的长度可以是l28位、192位或256位。同样,用于加密的密钥长度也有l28位、192位或256位。根据明文及密钥长度不同的组合,加密的轮次有10轮、12轮和l4轮。在圈函数的每一圈迭代中,包括4步变换,分别是字节代换运算、行变换、列混合以及圈密钥的加法变换。经过验证,选用l28位的明文和密钥是几种组合中加解密速度最快的[2]。所以在本系统设计中使用的为128位明文和128位密文的组合。由于AES为对称加解密,所以在此文中我们只讨论AES的加密方法,解密就是与AES对称的方式来进行的。
3.1.2 AES加解密模块设计
在本系统中,使用了FPGA的硬件描述语言(VHDL)来实现了AES的加解密算法,AES分别为轮密钥加、字节代换、行移位、列混淆、密钥扩展,下面为5个用硬件描述语言实现的小模块的分别介绍。由于列混淆模块、行移位模块、轮密钥加与文献[4]中算法相同在此不做讨论。
① 字节代换模块
此模块为AES中的每一个字节提供了一个非线性代换。任一非零字节被函数所代替。如果x是零字节,y=b 就是SubBytes变化的结果。在本设计中,为了加快算法速度,将S盒预先写入RAM中,直接用地址来指示替代的字节,利用空间来换时间,达到了加快用算的目的。
②密钥扩展模块
本设计采用了Xilinx IP核Single Block RAM 位宽32,深度64,在程序的开始,由用户设置的初始密钥系统按照密钥扩展算法生成的10轮扩展密钥,将生成的密钥按照地址次序从低到高放入RAM中,在每一轮执行addroundkey时取出对应轮数的密钥,与明文相加(异或)。

图2 AES解密模块仿真波形
3.2 无线通信模块
在本系统中采用TI 公司的CC2420来实现数据的无线通信CC2420工作于免授权的2.4GHz频段,33个16位配置寄存器、15个命令选通寄存器、1个128字节的RX RAM、1个128字节的TX RAM、1个112字节的安全信息存储器。TX和RX RAM的存取可通过地址或者用两个8位的寄存器。主机可通过SPI总线设置其工作在Normal模式,通过SPI总线MOSI,MISO接口对TX FIFO和RX FIFO及状态进行写和读的操作,将数据写入和读出RAM来实现与CC2420的数据传输,通过触发CC2420STXON,SRXON来实现数据的无线发送和接收。表二是本系统CC2420涉及的寄存器及其功能。

表2 是本系统CC2420涉及的寄存器及其功能
3.3 软核控制模块
3.3.1 软核MicroBlaze简介
MicroBlaze 是一款由xilinx公司开发的嵌入式处理器软核,其采用RISC(Reduced Instruction Set Computer)优化架构。它符合IBM CoreConnect标准,能够与PPC405系统无缝连接[3]。MicroBlaze是一个非常简化却具有较高性能的软核,在Spartan3E系列FPGA中它只占400个Slice,相当于10万门FPGA容量的1/3。其为哈佛结构,32位地址总线,独立的指令和数据缓存,并且有独立的数据和指令总线连接到IBM的PLB总线,使得它能很容易和其它外设IP核一起完成整体功能。支持SPI、I2C、PCI、CAN总线,支持重置、硬件异常、中断、用户异常、暂停等机制,可配置UART、GPIO等接口。
3.3.2 microblaze的控制流程



