简介
配有运算放大器和外部增益设置电阻的分立式差动放大器精度一般,并且温度漂移明显。采用1%、100ppm/°C标准电阻,最高 2%的初始增益误差最多会改变200 ppm/°C,并且通常用于精密增益设置的单片电阻网络过于庞大且成本较高。此外,大多数分立式运算放大器电路的共模抑制都比较差,并且输入电压范围小于电源电压。虽然单片差分放大器的共模抑制比较好,但由于片内器件与外部增益电阻之间本身不匹配,所以单片差分放大器仍存在增益漂移问题。
多功能双路差动放大器AD8270 (如图1所示)克服了这些限制,可以在现有尺寸最小的封装中实现完整的低成本、高性能解决方案。每个通道包括1个低失真放大器和7个经调整电阻,可配置用于实现具有不同增益的各种高性能放大器。所有精密电阻都是片内集成电阻,因此具有出色的电阻匹配和温度跟踪特性。AD8270采用5V至36V单电源供电或±2.5V至±18V双电源供电,每个放大器的最大电源电流仅为2.5mA,可用于驱动高性能ADC。
本文介绍两种不使用外部电阻的引脚绑定电路,可实现0.1%增益精度,增益漂移小于10 ppm/°C。

图1. AD8270功能框图
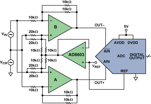
差分ADC驱动器
AD8270可配置用于提供以所需共模电压为中心的差分输出, 如图2所示。放大器A的增益配置为+½,放大器B的增益配 置为-½,因此组合增益为:
G = VOUT/VIN = ½ – (–½) = 1.
输出共模电压(OUT+ + OUT–)/2等VOCM.
驱动ADC时,所选增益应使信号摆幅接近ADC的满量程输入范围。放大器反相和同相输入端的阻抗应相等,以消除偏置电流的影响,并使共模抑制达到最大。单位增益跟随器AD8603将差分放大器的共模输出电压设置为VOCM ,使信号居于ADC输入范围的中心。电路采用双电源供电时,可将此引脚接地,而采用单电源供电时,可接VS/2,或者(如图所示),驱动单电源ADC时,接到ADC的参考引脚,从而允许以比率式工作。如果VOCM 是低阻抗源,则可去除AD8603。

图2.差分放大器驱动ADC
增益小于1时工作状况(差分至单端)
要以低输入范围驱动ADC,可修改AD8270增益模块,使其增益小于1;示例如图3所示。

图3.增益小于1的连接
通过引脚绑定配置放大器A的增益为+½。增益配置为-½的放大器B再次衰减信号,所以此连接的总增益等于-0.25。

结论
双路差动放大器AD8270具有低失调电压、低失调漂移、低增 益误差、低增益漂移特性以及14个集成精密电阻,可以用来实现精确、稳定的放大器。它具有较宽的电源电压范围,使其能够适应较宽的输入电压范围;并且其节省空间型封装可以减小PCB面积,简化布局,降低成本并且提高性能。
