交流供电的医疗电子系统安全标准要求电流隔离,以保护病人和操作员免于触电危险。由于导体直接连接仪器和病人,其上面附着的液体和凝胶更增加了触电风险;因此用于这些系统的隔离器必须耐用和可靠。
光耦合器和变压器通常用于医疗系统的隔离电路,但其缺陷也是设计界所熟知的。众所周知,光耦合器速度慢,在温度和老化变化过程中性能很不稳定。它们都是单端器件,因此具有较差的共模瞬变免疫(CMTI)。此外,光耦合器基于砷化镓(GaAs)处理工艺,固有的内在损耗导致在高温和/或LED大电流条件下发光强度降低。这种衰减降低了光耦合器的可靠性、性能和使用寿命。虽然变压器提供了优于光电耦合器的更高速度和可靠性,但它们无法通过直流和低频信号,从而在系统定时(例如,开启时间和占空周期)应用中使用受限。而且变压器一般体积大、效率低,往往需要额外的核心复位电路。
CMOS隔离器概述
不同于光耦合器,互补金属氧化物开云棋牌官网在线客服(CMOS)隔离器提供了更好的性能、可靠性、稳定性,省电性能和集成度。不像变压器, CMOS隔离器支持DC -150Mbps,并占用更少的空间(每个封装最多有6个隔离通道),而且效率更高。这些特性通过如下CMOS隔离器基础技术实现:
主流、低功耗CMOS处理工艺代替GaAs:CMOS是最成熟、广泛应用于全球的加工处理技术。先进的电路设计技术和CMOS技术使隔离器可达150Mbps数据传输速度、10ns传播延迟、5.6mW/通道的功耗,以及其他许多业内领先的性能规格。CMOS隔离器在最大操作电压和温度下平均无故障时间(MTTF)超过1000年,这是光耦合器的10倍。
RF载波代替光:RF技术进一步降低隔离器操作功耗,高精度鉴频提高了噪声抑制,器件封装也比光耦合器更简单。
差分隔离代替单端隔离:差分信号路径和接收灵敏度使的在无差错操作下CMTI超过25kV/us,良好的外部RF抗干扰特性可达300V/m,磁场抗扰度可超过1000A/m,这些特性使得CMOS隔离器也适用于恶劣的工作环境(强电场和磁场)。
专利的EMI抑制技术:CMOS隔离器满足FCC的B部分规范,并通过汽车J1750(CISPR)测试。
安全认证
从系统观点来看,医疗设备根据操作电压可分为不同的级别。 I类设备工作于70V或更少,只需要对可接触部分采用基本绝缘和保护接地。II类设备工作于70V电压以上,要求增强或双倍的绝缘。III类设备操作在25VAC或60VDC以下,常称为安全电压(SELV)。III类设备不需要隔离。
从组件观点来看,隔离器封装尺寸在防止电弧跨越封装表面时非常重要,因此,安全机构规定了特定测试电压下的爬电(creepage)和电气间隙(clearance)距离。如图1,爬电是指沿绝缘表面放电的最小距离,电气间隙(clearance)是指通过空气放电的最短距离。

图1:爬电和电气间隙
隔离器的核心是绝缘体,介电强度决定了隔离器的电压等级,隔离分类包括“基本型”和“增强型”。基本型隔离提供了对电击的保护特性,但没有考虑安全失效(failsafe)状况(即故障不会导致系统自动转变到一个安全、可靠的状态);基本型隔离装置能够被用户使用,但必须被包含于系统之内。
对于基本型隔离设备的认证测试是在1分钟、1.6kVRMS电压下,最小漏电距离4mm。增强型隔离为破坏安全操作提供两级保护,并允许用户访问。增强型隔离设备的认证测试是在1分钟、4.8kVRMS电压下,最小漏电间距8mm。医疗电子系统几乎总是需要增强型隔离特性,因为它要求具备安全失效保护特性。
增强型CMOS隔离器符合国际标准IEC/EN/DIN EN 60747-5-2,CMOS隔离器也符合IEC-60601-1医疗标准绝缘要求,该标准需要先通过UL(Underwriters Laboratories)1577或IEC-60601-1标准认证。IEC-60601-1为基本型和增强型隔离规定了电介质强度测试认证准则,包括爬电和电气间隙限制,还有电压和时长。详见表1。

表1:IEC60601-1 CMOS隔离器安全标准要求
光耦合器使用塑料复合化合物作为它们的主要绝缘材料,因此必须满足内部间距规范,又称绝缘穿透距离(DTI),该术语引自IEC 60601-1。对于光耦合器,DTI是LED和光接收器Die之间的距离,典型最小距离为0.4mm。CMOS隔离器使用开云棋牌官网在线客服氧化物作为它们的主要绝缘材料,比使用复合化合物封装有更好的电介质强度和一致性,因此占用更少空间。为了通过IEC 60601-1认证,安全监管机构执行DTI测试,即使CMOS隔离器在125度C温度和250VACRMS外加电压下进行10周测试,然后在4.8KVACRMS下进行1分钟测试。注意对于CMOS隔离器的DTI评测比光耦合器更加严格。
医疗电子系统必须对外部干扰有免疫能力,如来局部磁场、静电,电源线扰动(如线路电压暂降,浪涌和瞬变)。因此,无论是光耦合器还是CMOS隔离器都必须通过IEC - 61000标准。使用测试限度见IEC 60601-1-2规范,如表2所示。例如,静电放电(ESD)需符合IEC 61000-4-2规范,并使用由IEC 60101-1-2规定的测试限度。 RF辐射及电源线扰动测试使用CISPR11测试方法,它是J1750汽车规范的子集。(CISPR不指定测试限度,它是一个测试方法的标准。)对于辐射和电源线敏感性的限制需符合IEC 60601-1-2规范。

表2:IEC 60601-1-2抗干扰要求
注:变量U是测试应用电平之前的交流主电压
通过这些测试的要求是非常严格的:系统不能有任何组件故障、参数变化、配置错误或误报。除了外场免疫力,测试系统自身不能产生显著射频或传导辐射。
典型医疗设备应用

图2:心电图(ECG)前端
心电图应用
图2显示了一个心电图(ECG)前端框图,来自设备放大器的模拟输出经过高通滤波器,然后通过串行ADC转换成数字格式。转换后的数据通过增强型(5kV)数字隔离器进入控制器进行处理。该数字隔离器每个通道都可进行高达150Mbps“无瓶颈”数据传输。如果采用并行多个ADC输出,则隔离功能可以使用少于4个的六通道隔离器实现(假设16位ADC)。

图3:基于ISOdriver的除颤器电源隔离
除颤器应用
图3显示了除颤器电源部分,两个高端/低端(high-side/low-side)隔离栅驱动器驱动全桥电路。注意,此电路仅需要两个标准高侧栅极驱动器电路实现全桥驱动解决方案。每个栅极驱动器具有片上输入信号调整电路,包括施密特触发输入, UVLO保护输入,输出重叠保护和死区发生器。对于安全性至关重要的医疗系统来说,这些功能对于可靠运行是关键性的。
输入端之后是增强型双通道数字隔离器,其输出连接到栅极驱动器,每一个都相互隔离,同时也与输入隔离。电阻RDT1和RDT2决定了添加到每个循环中的死区时间。如果死区时间不需要,DT输入端应当连接到本地VDD。
除了提供逻辑输入栅极驱动器,Silicon Labs也提供增强的、功能兼容光耦合驱动器的替代产品。Si822x隔离栅驱动器能够模仿光耦合器LED行为的输入阶段,可直接替换诸如HCPL – 3120的栅驱动器产品,也提供低功耗操作,工作温度范围内有更好的性能和可靠性。
医疗供电系统应用
图4为相移调制全桥应用,典型的用于庞大医疗系统中的供电系统,例如临床核磁共振成像(MRIs)。这些系统通常使用电流感应变压器,需要外部核心复位电路和特殊的布局。它们也有低幅度的输出波形,通常导致低的电磁干扰性能。
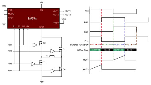
隔离的交流电流传感器,例如Silicon Labs的Si850x/1x器件提供集成的复位电路,高2VP-P的满量程输出信号,测量精度5%,小尺寸和低功耗工作。它们可支持50kHz- 1MHz频率范围(全测量范围为5、10和20Amps),并有1kV和5 kV的额定隔离电压。这些器件具有1.3mΩ低功耗输入阻抗和2nH的串联电感以降低振铃。图4中的电流传感器有“乒乓(Ping-Pong)”的输出模式,来自每个桥臂的电流信号分别传输到各自变压器磁通平衡监控的输出管脚。

图4:相移调制全桥应用中的乒乓模式
当Q1和Q4处于开状态时,测量电流在OUT2管脚出现;当Q2和Q3处于开状态时, 电流从OUT1输出。当电流发生环路时,积分器复位触发(即当Q1和Q2同时打开,或Q3和Q4同时打开时)。
这些示例说明了如何在电路一级上应用CMOS隔离器到电子医疗系统。其他系统可能使用CMOS隔离器用于不同的电路功能,如电压电平转换或消除接地回路噪声。表3显示了医疗电子系统从CMOS隔离技术中获益的部分列表。这些或其他应用程序的隔离需求导致大量CMOS隔离器使用案例,医疗电子市场不断发展过程中,CMOS隔离器技术最终将取代传统隔离技术。

表3:COMS隔离产品在医疗系统中的应用示例
小结
电子医疗系统必须有集成的可靠的隔离,确保病人和操作者的安全。严格的国际安全管理机构为了得到一致的安全特性,根据他们的规范发放医疗电子系统认证。隔离在这些系统中起到关键作用,它必须是强健和可靠的,并且仅需较少空间和成本。光耦合器和变压器已经为医疗系统形成了多种多样的隔离电路方案。然而随着技术的发展,更小、更可靠和高性能隔离器件出现了,如单封装、多通道数字隔离器、AC电流感应器和隔离栅驱动器。这些隔离产品采用主流CMOS技术,与传统方案相比,提供显著的优势,仅为光耦合器失效率的1/10,COMS隔离产品是众多电子医疗系统的理想选择。
