AKM 公司的AK4223是高性能低功耗音频6:2和视频6:2开关,采用差分输入电路,音视频可分开。音频部分有差分输入电路,音频LPF和odB/-6dB增益放大器,S/(N+D)为90dB,动态范围94dB;视频部分包括输入箝位电路,6dB放大器和视频驱动器,信噪比65dB, 主要用在汽车AV系统" title="AV系统">AV系统和汽车导航系统" title="汽车导航系统">汽车导航系统。本文介绍了AK4223主要特性,方框图,典型连接图以及评估板AKD4223-A主要功能,方框图,电路图和元件布局图。
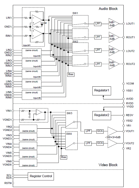
The AK4223 is an AV switch with 6:2 audio and 6:2 video switches. High performances with low power consumption are achieved by CMOS process. Integrated differential input circuits in audio and video blocks can separate the external ground noise. In audio block, a differential input circuit, audio LPF and 0dB/-6dB gain amplifier are integrated eliminating the needs for external LPF for audio outputs. In video block, an input clamp circuit, 6dB amplifier and video driver are integrated, and they also eliminate the need for external circuits. The AK4223 is offered in a space saving small 48-pin LQFP package, ideal for car navigation applications.
AK4223主要特性:
1. Audio Section
• Selector with 6 inputs and 2 outputs
• Differential Input Circuit for Ground Noise Canceling
• LPF Circuit for Audio signals
• Output Gain Control: 0dB ∼ - 6dB, -1dB Step
• S/(N+D): 90dB (@0dBV)
• Dynamic Range: 94dB
• Channel-Independent Mute Function
2. Video Section
• Selector with 6 inputs and 2 outputs
• Six Composite Signal Inputs
• On-Chip Sync-tip Clamp Circuit
• Video Drivers for Composite Signal Output (+6dB/+3dB/0dB/-3dB)
• Output Gain Control: -1dB ∼ +1dB, 0.1dB Step
• LPF Circuit for Video signals (Bandwidth: 6MHz)
• S/N: 65dB
• Channel-Independent Mute Function
3. Control Section
• Serial μP I/F (I2C)
4. Power Supply: 7.5V ∼ 9.5V
5. Ta = -40 ∼ 85℃
6. Package: 48pin LQFP

图1。AK4223 方框图

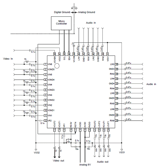
图2。AK4223 典型连接图
评估板AKD4223-A
AKD4223-A is an evaluation board for AK4223 that has various 6:2 audio and 6:2 video switches. This board can achieve the interface with AV systems via RCA connectors.
评估板AKD4223-A功能:
• RCA connectors for analog audio: 6 inputs 2 outputs
• RCA connectors for video: 6 inputs, 2 outputs
• 10-pin header for I2C serial control

图3。评估板AKD4223-A方框图

图4。评估板AKD4223-A电路图(1)

图5。评估板AKD4223-A电路图(2)

图6。评估板AKD4223-A电路图(3)

图7。评估板AKD4223-A元件布局图
详情请见:
http://www.asahi-kasei.co.jp/akm/en/product/ak4223/ak4223_f00e.pdf
和
http://www.asahi-kasei.co.jp/akm/en/product/ak4223/akd4223-a2-02e.pdf
