Freescale 公司的MC9S12XHY系列是16位微控制器,具有高性能的32位特性, CPU12XV1 CPU内核具有高达40MHz总线频率,支持CAN和LIN/J2602通信,并提供多达4个步进马达控制以及40x4 LCD驱动器,带ECC特性的多达245KB片上闪存和8KB数据闪存,12KB片上SRAM等功能.目标用在低端仪表盘,汽车HVAC步进马达以及汽车音频系统.本文介绍了MC9S12XHY256" title="MC9S12XHY256">MC9S12XHY256主要特性,方框图,以及DEMO9S12XHY256演示板主要特性和电路图.
The MC9S12XHY family is an optimized, automotive, 16-bit microcontroller product line focused on low-cost and high-performance. This family is intended to bridge from low-end 16-bit microcontrollers, such as MC9S12HY family, to high performance 32-bit solutions. The MC9S12XHY family is targeted at the lower end of automotive instrument cluster applications, it includes support for CAN and LIN/J2602 communication and delivers typical cluster requirements such as stepper motor control with stepper stall detection (SSD) and LCD Driver.
The MC9S12XHY family delivers all the advantages and efficiencies of a 16-bit MCU" title="MCU">MCU while retaining the low cost, power consumption, EMC, and code-size efficiency advantages currently enjoyed by users of Freescale’s existing 8-bit and 16-bit MCU families. Like the MC9S12HY family, the MC9S12XHY family will run 16-bit wide accesses without wait states for all peripherals and memories. The MC9S12XHY family will be available in 100-pin LQFP and 112-pin LQFP package options and aims to maximize pin compatibility with the MC9S12HY family in the 100 LQFP. In addition to the I/O ports available in each module, further I/O ports are available with interrupt capability allowing wake-up from stop or wait modes.
MC9S12XHY256主要特性:
CPU12XV1 CPU core, with up to 40Mhz bus frequency
Up to 256 Kbyte on-chip flash with ECC and 8Kbyte data flash with ECC.
Up to 12Kbyte on-chip SRAM
Up to 40x4 LCD driver
Stepper Motor Controller with up to drivers for up to 4 motors, plus four Stepper Stall Detector modules (one for each motor)
Phase locked loop (IPLL) frequency multiplier with internal filter, supporting 4–16 MHz amplitude controlled Pierce oscillator
Pulse width modulation (PWM) module and Two timer modules (TIM0 and TIM1)
Up to 12-channel, 10-bit resolution successive approximation analog-to-digital converter (ATD)
serial peripheral interface (SPI) module and Inter-IC bus interface (IIC) module
Two serial communication interface (SCI) module supporting LIN communications
Two multi-scalable controller area network (MSCAN) module (supporting CAN protocol 2.0A/B)
On-chip voltage regulator (VREG) for regulation of input supply and all internal voltages
Autonomous periodic interrupt (API) and up to 25 key wakup inputs
MC9S12XHY256目标应用:
Low end instrument cluster
Automotive HVAC stepper motor based actuator control
Automotive Audio system

图1. MC9S12XHY系列方框图
DEMO9S12XHY256演示板
The DEMO9S12XHY256 is a demonstration board for the MC9S12XHY256 microcontroller. Application development is quick and easy with the integrated USB-BDM, sample software tools, and examples. An optional BDM_PORT port is also provided to allow use of a BDM_PORT cable. A 40-pin connector provides access to most IO signals on the target MCU.
DEMO9S12XHY256演示板主要特性:
On-Board 4x40 Custom LCD Glass
2 ea. High-Speed CAN Physical Layer Transceivers
Enhanced LIN Physical Layer Transceiver
RS-232 Serial Data Physical Layer Transceiver
Integrated USB-BDM. BDM_PORT header for external BDM cable support
MCU_PORT pin header for access to MCU IO signals
On-board +5V regulator
Optional Power from USB-BDM or MCU_PORT connector
Power Input Selection Jumpers, select from USB-BDM, on-board regulator, Connector J1. Optional Power output through Connector J1
User Components Provided, including 5 Push Switches, 6 LED Indicators, 5K ohm POT w /LP Filter
User Option Jumpers to disconnect Peripherals
Connectors, including 40-pin MCU I/O Pin Header, Barrel Connector, BDM_PORT Connector for External BDM Cable, USB/DB9/CAN cable/LIN cable Connector
DEMO9S12XHY256演示板包括:
DEMO9S12XHY256 Demo Board
DEMO9S12XHY256 user guide
"Quick Start Guide" sheet
a USB cable
a RS232 SERIAL cable
CodeWarriorTM Development Studio Special Edition CD-ROM
AXIOM 68HC12 development System support CD-ROM
Warranty card
Technical Information Center sheet

图2.DEMO9S12XHY256演示板外形图

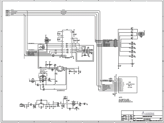
图3.DEMO9S12XHY256演示板电路图(1)

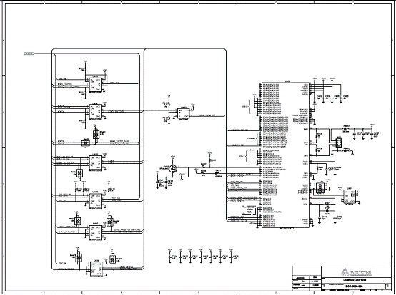
图4.DEMO9S12XHY256演示板电路图(2)

图5.DEMO9S12XHY256演示板电路图(3)
详情请见:
http://cache.freescale.com/files/microcontrollers/doc/ref_manual/MC9S12XHY256RMV1.pdf?fpsp=1&WT_TYPE=Reference%20Manuals&WT_VENDOR=FREESCALE&WT_FILE_FORMAT=pdf&WT_ASSET=Documentation
和
http://cache.freescale.com/files/microcontrollers/hardware_tools/schematics/DEMO9S12XHY256_SCH.pdf?fpsp=1
