由于瓦斯气体本身的危险性和对人民生产生活造成的巨大危害,因此对瓦斯气体的检测和报警是一项必要的工作。瓦斯报警是指利用气体传感器技术,将检测到的瓦斯气体浓度和标准值进行比较,当高过一定浓度值时候进行相应的声光报警,提醒正在作业的人员进行相应的处理,组织人员撤离或对矿井通风排气,避免不安全事故的发生,对现在采矿业的安全起着非常重要的作用。笔者所设计一种低成本的可燃性气体报警器设计,能够监控矿井的瓦斯气体的浓度,显示测量结果,并对当前的环境状态做出判断,发出报警信息。
当前,随着采矿技术的不断发展,井下作业的安全越来越有保障,但是仍然有许多采矿企业的机械化程度低,对现场采矿的工作人员的生命安全造成潜在的威胁,特别是针对瓦斯气体的检测和报警仍旧存在隐患,每年由于瓦斯泄露造成的特大事故依然很多。瓦斯是在成煤过程中形成并大量储存与煤层之中的气体,是煤矿井下危害最大的气体。瓦斯是一种无色无味的气体,主要成份是甲烷(CH4),密度为0.716kg/m3,对人体的危害是超时限能引起人窒息死亡。在地下采矿时候,井内常常会泄露一定量的CH4、CO和SO2等气体,后一种含量少,切易溶于水。经煤矿开采时的喷水处理后变成酸。但前两种气体含量多,且几乎不容于水,属于易燃易爆气体。
系统功能设计
系统设计
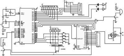
本设计的瓦斯气体报警器由六个部分组成:传感器、LCD显示器、声光报警器、控制电路、A/D转换和电源模块,传感器部分采用的气体传感器能感知环境中某种气体并将与气体种类和浓度有关的信息转换成电信号。这种电信号是连续变化的模拟信号需要经过A/D转换将其转化离散的数字信号。控制电路以单片机为核心,能够对采集的数字信号进行处理和判断,运用一定的算法计算出待检测气体成分及浓度并送到LCD显示器显示出来。当检测气体浓度超出设定报警阀值时给出声光报警。本系统可以对检测的数据和设定的阀值参数进行存储并自备电源。系统框图如图1所示。

图1总体功能框图
根据使用环境对产品设计的便携型要求,控制电路的核心元件采用了AT89LV51低电压单片机,传感器采用MQ5气体传感器,为减少单片机端口的占用和进一步扩展其它功能A/D转换部分采用TI公司的TLC1543,LCD显示采用的是dm12232f,A/D转换和LCD都是通过串行方式与单片机相连接,声光报警器电路使用的是蜂鸣器和发光二极管进行报警,这种设计可以满足不同场合的应用,测试结果稳定可靠,10位TLC1543的A/D转换芯片能够满足系统测量的精度要求。系统电路如图2所示。

图2系统电路图
系统采用AT89LV51单片机作为控制部分的核心,AT89LV51是ATMEL公司生产的低电压,高性能CMOS8位单片机,片内含4Kbytes的可反复擦写的只读程序存储器(PEROM)和128bytes的随机存储器(RAM),兼容标准MCS-51指令系统,片内置通用8位中央处理器(CPU)和Flash存储单元,AT89LV51可在2.7~6.0V电源电压下工作。A/D转换部分的核心器件TLC1543有三个控制输入端CS、I/OCLOCK、ADDRESS和一个数据输出端DATAOUT遵循串行外设接口SPI协议。51系列单片机未内置SPI接口,但通过软件模拟SPI协议即可。硬件方面将TLC1543的CS、I/OCLOCK、ADDRESS、DATAOUT、EOC五个端口与AT89LV51的5个I/O口相连接。报警模块单独采用了蜂鸣器作为声音报警装置,提醒使用人员当前的气体浓度已经超过了警戒线,应该立即停止工作,进行相应的处理,避免危险发生。它和液晶显示器的配合使用,可以有效地提醒工作人员身边的工作环境,帮助工作人员提高安全警惕。在报警模块的电路中当P0.7口的电平是低电平时候,三极管截止;当P0.7口电平为高时候,三极管导通,蜂鸣器产生报警声音。
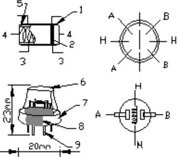
本设计中,由于瓦斯气体的主要成分是甲烷,所以气体传感器采用的是MQ-5,它适用于家庭或工业上对液化气,甲烷(天然气),煤气的监测装置。它具有优良的抗乙醇,烟雾干扰能力,具有对液化气,天然气,城市煤气有较好的灵敏度;对乙醇,烟雾几乎不响应;快速的响应恢复特性;长期的使用寿命和可靠的稳定性;简单的测试电路等优点。其结构和外形如图3所示。

图3 MQ-5的结构和外形
MQ-5气敏元件的结构和外形如图3所示(结构A或B),由微型AL2O3陶瓷管、SnO2敏感层,测量电极和加热器构成的敏感元件固定在塑料或不锈钢制成的腔体内,加热器为气敏元件提供了必要的工作条件。封装好的气敏元件有6只针状管脚,其中4个用于信号取出,2个用于提供加热电流。
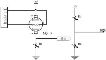
设计中MQ-5的接线如图4所示,在实际的测量中,可以按照其等效电路来计算相应的校正数值,其中Ro表示的是测量气体在腔体内的等效电阻,RL是外接负载电阻,用来调整输出的模拟量电压范围,具体数值应根据A/D转换器的输入范围来确定,在TLC1543的输入范围是0~5V,这样RL可调整至该范围,保证测量的量程足够用。

图4 MQ-5的等效电路
气体测试结果计算
对于传感器的调整参数计算,可按照表1步骤并结合该传感器的特性表进行调整。

表1甲烷测试计算
其中:RL=20KΩ;Ro=14.43KΩ;C=86;RL—负载电阻;Ro—敏感体电阻;C—常数,调整显示范围。
在灵敏度调整过程中,由于MQ-5型气敏元件对不同种类,不同浓度的气体有不同的电阻值。因此,在使用此类型气敏元件时,灵敏度的调整是很重要的,建议用1000ppm异丁烷或氢气校准传感器。
本设计考虑携带方便,而且实用的报警器,成品可以很方便的嵌入在矿灯内部,设计成本廉价。基于单片机矿灯用的智能瓦斯报警器设计在硬件的选择上留有空间,在增加相关硬件同时,软件部分只需改动很少的部分就可实现其它功能,使系统功能更加完善。A/D转换器是11通道的,可以扩展其他传感器,如矿井内的温度和湿度进行监测的传感器。并且系统可以扩展无线发射模块,将检测的信息及时地发到安全控制中心,在配合其它矿井内的安全监控设备更好的确保井下作业的安全。
