作 者:江西赛维LDK高科技有限公司 杨自会
引言
江西赛维ldk太阳能高科技有限公司为了提高市场竞争力,增强经济效益,在国内率先引进了应用材料公司的maxedge线锯。该机自动化程度高,其电气控制系统采用德国amk伺服驱动控制器,较好的满足了切片工艺的要求。
amk伺服控制器的特点
amk作为全数字交流伺服控制器,主要完成定位扫描、速度控制、闭环位置控制、电机编码器赋值与监测、信号追踪、故障诊断、故障冗余以及通过总线保持与控制面板的信 号、数据信息传递等功能。ke/kw系列单元主要特点如下:
(1)ke/kw系列单元由电源模块和用于控制伺服电机(功率最大可达100kva)的驱动模块组成。
(2)接有可再生制动的电源模块ke产生用于kw模块的直流电压。
(3)采用igbt pwm方式控制的kw模块具有扭矩控制,位置控制以及速度控制等功能。其逆变器单元把来自dc-bus的直流电逆变成交流电供电机使用,并且通过直接对电机编码器反馈信号采样来控制电机在4象限内精确运行,具有高动态响应性。
(4)ke/kw可以组成acc总线网络,并且可以通过不同总线实现更高级别的控制。
(5)任选控制卡可以扩展系统,比如用于驱动命令的2进制i/o接口,用于现场总线和plc编程功能的接口。
(6)kwd模块内含两个独立的kw驱动模块,为控制小功率电机提供了一种性价比高的手段。
hct maxedge线锯工作原理和amk驱动控制系统硬件组成
hct maxedge线锯(如图1所示)的核心是在研磨浆配合下用于完成切割动作的超细高强度钢线。钢线相互平行的缠绕在a、b、c、d4个导轮上形成一个水平的切割线网。马达驱动4个导轮使整个切割线网以一定的速度移动。线网的速度、直线运动或来回运动都会在整个切割过程中根据硅块的形状进行调整。在切割线运动过程中,喷嘴会持续向切割线网喷射含有悬浮碳化硅颗粒的研磨浆。
硅块被固定于工作台上,通常一次8块(满载)或者4块(半载)。工作台垂直通过运动的切割线网,使硅块被切割成硅片。切割原理看似非常简单,但是实际操作过程中有很多挑战。线切割机必须精确平衡和控制切割线直径、切割速度和总的切割面积,从而在硅片不破碎的情况下,取得一致的硅片厚度,并缩短切割时间。
由于maxedge线锯采用了双线网管理系统,拥有4个独立控制的驱动马达分别控制a、b、c、d4个导轮,所以需要两套放线、收线以及排线装置。放线轮、收线轮马达上装有刹车装置,意外断线时可以及时停车。上、下工作台可以独立控制也可以同时控制。
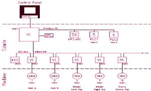
根据分析maxedge线锯驱动系统硬件大致由2个kes120模块、8个kw模块(分别控制4个绕线轮、4个导轮)、3个kwd模块(分别控制左上、下排线轮,右上、下排线轮,上下工作台)和伺服电机组成。控制面板和plc1、plc2以及安全继电器xps-mc之间采用profibus通信。驱动控制系统框图如图2所示。
线路连接
为保证伺服驱动器的安全可靠工作,同时减少谐波对plc,特别是对模拟量信号的干扰,控制器的主回路必须按照电气工艺要求连接相关设备。ke模块进线侧安装有断路器、保险、滤波器、电抗器,和接触器。

图1 hct maxedge线锯

图2

图3
amk驱动器参数设定
amk的kw或者kwd模块作为eathercat总线的从站,接受通过总线传来的点动、启动、停止、加速、减速等命令并执行。其系统参数、电机参数、位置参数、扭矩参数等由操作面板直接赋值或者由软件设定。8个kw模块的地址从10-17,由模块上的s1、s2两个16进制的dip开关设定,3个kwd模块的地址通过软件设定。如id no 32800参数为主操作模式,id no 82、83为转矩(扭矩)参数,id no38、39为速度参数。kw、ke和kwd模块的参数在 maxedge线锯出厂时已经固化在软件中。当驱动器运行出现异常时,可以进入触摸屏电脑删除d盘下的scratch文件或者用数据恢复光盘重装系统,即可对相应的驱动器自动检测下载设定参数,避免了手动输入的繁琐。
结束语
自hct maxedge线锯在ldk投产以来,amk伺服驱动器在切片生产中表现良好,满足了切片生产工艺和机械设备的要求,确保了硅片生产的产量和良品率,提高了生产效率。
作者简介
杨自会 男 助理工程师,目前从事切片设备的维修与维护。
参考文献(略)
