随着信息技术的迅速发展,无线远程监控技术得到了越来越广泛的应用,采用先进的GPRS" title="GPRS">GPRS技术的无线监控管理系统,集计算机、通信、机电、自动控制等多种先进技术于一体,成功实现了对无线分布式系统的实时监控管理和灵活部署。
解决了传统控制由于没有通讯功能,而无法实现集中监控的问题,以及没有或无法解决实时大数据量处理的问题。因此移动终端的设计也逐渐倍受关注。
本文提及的MC35i" title="MC35i">MC35i模块属于无线通讯核心模块,是结合语音、数据传输、简讯服务及传真等功能的高科技产品。此模块功能强大,利用此无线模块的通讯产品便能够很好地在客户端进行系统整合的规划。目前该无线模块的应用领域比较广泛,主要包括:
(1)移动应用,如个人数字助理、智能型手机、上网板、及笔记型计算机;
(2)交通运输,如卫星定位系统、交通控制系统、车队管理系统、汽车保安系统等;
(3)工业用途,如无线公用电话、无线远程监控系统、远程仪器电表传讯等。
文中所述的设计结合单片机或者ARM" title="ARM">ARM嵌入式控制可以完成GPRS数据流传输短消息收发、语音传输、与Pc机进行数据传输等功能,已应用在基于GPRS数据传输的电力线监控系统中。
1 MC35i模块
MC35i是Siemens公司推出的新一代无线通信GPRS模块,可以快速安全可靠地实现系统方案中的数据、语音传输、短消息服务 (Short Message Service)和传真。模块的工作电压为3.3~4.8 V,可以工作在900 MHz和1800 MHz两个频段,所在频段功耗分别为2W(900 M)和1W(1800 M)。
该模块包括了前期版本TC35的所有功能,同时新增加了快速的GPRS技术,采用GPRS分时复用的CLASS 8标准,具有始终在线的功能且理论上传输速率最高可达171.2 kb/s,通信传输时延较小,最长不超过3s。
模块有AT命令集接口,支持文本和PDU模式的短消息、第三组的二类传真、以及2.4k,4.8k,9.6k的非透明模式。此外,该模块还具有电话簿功能、多方通话,漫游检测功能,常用工作模式有省电模式、IDLE、TALK等模式。
通过独特的40引脚的ZIF连接器,实现电源连接、指令、数据、语音信号、及控制信号的双向传输。通过ZIF连接器及50Ω天线连接器,可分别连接SIM" title="SIM">SIM卡支架和天线。
MC35i模块主要由GSM基带处理" title="基带处理">基带处理器、GSM射频模块、供电模块(ASIC)、闪存、ZIF连接器、天线接口六部分组成。作为MC35i的核心,基带处理器主要处理GSM终端内的语音、数据信号,并涵盖了蜂窝射频设备中的所有的模拟和数字功能。在不需要额外硬件电路的前提下,可支持FR、HR 和EFR语音信道编码。具体结构可参考图1。

图1 MC35i功能框图
2 外围应用电路
MC35i模块的正常运行需要相应的外围电路与其配合。MC35i共有40个引脚,通过ZIF连接器分别与电源电路、启动与关机电路、数据通信电路、语音通信电路、SIM卡电路、指示灯电路等连接。
(1)启动电路
启动电路由开漏极三极管和上电复位电路组成。模块上电10 ms后(电池电压须大于3 V),为使之正常工作,必须在15脚(/IGT)加时长至少为100ms的低电平信号,且该信号下降沿时间小于1 ms。启动后,15脚的信号应保持高电平。如2图所示,为启动电路产生的信号,从中可以看出10 m8的延时和100 ms的低电平。

图2 启动信号下降沿
根据上面的分析,设计启动部分的参考电路如下:

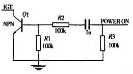
图3 启动电路
如图3所示,当Power ON脚电压由低变高时,电容C1被充电左负右正。电流方向为逆时针方向,此时电阻R1的电压上正下负(当UR1≥0.7 V时)使Q1的发射结正偏,晶体管处于导通状态,IGT脚处于低电平。当POWER ON脚电压由高变低时。电容C1开始放电,此时电阻R1的电压上负下正使Q1的发射结反偏,晶体管截止,IGT脚处于高电平。
显然IGT脚在 POWERON脚电压由低变高时处于低电平,GPRS模块开机。根据引脚要求IGT脚电平在处于下降沿并保持低电平100 ms≤t≤1s后跳到高电平。所以这里对C1的容值,R1、R2、R3的阻值就有要求了,这时需要调整C1的电容值,R1、R2的阻值以满足开机条件。
为了方便说明,模块开机电路电路图可以简化如下:如图4所示,开关由a投向b,并在t=0前开关与a端相连时间足够长达到稳态,即Uc(0-)=0。由于电容电压不能跳变,在开关投到b的瞬间,电容电压仍为零。即C(0+)=0。且t≥0时RC电路与电源相接,因此可以认为是求零状态响应的问题。

图4 启动电路简介图
当开关投向b后电容电压从零值开始充电,电压逐渐上升,最后应趋于稳态值 。稳态值是根据“电容相当于开路”而确定为Us的。根据这样的考虑,得出:

电容上的电压上升,而电阻上的电压逐渐下降,当R1上的电压降到0.7 V时,三极管将截止,因而要算出R1的电压降到0.7 V时的时间。
UR1=i(t)×R1 (2)
由式1,2得:0.7= 5/(200×103)e-1/200×200×103。解得:t=255 ms。其中:r=R总×C+;R总=R1+R2=200Ω ;r=R总×C+=200×103 ×106=200 ms。可知100 ms≤255 ms≤1s符合系统要求。
(2)数据通信电路
数据通信电路主要完成GPRS数据流传输、短消息收发、与PC机通信、软件流控制等功能。MC35i的数据接口采用串行异步收发,符合 ITU.T RS.232接口电路标准,工作在CMOS电平(2.65 V)。
数据接口配置为8位数据位、1位停止位、无校验位,可以在300 bps-115 kbps的波特率下运行,支持的自动波特率为4.8 kbps—115 kbps(14.4 kbps和28.8 kbps除外)。MC35i模块还支持RTS0/CTS0的硬件握手和XON/XOFF的软件流控制。
数据通信电路以MAXIM公司的MAX3238" title="MAX3238">MAX3238芯片为核心,实现电平转换及串口通信功能。MAX3238芯片供电电压为3-5.5 V,符合TIA/EIA-232-F和ITUv.28标准。具有独特的±15 KV人体静电保护措施,兼容5 v逻辑输入,内含3路接收、5路发送串行通信接口,最大数据传输速率可达250 kbps。
该芯片的最大特点是,在串行口无数据输入的情况下,可以灵活的进行电源管理,即当FORCEON为低电平、/FORCEOFF为高电平时,Auto-Powerdown Plus功能有效。在正常运行模式下,约30秒时间内若芯片在接收和发送引脚没有检测到有效信号,将自动进入Powerdown模式,此时耗电1uA。
如果FORCEON和/FORCEOFF引脚均为高电平,那么Auto-Powerdown Plus功能失效。在Auto-Powerdown Plus功能有效的时,如果检测到接收或发送引脚有信号输入,该芯片自动被激活,转入正常工作状态。
如果任一接收通道的输入电压高于2.7 V或小于-2.7 V,或者位于-0.3 V~0.3 V的时间小于30 us,则/INVALID(15脚)引脚为高电平(数据有效)。如果所有接收通道的输入电压位于-0.3 V~0.3 V的时间大于30 uS,则/INVALID(15脚)引脚为低电平(数据无效)。
该芯片的以上特性,满足了MC35i作为移动终端的3路接收、5路发送电路连接要求。在MAX3238与ZIF连接器相应引脚连接时,要注意发送、接收引脚连接正确。MAX3238还需要连接4个0.1uF的电容配合,才能完成电平转换功能。
MC35i模块通过RS-232接口各引脚输出的信号有RXD、 CTS、DSR、DCD、RING,输入的信号为TXD、RTS、DTR。
由于MC35i的接口电路使用了9针串口的全部引脚,使MC35i可以获得DTR、DSR、DCD和RING控制信号。信号RING用来向蜂窝设备指示接收到Unsolicited Result Code(URC)。通过AT指令,可以设置MC35i的不同运行模式。
(3)语音通信电路
由于MC35i的GSM基带处理器内集成了音频滤波、ADC、DAC、语音合成等部分,所以模块语音接口的外围电路连接相对简单。MC35i有两个语音接口,每个接口均有模拟麦克输入和模拟耳机输出。为了适合不同的外设,模块共有6种语音模式,可通过指令AT^SNFS选择。
第一个语音接口的默认配置为 Votronic HH-SI-30.3/V1.1/0手持话筒,语音模式为1(默认)、4、5,其中模式1参数固定。第二个语音接口为头戴式耳机和麦克设置,语音模式为 2、3、6。
为了防止从麦克风和耳机导线引入高频干扰,影响MC35i的正常运行。设计电路时,在麦克风、耳机、以及手持听筒的插孔处都接有电感。此外,考虑到静电保护的因素,所有语音信号输入端都通过电容与GND耦合。
(4)SIM卡电路
基带处理器集成了一个与ISO 7816-3 IC Card标准兼容的SIM接口。为了适合外部的SIM接口,该接口连接到主接口(ZIF连接器)。在GSM11.11为SIM卡预留5个引脚的基础上,MC35i在ZIF连接器上为SIM卡接口预留了6个引脚,所添加的CCIN引脚用来检测SIM卡支架中是否插有SIM卡。
当插入SIM卡,该引脚置为高电平,系统方可进入正常工作状态。但是目前移动运营商所提供的SIM卡均无CCIN引脚,所以在设计电路时将引脚CCIN与CCVCC相连。
在设计中为SIM卡布线时,发现了一个值得引起注意问题:如果将SIM卡的第四脚CCGND直接与印刷电路板的GND相连,不作任何信号的隔离保护,则通话时音量很小。
考虑到设计中的电磁兼容和静电保护等因素,为了达到最佳的通话效果,采用在SIM支架下,即印刷电路板的顶层敷设一层铜隔离网,该层敷铜与 SIM卡的CCGND引脚相连,CCGND和电路板的GND之间通过两个并联的电容和电感耦合。
这样为SIM卡构成了一个隔离地,屏蔽了其他信号线对 SIM卡的干扰。再进行语音通话时,话音清晰。
3 结束语
由Siemens公司的GPRS模块MC35i及其外围电路构成的移动终端,可以很好的完成短消息收发、GPRS数据传输和语音通信。利用该移动终端结合三星的S3C44B0X ARM开发板进行控制很好地实现了对远程电力线的实时监控。
