摘要 :采用SIEMENS—3RW22系列电子式软起动器" title="软起动器">软起动器" title="软起动器">软起动器" title="软起动器">软起动器" title="软起动器">软起动器" title="软起动器">软起动器" title="软起动器">软起动器" title="软起动器">软起动器" title="软起动器">软起动器" title="软起动器">软起动器" title="软起动器">软起动器" title="软起动器">软起动器" title="软起动器">软起动器" title="软起动器">软起动器" title="软起动器">软起动器" title="软起动器">软起动器" title="软起动器">软起动器" title="软起动器">软起动器" title="软起动器">软起动器" title="软起动器">软起动器" title="软起动器">软起动器" title="软起动器">软起动器" title="软起动器">软起动器" title="软起动器">软起动器" title="软起动器">软起动器" title="软起动器">软起动器" title="软起动器">软起动器" title="软起动器">软起动器" title="软起动器">软起动器" title="软起动器">软起动器" title="软起动器">软起动器" title="软起动器">软起动器" title="软起动器">软起动器" title="软起动器">软起动器" title="软起动器">软起动器" title="软起动器">软起动器" title="软起动器">软起动器" title="软起动器">软起动器" title="软起动器">软起动器" title="软起动器">软起动器" title="软起动器">软起动器" title="软起动器">软起动器" title="软起动器">软起动器" title="软起动器">软起动器" title="软起动器">软起动器" title="软起动器">软起动器" title="软起动器">软起动器" title="软起动器">软起动器" title="软起动器">软起动器" title="软起动器">软起动器" title="软起动器">软起动器" title="软起动器">软起动器" title="软起动器">软起动器" title="软起动器">软起动器" title="软起动器">软起动器" title="软起动器">软起动器" title="软起动器">软起动器" title="软起动器">软起动器" title="软起动器">软起动器" title="软起动器">软起动器" title="软起动器">软起动器" title="软起动器">软起动器" title="软起动器">软起动器" title="软起动器">软起动器" title="软起动器">软起动器" title="软起动器">软起动器" title="软起动器">软起动器" title="软起动器">软起动器" title="软起动器">软起动器" title="软起动器">软起动器" title="软起动器">软起动器" title="软起动器">软起动器" title="软起动器">软起动器" title="软起动器">软起动器" title="软起动器">软起动器" title="软起动器">软起动器" title="软起动器">软起动器" title="软起动器">软起动器" title="软起动器">软起动器" title="软起动器">软起动器" title="软起动器">软起动器" title="软起动器">软起动器" title="软起动器">软起动器" title="软起动器">软起动器" title="软起动器">软起动器" title="软起动器">软起动器" title="软起动器">软起动器" title="软起动器">软起动器" title="软起动器">软起动器" title="软起动器">软起动器" title="软起动器">软起动器" title="软起动器">软起动器" title="软起动器">软起动器" title="软起动器">软起动器" title="软起动器">软起动器" title="软起动器">软起动器" title="软起动器">软起动器" title="软起动器">软起动器" title="软起动器">软起动器" title="软起动器">软起动器" title="软起动器">软起动器" title="软起动器">软起动器" title="软起动器">软起动器" title="软起动器">软起动器" title="软起动器">软起动器" title="软起动器">软起动器" title="软起动器">软起动器" title="软起动器">软起动器" title="软起动器">软起动器" title="软起动器">软起动器" title="软起动器">软起动器" title="软起动器">软起动器" title="软起动器">软起动器" title="软起动器">软起动器" title="软起动器">软起动器" title="软起动器">软起动器" title="软起动器">软起动器" title="软起动器">软起动器" title="软起动器">软起动器" title="软起动器">软起动器" title="软起动器">软起动器" title="软起动器">软起动器" title="软起动器">软起动器" title="软起动器">软起动器" title="软起动器">软起动器" title="软起动器">软起动器" title="软起动器">软起动器" title="软起动器">软起动器" title="软起动器">软起动器" title="软起动器">软起动器" title="软起动器">软起动器" title="软起动器">软起动器" title="软起动器">软起动器" title="软起动器">软起动器" title="软起动器">软起动器" title="软起动器">软起动器" title="软起动器">软起动器" title="软起动器">软起动器" title="软起动器">软起动器" title="软起动器">软起动器" title="软起动器">软起动器" title="软起动器">软起动器" title="软起动器">软起动器" title="软起动器">软起动器" title="软起动器">软起动器" title="软起动器">软起动器" title="软起动器">软起动器" title="软起动器">软起动器" title="软起动器">软起动器" title="软起动器">软起动器" title="软起动器">软起动器" title="软起动器">软起动器" title="软起动器">软起动器" title="软起动器">软起动器" title="软起动器">软起动器" title="软起动器">软起动器" title="软起动器">软起动器" title="软起动器">软起动器" title="软起动器">软起动器" title="软起动器">软起动器" title="软起动器">软起动器" title="软起动器">软起动器" title="软起动器">软起动器" title="软起动器">软起动器" title="软起动器">软起动器" title="软起动器">软起动器" title="软起动器">软起动器" title="软起动器">软起动器" title="软起动器">软起动器" title="软起动器">软起动器" title="软起动器">软起动器" title="软起动器">软起动器" title="软起动器">软起动器" title="软起动器">软起动器" title="软起动器">软起动器" title="软起动器">软起动器" title="软起动器">软起动器" title="软起动器">软起动器" title="软起动器">软起动器" title="软起动器">软起动器" title="软起动器">软起动器" title="软起动器">软起动器" title="软起动器">软起动器" title="软起动器">软起动器" title="软起动器">软起动器" title="软起动器">软起动器" title="软起动器">软起动器" title="软起动器">软起动器" title="软起动器">软起动器" title="软起动器">软起动器" title="软起动器">软起动器" title="软起动器">软起动器" title="软起动器">软起动器" title="软起动器">软起动器" title="软起动器">软起动器" title="软起动器">软起动器" title="软起动器">软起动器" title="软起动器">软起动器" title="软起动器">软起动器" title="软起动器">软起动器" title="软起动器">软起动器" title="软起动器">软起动器" title="软起动器">软起动器" title="软起动器">软起动器" title="软起动器">软起动器" title="软起动器">软起动器" title="软起动器">软起动器" title="软起动器">软起动器" title="软起动器">软起动器" title="软起动器">软起动器" title="软起动器">软起动器" title="软起动器">软起动器" title="软起动器">软起动器" title="软起动器">软起动器" title="软起动器">软起动器" title="软起动器">软起动器" title="软起动器">软起动器" title="软起动器">软起动器" title="软起动器">软起动器" title="软起动器">软起动器" title="软起动器">软起动器" title="软起动器">软起动器" title="软起动器">软起动器" title="软起动器">软起动器" title="软起动器">软起动器" title="软起动器">软起动器" title="软起动器">软起动器" title="软起动器">软起动器" title="软起动器">软起动器" title="软起动器">软起动器" title="软起动器">软起动器" title="软起动器">软起动器" title="软起动器">软起动器" title="软起动器">软起动器" title="软起动器">软起动器" title="软起动器">软起动器" title="软起动器">软起动器" title="软起动器">软起动器" title="软起动器">软起动器" title="软起动器">软起动器" title="软起动器">软起动器" title="软起动器">软起动器" title="软起动器">软起动器" title="软起动器">软起动器" title="软起动器">软起动器" title="软起动器">软起动器" title="软起动器">软起动器" title="软起动器">软起动器" title="软起动器">软起动器" title="软起动器">软起动器" title="软起动器">软起动器" title="软起动器">软起动器" title="软起动器">软起动器" title="软起动器">软起动器" title="软起动器">软起动器" title="软起动器">软起动器" title="软起动器">软起动器" title="软起动器">软起动器" title="软起动器">软起动器" title="软起动器">软起动器" title="软起动器">软起动器" title="软起动器">软起动器" title="软起动器">软起动器" title="软起动器">软起动器" title="软起动器">软起动器" title="软起动器">软起动器" title="软起动器">软起动器" title="软起动器">软起动器" title="软起动器">软起动器" title="软起动器">软起动器" title="软起动器">软起动器" title="软起动器">软起动器" title="软起动器">软起动器" title="软起动器">软起动器" title="软起动器">软起动器" title="软起动器">软起动器" title="软起动器">软起动器" title="软起动器">软起动器" title="软起动器">软起动器" title="软起动器">软起动器" title="软起动器">软起动器" title="软起动器">软起动器" title="软起动器">软起动器" title="软起动器">软起动器" title="软起动器">软起动器" title="软起动器">软起动器" title="软起动器">软起动器" title="软起动器">软起动器" title="软起动器">软起动器" title="软起动器">软起动器" title="软起动器">软起动器" title="软起动器">软起动器" title="软起动器">软起动器" title="软起动器">软起动器" title="软起动器">软起动器" title="软起动器">软起动器" title="软起动器">软起动器" title="软起动器">软起动器" title="软起动器">软起动器" title="软起动器">软起动器" title="软起动器">软起动器" title="软起动器">软起动器" title="软起动器">软起动器" title="软起动器">软起动器" title="软起动器">软起动器" title="软起动器">软起动器" title="软起动器">软起动器" title="软起动器">软起动器" title="软起动器">软起动器" title="软起动器">软起动器" title="软起动器">软起动器" title="软起动器">软起动器" title="软起动器">软起动器" title="软起动器">软起动器" title="软起动器">软起动器" title="软起动器">软起动器" title="软起动器">软起动器" title="软起动器">软起动器" title="软起动器">软起动器" title="软起动器">软起动器" title="软起动器">软起动器" title="软起动器">软起动器" title="软起动器">软起动器" title="软起动器">软起动器" title="软起动器">软起动器" title="软起动器">软起动器" title="软起动器">软起动器" title="软起动器">软起动器" title="软起动器">软起动器" title="软起动器">软起动器" title="软起动器">软起动器" title="软起动器">软起动器" title="软起动器">软起动器" title="软起动器">软起动器" title="软起动器">软起动器" title="软起动器">软起动器" title="软起动器">软起动器" title="软起动器">软起动器" title="软起动器">软起动器" title="软起动器">软起动器" title="软起动器">软起动器" title="软起动器">软起动器" title="软起动器">软起动器" title="软起动器">软起动器" title="软起动器">软起动器" title="软起动器">软起动器" title="软起动器">软起动器" title="软起动器">软起动器" title="软起动器">软起动器" title="软起动器">软起动器" title="软起动器">软起动器" title="软起动器">软起动器" title="软起动器">软起动器" title="软起动器">软起动器" title="软起动器">软起动器" title="软起动器">软起动器" title="软起动器">软起动器" title="软起动器">软起动器" title="软起动器">软起动器" title="软起动器">软起动器" title="软起动器">软起动器" title="软起动器">软起动器" title="软起动器">软起动器" title="软起动器">软起动器" title="软起动器">软起动器" title="软起动器">软起动器" title="软起动器">软起动器" title="软起动器">软起动器" title="软起动器">软起动器" title="软起动器">软起动器" title="软起动器">软起动器" title="软起动器">软起动器" title="软起动器">软起动器" title="软起动器">软起动器" title="软起动器">软起动器" title="软起动器">软起动器" title="软起动器">软起动器" title="软起动器">软起动器" title="软起动器">软起动器" title="软起动器">软起动器" title="软起动器">软起动器" title="软起动器">软起动器" title="软起动器">软起动器" title="软起动器">软起动器" title="软起动器">软起动器" title="软起动器">软起动器" title="软起动器">软起动器" title="软起动器">软起动器" title="软起动器">软起动器" title="软起动器">软起动器" title="软起动器">软起动器" title="软起动器">软起动器" title="软起动器">软起动器" title="软起动器">软起动器" title="软起动器">软起动器" title="软起动器">软起动器" title="软起动器">软起动器" title="软起动器">软起动器" title="软起动器">软起动器" title="软起动器">软起动器" title="软起动器">软起动器" title="软起动器">软起动器" title="软起动器">软起动器" title="软起动器">软起动器" title="软起动器">软起动器" title="软起动器">软起动器" title="软起动器">软起动器" title="软起动器">软起动器" title="软起动器">软起动器" title="软起动器">软起动器" title="软起动器">软起动器" title="软起动器">软起动器" title="软起动器">软起动器" title="软起动器">软起动器" title="软起动器">软起动器" title="软起动器">软起动器" title="软起动器">软起动器" title="软起动器">软起动器" title="软起动器">软起动器" title="软起动器">软起动器" title="软起动器">软起动器" title="软起动器">软起动器" title="软起动器">软起动器" title="软起动器">软起动器" title="软起动器">软起动器" title="软起动器">软起动器" title="软起动器">软起动器" title="软起动器">软起动器" title="软起动器">软起动器" title="软起动器">软起动器" title="软起动器">软起动器" title="软起动器">软起动器" title="软起动器">软起动器" title="软起动器">软起动器" title="软起动器">软起动器" title="软起动器">软起动器" title="软起动器">软起动器" title="软起动器">软起动器" title="软起动器">软起动器" title="软起动器">软起动器" title="软起动器">软起动器" title="软起动器">软起动器" title="软起动器">软起动器" title="软起动器">软起动器" title="软起动器">软起动器" title="软起动器">软起动器" title="软起动器">软起动器" title="软起动器">软起动器" title="软起动器">软起动器" title="软起动器">软起动器" title="软起动器">软起动器" title="软起动器">软起动器" title="软起动器">软起动器" title="软起动器">软起动器" title="软起动器">软起动器" title="软起动器">软起动器" title="软起动器">软起动器" title="软起动器">软起动器" title="软起动器">软起动器" title="软起动器">软起动器" title="软起动器">软起动器" title="软起动器">软起动器" title="软起动器">软起动器" title="软起动器">软起动器" title="软起动器">软起动器" title="软起动器">软起动器" title="软起动器">软起动器" title="软起动器">软起动器" title="软起动器">软起动器" title="软起动器">软起动器" title="软起动器">软起动器" title="软起动器">软起动器" title="软起动器">软起动器" title="软起动器">软起动器" title="软起动器">软起动器" title="软起动器">软起动器" title="软起动器">软起动器" title="软起动器">软起动器" title="软起动器">软起动器" title="软起动器">软起动器" title="软起动器">软起动器" title="软起动器">软起动器" title="软起动器">软起动器" title="软起动器">软起动器" title="软起动器">软起动器" title="软起动器">软起动器" title="软起动器">软起动器" title="软起动器">软起动器" title="软起动器">软起动器" title="软起动器">软起动器" title="软起动器">软起动器" title="软起动器">软起动器" title="软起动器">软起动器" title="软起动器">软起动器" title="软起动器">软起动器" title="软起动器">软起动器" title="软起动器">软起动器" title="软起动器">软起动器" title="软起动器">软起动器" title="软起动器">软起动器" title="软起动器">软起动器" title="软起动器">软起动器" title="软起动器">软起动器" title="软起动器">软起动器" title="软起动器">软起动器" title="软起动器">软起动器" title="软起动器">软起动器" title="软起动器">软起动器" title="软起动器">软起动器" title="软起动器">软起动器" title="软起动器">软起动器" title="软起动器">软起动器" title="软起动器">软起动器" title="软起动器">软起动器" title="软起动器">软起动器" title="软起动器">软起动器" title="软起动器">软起动器" title="软起动器">软起动器" title="软起动器">软起动器" title="软起动器">软起动器" title="软起动器">软起动器" title="软起动器">软起动器" title="软起动器">软起动器" title="软起动器">软起动器" title="软起动器">软起动器" title="软起动器">软起动器" title="软起动器">软起动器" title="软起动器">软起动器" title="软起动器">软起动器" title="软起动器">软起动器" title="软起动器">软起动器" title="软起动器">软起动器" title="软起动器">软起动器" title="软起动器">软起动器" title="软起动器">软起动器" title="软起动器">软起动器" title="软起动器">软起动器" title="软起动器">软起动器" title="软起动器">软起动器" title="软起动器">软起动器" title="软起动器">软起动器" title="软起动器">软起动器" title="软起动器">软起动器" title="软起动器">软起动器" title="软起动器">软起动器" title="软起动器">软起动器" title="软起动器">软起动器" title="软起动器">软起动器" title="软起动器">软起动器" title="软起动器">软起动器" title="软起动器">软起动器" title="软起动器">软起动器" title="软起动器">软起动器" title="软起动器">软起动器" title="软起动器">软起动器" title="软起动器">软起动器" title="软起动器">软起动器" title="软起动器">软起动器" title="软起动器">软起动器" title="软起动器">软起动器" title="软起动器">软起动器" title="软起动器">软起动器" title="软起动器">软起动器" title="软起动器">软起动器" title="软起动器">软起动器" title="软起动器">软起动器" title="软起动器">软起动器" title="软起动器">软起动器" title="软起动器">软起动器" title="软起动器">软起动器" title="软起动器">软起动器" title="软起动器">软起动器" title="软起动器">软起动器" title="软起动器">软起动器" title="软起动器">软起动器" title="软起动器">软起动器" title="软起动器">软起动器" title="软起动器">软起动器" title="软起动器">软起动器" title="软起动器">软起动器" title="软起动器">软起动器" title="软起动器">软起动器" title="软起动器">软起动器" title="软起动器">软起动器" title="软起动器">软起动器" title="软起动器">软起动器" title="软起动器">软起动器" title="软起动器">软起动器" title="软起动器">软起动器" title="软起动器">软起动器" title="软起动器">软起动器" title="软起动器">软起动器" title="软起动器">软起动器" title="软起动器">软起动器" title="软起动器">软起动器" title="软起动器">软起动器" title="软起动器">软起动器" title="软起动器">软起动器" title="软起动器">软起动器" title="软起动器">软起动器" title="软起动器">软起动器" title="软起动器">软起动器" title="软起动器">软起动器" title="软起动器">软起动器" title="软起动器">软起动器" title="软起动器">软起动器" title="软起动器">软起动器" title="软起动器">软起动器" title="软起动器">软起动器" title="软起动器">软起动器" title="软起动器">软起动器" title="软起动器">软起动器" title="软起动器">软起动器" title="软起动器">软起动器" title="软起动器">软起动器" title="软起动器">软起动器" title="软起动器">软起动器" title="软起动器">软起动器" title="软起动器">软起动器" title="软起动器">软起动器" title="软起动器">软起动器" title="软起动器">软起动器" title="软起动器">软起动器" title="软起动器">软起动器" title="软起动器">软起动器" title="软起动器">软起动器" title="软起动器">软起动器" title="软起动器">软起动器" title="软起动器">软起动器" title="软起动器">软起动器" title="软起动器">软起动器" title="软起动器">软起动器" title="软起动器">软起动器" title="软起动器">软起动器" title="软起动器">软起动器" title="软起动器">软起动器" title="软起动器">软起动器" title="软起动器">软起动器" title="软起动器">软起动器" title="软起动器">软起动器" title="软起动器">软起动器" title="软起动器">软起动器" title="软起动器">软起动器" title="软起动器">软起动器" title="软起动器">软起动器" title="软起动器">软起动器" title="软起动器">软起动器" title="软起动器">软起动器" title="软起动器">软起动器" title="软起动器">软起动器" title="软起动器">软起动器" title="软起动器">软起动器" title="软起动器">软起动器" title="软起动器">软起动器" title="软起动器">软起动器" title="软起动器">软起动器" title="软起动器">软起动器" title="软起动器">软起动器" title="软起动器">软起动器" title="软起动器">软起动器" title="软起动器">软起动器" title="软起动器">软起动器" title="软起动器">软起动器" title="软起动器">软起动器" title="软起动器">软起动器" title="软起动器">软起动器" title="软起动器">软起动器" title="软起动器">软起动器" title="软起动器">软起动器" title="软起动器">软起动器" title="软起动器">软起动器" title="软起动器">软起动器" title="软起动器">软起动器" title="软起动器">软起动器" title="软起动器">软起动器" title="软起动器">软起动器" title="软起动器">软起动器" title="软起动器">软起动器" title="软起动器">软起动器" title="软起动器">软起动器" title="软起动器">软起动器" title="软起动器">软起动器" title="软起动器">软起动器" title="软起动器">软起动器" title="软起动器">软起动器" title="软起动器">软起动器" title="软起动器">软起动器" title="软起动器">软起动器" title="软起动器">软起动器" title="软起动器">软起动器" title="软起动器">软起动器" title="软起动器">软起动器" title="软起动器">软起动器" title="软起动器">软起动器" title="软起动器">软起动器" title="软起动器">软起动器" title="软起动器">软起动器" title="软起动器">软起动器" title="软起动器">软起动器" title="软起动器">软起动器" title="软起动器">软起动器" title="软起动器">软起动器" title="软起动器">软起动器" title="软起动器">软起动器" title="软起动器">软起动器" title="软起动器">软起动器" title="软起动器">软起动器" title="软起动器">软起动器" title="软起动器">软起动器" title="软起动器">软起动器" title="软起动器">软起动器" title="软起动器">软起动器" title="软起动器">软起动器" title="软起动器">软起动器" title="软起动器">软起动器" title="软起动器">软起动器" title="软起动器">软起动器" title="软起动器">软起动器" title="软起动器">软起动器" title="软起动器">软起动器" title="软起动器">软起动器" title="软起动器">软起动器" title="软起动器">软起动器" title="软起动器">软起动器" title="软起动器">软起动器" title="软起动器">软起动器" title="软起动器">软起动器" title="软起动器">软起动器" title="软起动器">软起动器" title="软起动器">软起动器" title="软起动器">软起动器" title="软起动器">软起动器" title="软起动器">软起动器" title="软起动器">软起动器" title="软起动器">软起动器" title="软起动器">软起动器" title="软起动器">软起动器" title="软起动器">软起动器" title="软起动器">软起动器" title="软起动器">软起动器" title="软起动器">软起动器" title="软起动器">软起动器" title="软起动器">软起动器" title="软起动器">软起动器" title="软起动器">软起动器" title="软起动器">软起动器" title="软起动器">软起动器" title="软起动器">软起动器" title="软起动器">软起动器" title="软起动器">软起动器" title="软起动器">软起动器" title="软起动器">软起动器" title="软起动器">软起动器" title="软起动器">软起动器" title="软起动器">软起动器" title="软起动器">软起动器" title="软起动器">软起动器" title="软起动器">软起动器" title="软起动器">软起动器" title="软起动器">软起动器" title="软起动器">软起动器" title="软起动器">软起动器" title="软起动器">软起动器" title="软起动器">软起动器" title="软起动器">软起动器" title="软起动器">软起动器" title="软起动器">软起动器" title="软起动器">软起动器" title="软起动器">软起动器" title="软起动器">软起动器" title="软起动器">软起动器" title="软起动器">软起动器" title="软起动器">软起动器" title="软起动器">软起动器" title="软起动器">软起动器" title="软起动器">软起动器" title="软起动器">软起动器" title="软起动器">软起动器" title="软起动器">软起动器" title="软起动器">软起动器" title="软起动器">软起动器" title="软起动器">软起动器" title="软起动器">软起动器" title="软起动器">软起动器" title="软起动器">软起动器" title="软起动器">软起动器" title="软起动器">软起动器" title="软起动器">软起动器" title="软起动器">软起动器" title="软起动器">软起动器" title="软起动器">软起动器" title="软起动器">软起动器" title="软起动器">软起动器" title="软起动器">软起动器" title="软起动器">软起动器" title="软起动器">软起动器" title="软起动器">软起动器" title="软起动器">软起动器" title="软起动器">软起动器" title="软起动器">软起动器" title="软起动器">软起动器" title="软起动器">软起动器" title="软起动器">软起动器" title="软起动器">软起动器" title="软起动器">软起动器" title="软起动器">软起动器" title="软起动器">软起动器" title="软起动器">软起动器" title="软起动器">软起动器" title="软起动器">软起动器" title="软起动器">软起动器" title="软起动器">软起动器" title="软起动器">软起动器" title="软起动器">软起动器" title="软起动器">软起动器" title="软起动器">软起动器" title="软起动器">软起动器" title="软起动器">软起动器" title="软起动器">软起动器" title="软起动器">软起动器" title="软起动器">软起动器" title="软起动器">软起动器" title="软起动器">软起动器" title="软起动器">软起动器,对斗轮、悬臂皮带驱动机构电动机进行软起动控制,起动平稳、对供电系统无冲击。控制系统工作稳定。
英文摘要 :It is Smooth and Steady While Controlling the Motor of Cantilever Wheel Arm Gyral Machine by SIEMEN- 3RW22 Electronic Soft starter. It Does Not Have the Impact to the Power Supply System.
关键词: 斗轮堆取料机 软起动器 控制系统
1 引言
斗轮堆取料机是大型散装物料装卸机械,供电方式一般采用电缆卷筒或滑铝集电器,电压等级为AC380V 50Hz、三相四线制;如有条件采用高压电缆卷筒,电压等级为AC6kV 50Hz、三相三线向机上供电。在采用电缆卷筒或滑铝集电器,电压等级为AC380V 50Hz、三相四线供电系统中,其驱动机构中的斗轮与悬臂皮带机的驱动电机选用三相鼠笼异步电动机,功率较大,起动方式采用直接起动或自耦变压器减压起动,存在很多不足之处。采用直接起动,起动电流大,一般为电动机额定电流的4~8倍,造成供电电压显著下降,影响同一电源其它电气设备的正常运行;采用自耦变压器降压起动,起动过程中会出现二次冲击转矩和电流,不能带载起动,控制线路复杂,维护不便。采用软起动器起动,无冲击电流,可恒流起动,可自由地无级调压至最佳起动电流。
2 软起动器特性
(1) 使电动机起动电流以恒定的斜率平稳上升至设定值,对电网无冲击电流。
(2) 电动机在起动过程中保持恒流。确保电动机平稳起动,且不受电网电压的影响。这是由于在晶闸管移相触发电路中引入电动机电流反馈的缘故。当电网电压波动时,控制电路能自动改变晶闸管的导通角,从而使起动电流保持在原设定值。
(3) 起动电流上升速率可调,从而减轻电动机起动时转矩对负载的冲击。
(4) 起动时间可调。
3 软起动器控制
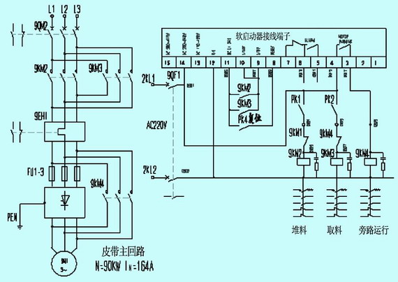
以DQL1000/1500.35型斗轮堆取料机为例,笔者选用SIEMENS—3RW22系列电子式软起动器,对斗轮、悬臂皮带驱动机构电动机进行软起动控制,斗轮机构驱动电机P=90kW、IN=164A,悬臂皮带机驱动电机P=90kW、IN=164A。供电系统采用滑铝集电器供电,上机电压为AC380V 50Hz、三相四线制。
悬臂皮带机控制如附图所示:电动机主回路由断路器9QM2,正反转控制接触器9KM2、9KM3,旁路运行接触器9KM4,热继电器9EH1、开云棋牌官网在线客服保护熔断器FU1-3,软起动器SIEMENS-3RW2236组成(斗轮驱动电机单向运行其控制原理与悬臂皮带机控制相同)。
控制信号由PLC继电器输出模块直接输出PK1、PK2,软起动器复位信号PK4;软起动器故障报警由端子5、6送出一无源常开点以及控制电源断路器9QM2,热继电器9EH1,控制电源保护断路器9QF1的辅助触点均送入PLC输入模块。控制及系统保护由PLC程序完成。
软起动器设置:
(1) 斜坡时间5s
(2) 起始电压60%UN
(3) 限流1.5~3IN
(4) 停车时间10s
(5) 设定控制功能为自由停车,起动加速检测

附图 皮带机驱动电机主回路及控制回路
PLC输出点PK1或PK2闭合,软起动器对悬臂皮带机驱动电动机进行软起动,当起动过程结束后,SIKOTART 3RW22中的晶闸管元件处于全导通状态。旁路接触器通过SIKOTART 3RW22内的“motor runuing”继电器接点闭合,在起动周期结束后2s内,旁路接触器必须闭合,否则,SIKOTART 3RW22将进入全导通运行方式。如果旁路接触器异常,这时将发出一个故障信号。
4 几种起动方式性能比较
如附表所示
附表 几种起动方式性能比较

5 结束语
采用SIEMENS-3RW22系列电子式软起动器,对斗轮、悬臂皮带驱动机构电动机进行软起动控制,起动平稳、对供电系统无冲击,控制系统工作稳定。
