分析系统优化小电流测量
摘要: 许多关键应用都需要能够测量小电流的能力——比如pA级或更小。这些应用包括确定FET的栅极漏流、测试敏感的纳米电子器件,以及测量绝缘体或电容的漏流。
Abstract:
Key words :
</a>小电流" title="小电流">小电流" title="小电流">小电流的能力——比如pA级或更小。这些应用包括确定FET的栅极漏流、测试敏感的纳米电子器件,以及测量绝缘体或电容的漏流。
4200-SCS型开云棋牌官网在线客服特性分析系统配备可选的4200-PA型远程前置放大器时,可提供非常卓越的小电流测量能力,分辨率达1E–16A。成功测量小电流不仅依赖于使用非常灵敏的安培计,例如4200-SCS型,而且还取决于系统的交互测试环境(KITE)软件进行正确设置、使用低噪声夹具和电缆连接、留有足够的建立时间,以及采用能够防止不希望的电流降低测量准确度的技术。本文介绍利用吉时利4200-SCS型优化小电流测量的最佳解决方案。
测量系统中的偏移电流
将系统配置为进行超低电流测量的前几步之中有一步是确定整个测量系统的偏移和漏泄电流,包括4200-SCS本身、连接电缆、开关矩阵、测试夹具和探针。这可确定整个系统的噪底限值,并设置一个开始点,如果可能的话则进行改进。从测量源测量单元(SMU)的偏移开始,然后继续增加测量电路组件,直到连接了除被测装置(DUT)之外的全部组件。直接由带有4200-PA远程前置放大器的4200-SMU利用KITE软件进行测量。
II分析系统优化小电流测量——内部偏移
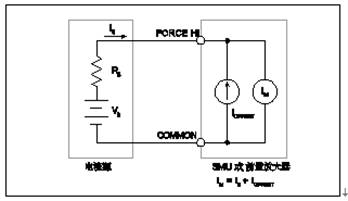
对于理想的安培计,当其输入端子保持开路时,其读数应为零。然而,现实中的安培计在输入开路时确实存在小电流。这一电流被称为输入偏移电流,是由于有源器件的偏置电流以及流过仪器中绝缘体的漏泄电流产生的。SMU内产生的偏移电流已包括在吉时利4200-SCS型的技术指标中。如图1所示,输入偏移电流增加至被测电流,所以仪表测量的是两个电流之和。

图1. SMU的输入偏移电流
测量每个带有4200-PA前置放大器的4200-SMU的偏移时,Force HI和Sense HI端子上除金属帽外不连接任何东西。这些三销金属帽已包含在系统中。在进行所有测量之前,SMU应该在带有连接至前置放大器的Force HI和Sense HI端子的金属帽的条件下,预热至少1个小时。如果系统安装有7.1版或更高版本的KTEI,可采用以下目录中名称为“LowCurrent”的项目测量偏移电流:C:S4200kiuserProjectsLowCurrent
打开该项目,选择SMU1offset ITM。点击图表标签,并运行测试。结果应类似于图2所示的图形。可能需要利用自动缩放(Auto Scale)功能适当缩放曲线。在图形上右击,即可找到自动缩放功能。4200-PA前置放大器连接至SMU时,偏移电流应该在fA级。电流偏移可为正或负。根据公布的4200-SCS型的安培计技术指标验证这些结果。
利用独立ITM对系统中的每个SMU重复该项测试。LowCurrent项目具有可对带有前置放大器的4个SMU进行偏移电流测量的ITM。
运行7.1版本之前的KTEI软件的系统也很容易测量偏移电流。请按照以下步骤创建测试,对SMU1进行测量:
在已创建的项目中,打开一个用于一般2端器件的新Device Plan(器件规划)。
创建一个名称为SMU1Offset的新ITM。为端子A选择SMU1,端子B选择GNDU。

图2. SMU1的偏移电流测量
在Definition标签页中进行如下设置:
SMU源测量配置:电压偏置0V,10pA固定电流量程。
Timing菜单:静音速度,采样模式,0s间隔,20个样本,1s保持时间,选中使能时标。
公式计算器:创建一个公式,利用标准差测量噪声,NOISE=STDDEV(A1)。
再创建一个公式测量平均偏移电流:AVGCURRENT=AVG(A1)。
在Graph标签页中进行如下设置(在图形上右击):
定义图形:X轴:时间
Y1轴:电流(A1)
数据变量:选择在图形上显示NOISE。选择在图形上显示AVGCURRENT。
完成配置后,保存测试并运行。结果应类似于图2所示的图形。对系统中的全部SMU重复该测试。
在KITE中执行自动校准程序,可优化输入偏移电流技术指标。如需执行SMU自动校准,在KITE的工具菜单中点击“SMU Auto Calibration”(SMU自动校准)。进行自动校准之前,使系统在上电后预热至少60分钟。除金属帽之外,SMU的Force HI和Sense HI端子上不应连接任何东西。自动校准程序对系统中全部SMU的全部源和测量功能调节电流和电压偏移。请勿将其与全系统校准混淆,后者应每年在吉时利工厂进行一次。
完成SMU自动校准后,即可重复进行偏移电流测量。
III分析系统优化小电流测量——外部偏移
确定了安培计的偏移电流后,将系统的其余部分逐步添加至测试电路,通过重复电流(0V)和时间图,验证系统其余部分的偏移(利用图3中所示的“Append Run”按钮)。最后,在“up”位置对探针末端或未连接器件的测试夹具进行测量。该过程将有助于确定任何故障点,例如短路的电缆或测量电路中的不稳定性。然而,要意识到,连接和断开电缆都会在电路中产生电流。为了进行超低电流测量,可能有必要在改变测试电路的连接后等待几分钟至几个小时,使杂散电流衰减。图4中的图形显示的是以下条件下的偏移:1)SMU的Force HI端子上戴有金属帽;2)前置放大器上仅连接一根三轴电缆;3)通过吉时利7174A型小电流开关矩阵至探针台,“up”位置有一个探针。

图3. Append按钮

图4. 整个测试系统的偏移电流测量
在生成电流-时间图形时施加一个测试电压,重复该项测试,确定测量电路中的漏泄电流。在DUT的实际测量中,使用的是测试电压,而非零偏压。现在,将测量并绘制测试夹具和电缆中的任何漏流。如果漏流太高,可对测量电路进行调节,减小漏流。关于减小漏流的方法信息,请参见本文“漏流和保护”部分。
IV测量误差源及减小误差的方法
确定了电流偏移、漏流及所有不稳定性后,采取措施减小测量误差将有助于提高测量准确度。这些误差源包括建立时间不足、静电干扰、漏泄电流、摩擦效应、压电效应、污染、湿度、接地环路,以及源阻抗。图5中汇总了本节讨论的部分电流的幅值。

图5. 产生电流的典型幅值
建立时间和定时菜单设置
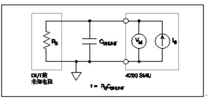
测量电路的建立时间在测量小电流和高电阻时尤其重要。建立时间是指施加或改变电流或电压后测量达到稳定的时间。影响测量电路建立时间的因素包括并联电容(CSHUNT)和源电阻(RS)。并联电容是由于连接电缆、测试夹具、开关和探针造成的。DUT的源电阻越高,建立时间越长。图6的测量电路中标出了并联电容和源电阻。

图6. 包含CSHUNT和RS的SMU测量电路
建立时间是RC时间常数τ的结果,其中:
τ = RSCSHUNT
以下为计算建立时间的一个例子,假设 CSHUNT = 10pF,RS = 1TΩ,那么:
τ = 10pF × 1TΩ = 10s
因此,读数稳定至最终值的1%所需的建立时间为τ的5倍,也就是50秒。图7所示为RC电路的阶跃电压指数响应。经过一个时间常数(τ = RC)后,电压上升至最终值的63%。

图7. RC电路的阶跃电压指数响应
为了成功测量小电流,重要的是每次测量留有足够的时间,尤其是扫描电压时。对于扫描模式,可在“ Sweep Delay”(扫描延迟)域的“Timing”(定时)菜单中添加建立时间;对于采样模式,则在“Interval time”域内。为了确定需要增加多长间隔时间,通过绘制电流-时间图,测量DUT稳定至某个阶跃电压的建立时间。阶跃电压应该是DUT实际测量中使用的偏执电压。可利用LowCurrent项目中的ITM测量建立时间。应适当增加“Timing”(定时)菜单中的“#Samples”,以确保稳定后的读数显示在图形中。在测量小电流时,采用“Quiet Speed Mode”或在“Timing”菜单中增加额外滤波。请注意,这是噪声和速度之间的平衡。滤波和延迟越大,噪声越小,但是测量速度也越小。
V电磁干扰和屏蔽
当带电物体接近被测电路时,会发生静电耦合或干扰。低阻抗时,由于电荷消失很快,所以干扰的影响不明显。然而,高电阻材料不会使电荷快速衰减,则会造成测量不稳定、噪声很大。通常情况下,当被测电流≤1nA或者被测电阻≥1GΩ时,静电干扰就会成为问题。
为了减小静电场影响,被测电路可被密封在一个静电屏内。图8所示为非屏蔽和屏蔽测量一个100GΩ电阻之间的巨大差异。非屏蔽测量比屏蔽测量时的噪声要大得多。

图8. 100GΩ电阻的屏蔽和非屏蔽测量的比较
屏蔽可以仅仅是一个将测试电路包围起来的简单金属盒或金属网。商业探针台往往将敏感电路密封在一个静电屏蔽内。屏蔽被连接至测量电路LO端子,该端子不一定接地。对于4200-SCS来说,屏蔽连接至Force LO端子,如图9所示。

图9. 屏蔽高阻器件
采取以下步骤将静电耦合导致误的差电流降至最小:
屏蔽DUT,并将屏蔽层在电气上连接至测试电路公共端——4200-SCS的Force LO端子。
使所有带电物体(包括人员)和导体远离电路的敏感区域。
测试区域附近避免移动和振动。
VI漏流和保护I
漏流是施加电压时通过(泄露)电阻的误差电流。当DUT的阻抗与测试电路中绝缘体的阻抗相当时,该误差电流就会成为问题。为减小漏流,在测试电流中采用高质量的绝缘体、降低测试实验室的湿度,并采用保护。
保护是由一个低阻源驱动的导体,其输出为或接近高阻端子的电势。保护端子用于保护测试夹具和电缆绝缘电阻和电容。保护是三轴连接器/电缆的芯屏蔽,如图10所示。

图10. 4200三轴连接器/电缆的导体
请勿混淆保护和屏蔽。屏蔽通常意味着采用金属护栏防止静电干扰影响高阻电路。保护则意味着使用增加的低阻导体,将其维持在于高阻电路相同的电势,它将拦截任何干扰电压或电流。保护不一定提供屏蔽。下图
为保护的两个例子:1)利用保护降低测试夹具导致的漏流,而2)则利用保护降低由于电缆连接产生的漏流。
图11所示为保护消除可能会通过测试夹具内隔离绝缘体的原理。在图11a中,漏流(IL)通过隔离绝缘体(RL)。该漏流增加至来自于DUT (IDUT),然后被SMU安培计测得(IM),对小电流测量的准确度造成不利影响。

图11. 利用保护减小测试夹具中的漏流
在图11b中,金属安装板被连接至SMU的保护端子。隔离绝缘体顶部和底部的电压接近相同电势(0V压降),所以在隔离绝缘体中就不会有漏流影响测量准确度。由于金属安装板将处于保护电势,所以为安全起见,金属屏蔽必须连接至地。
4200-SCS型开云棋牌官网在线客服特性分析系统配备可选的4200-PA型远程前置放大器时,可提供非常卓越的小电流测量能力,分辨率达1E–16A。成功测量小电流不仅依赖于使用非常灵敏的安培计,例如4200-SCS型,而且还取决于系统的交互测试环境(KITE)软件进行正确设置、使用低噪声夹具和电缆连接、留有足够的建立时间,以及采用能够防止不希望的电流降低测量准确度的技术。本文介绍利用吉时利4200-SCS型优化小电流测量的最佳解决方案。
测量系统中的偏移电流
将系统配置为进行超低电流测量的前几步之中有一步是确定整个测量系统的偏移和漏泄电流,包括4200-SCS本身、连接电缆、开关矩阵、测试夹具和探针。这可确定整个系统的噪底限值,并设置一个开始点,如果可能的话则进行改进。从测量源测量单元(SMU)的偏移开始,然后继续增加测量电路组件,直到连接了除被测装置(DUT)之外的全部组件。直接由带有4200-PA远程前置放大器的4200-SMU利用KITE软件进行测量。
II分析系统优化小电流测量——内部偏移
对于理想的安培计,当其输入端子保持开路时,其读数应为零。然而,现实中的安培计在输入开路时确实存在小电流。这一电流被称为输入偏移电流,是由于有源器件的偏置电流以及流过仪器中绝缘体的漏泄电流产生的。SMU内产生的偏移电流已包括在吉时利4200-SCS型的技术指标中。如图1所示,输入偏移电流增加至被测电流,所以仪表测量的是两个电流之和。

图1. SMU的输入偏移电流
测量每个带有4200-PA前置放大器的4200-SMU的偏移时,Force HI和Sense HI端子上除金属帽外不连接任何东西。这些三销金属帽已包含在系统中。在进行所有测量之前,SMU应该在带有连接至前置放大器的Force HI和Sense HI端子的金属帽的条件下,预热至少1个小时。如果系统安装有7.1版或更高版本的KTEI,可采用以下目录中名称为“LowCurrent”的项目测量偏移电流:C:S4200kiuserProjectsLowCurrent
打开该项目,选择SMU1offset ITM。点击图表标签,并运行测试。结果应类似于图2所示的图形。可能需要利用自动缩放(Auto Scale)功能适当缩放曲线。在图形上右击,即可找到自动缩放功能。4200-PA前置放大器连接至SMU时,偏移电流应该在fA级。电流偏移可为正或负。根据公布的4200-SCS型的安培计技术指标验证这些结果。
利用独立ITM对系统中的每个SMU重复该项测试。LowCurrent项目具有可对带有前置放大器的4个SMU进行偏移电流测量的ITM。
运行7.1版本之前的KTEI软件的系统也很容易测量偏移电流。请按照以下步骤创建测试,对SMU1进行测量:
在已创建的项目中,打开一个用于一般2端器件的新Device Plan(器件规划)。
创建一个名称为SMU1Offset的新ITM。为端子A选择SMU1,端子B选择GNDU。

图2. SMU1的偏移电流测量
在Definition标签页中进行如下设置:
SMU源测量配置:电压偏置0V,10pA固定电流量程。
Timing菜单:静音速度,采样模式,0s间隔,20个样本,1s保持时间,选中使能时标。
公式计算器:创建一个公式,利用标准差测量噪声,NOISE=STDDEV(A1)。
再创建一个公式测量平均偏移电流:AVGCURRENT=AVG(A1)。
在Graph标签页中进行如下设置(在图形上右击):
定义图形:X轴:时间
Y1轴:电流(A1)
数据变量:选择在图形上显示NOISE。选择在图形上显示AVGCURRENT。
完成配置后,保存测试并运行。结果应类似于图2所示的图形。对系统中的全部SMU重复该测试。
在KITE中执行自动校准程序,可优化输入偏移电流技术指标。如需执行SMU自动校准,在KITE的工具菜单中点击“SMU Auto Calibration”(SMU自动校准)。进行自动校准之前,使系统在上电后预热至少60分钟。除金属帽之外,SMU的Force HI和Sense HI端子上不应连接任何东西。自动校准程序对系统中全部SMU的全部源和测量功能调节电流和电压偏移。请勿将其与全系统校准混淆,后者应每年在吉时利工厂进行一次。
完成SMU自动校准后,即可重复进行偏移电流测量。
III分析系统优化小电流测量——外部偏移
确定了安培计的偏移电流后,将系统的其余部分逐步添加至测试电路,通过重复电流(0V)和时间图,验证系统其余部分的偏移(利用图3中所示的“Append Run”按钮)。最后,在“up”位置对探针末端或未连接器件的测试夹具进行测量。该过程将有助于确定任何故障点,例如短路的电缆或测量电路中的不稳定性。然而,要意识到,连接和断开电缆都会在电路中产生电流。为了进行超低电流测量,可能有必要在改变测试电路的连接后等待几分钟至几个小时,使杂散电流衰减。图4中的图形显示的是以下条件下的偏移:1)SMU的Force HI端子上戴有金属帽;2)前置放大器上仅连接一根三轴电缆;3)通过吉时利7174A型小电流开关矩阵至探针台,“up”位置有一个探针。

图3. Append按钮

图4. 整个测试系统的偏移电流测量
在生成电流-时间图形时施加一个测试电压,重复该项测试,确定测量电路中的漏泄电流。在DUT的实际测量中,使用的是测试电压,而非零偏压。现在,将测量并绘制测试夹具和电缆中的任何漏流。如果漏流太高,可对测量电路进行调节,减小漏流。关于减小漏流的方法信息,请参见本文“漏流和保护”部分。
IV测量误差源及减小误差的方法
确定了电流偏移、漏流及所有不稳定性后,采取措施减小测量误差将有助于提高测量准确度。这些误差源包括建立时间不足、静电干扰、漏泄电流、摩擦效应、压电效应、污染、湿度、接地环路,以及源阻抗。图5中汇总了本节讨论的部分电流的幅值。

图5. 产生电流的典型幅值
建立时间和定时菜单设置
测量电路的建立时间在测量小电流和高电阻时尤其重要。建立时间是指施加或改变电流或电压后测量达到稳定的时间。影响测量电路建立时间的因素包括并联电容(CSHUNT)和源电阻(RS)。并联电容是由于连接电缆、测试夹具、开关和探针造成的。DUT的源电阻越高,建立时间越长。图6的测量电路中标出了并联电容和源电阻。

图6. 包含CSHUNT和RS的SMU测量电路
建立时间是RC时间常数τ的结果,其中:
τ = RSCSHUNT
以下为计算建立时间的一个例子,假设 CSHUNT = 10pF,RS = 1TΩ,那么:
τ = 10pF × 1TΩ = 10s
因此,读数稳定至最终值的1%所需的建立时间为τ的5倍,也就是50秒。图7所示为RC电路的阶跃电压指数响应。经过一个时间常数(τ = RC)后,电压上升至最终值的63%。

图7. RC电路的阶跃电压指数响应
为了成功测量小电流,重要的是每次测量留有足够的时间,尤其是扫描电压时。对于扫描模式,可在“ Sweep Delay”(扫描延迟)域的“Timing”(定时)菜单中添加建立时间;对于采样模式,则在“Interval time”域内。为了确定需要增加多长间隔时间,通过绘制电流-时间图,测量DUT稳定至某个阶跃电压的建立时间。阶跃电压应该是DUT实际测量中使用的偏执电压。可利用LowCurrent项目中的ITM测量建立时间。应适当增加“Timing”(定时)菜单中的“#Samples”,以确保稳定后的读数显示在图形中。在测量小电流时,采用“Quiet Speed Mode”或在“Timing”菜单中增加额外滤波。请注意,这是噪声和速度之间的平衡。滤波和延迟越大,噪声越小,但是测量速度也越小。
V电磁干扰和屏蔽
当带电物体接近被测电路时,会发生静电耦合或干扰。低阻抗时,由于电荷消失很快,所以干扰的影响不明显。然而,高电阻材料不会使电荷快速衰减,则会造成测量不稳定、噪声很大。通常情况下,当被测电流≤1nA或者被测电阻≥1GΩ时,静电干扰就会成为问题。
为了减小静电场影响,被测电路可被密封在一个静电屏内。图8所示为非屏蔽和屏蔽测量一个100GΩ电阻之间的巨大差异。非屏蔽测量比屏蔽测量时的噪声要大得多。

图8. 100GΩ电阻的屏蔽和非屏蔽测量的比较
屏蔽可以仅仅是一个将测试电路包围起来的简单金属盒或金属网。商业探针台往往将敏感电路密封在一个静电屏蔽内。屏蔽被连接至测量电路LO端子,该端子不一定接地。对于4200-SCS来说,屏蔽连接至Force LO端子,如图9所示。

图9. 屏蔽高阻器件
采取以下步骤将静电耦合导致误的差电流降至最小:
屏蔽DUT,并将屏蔽层在电气上连接至测试电路公共端——4200-SCS的Force LO端子。
使所有带电物体(包括人员)和导体远离电路的敏感区域。
测试区域附近避免移动和振动。
VI漏流和保护I
漏流是施加电压时通过(泄露)电阻的误差电流。当DUT的阻抗与测试电路中绝缘体的阻抗相当时,该误差电流就会成为问题。为减小漏流,在测试电流中采用高质量的绝缘体、降低测试实验室的湿度,并采用保护。
保护是由一个低阻源驱动的导体,其输出为或接近高阻端子的电势。保护端子用于保护测试夹具和电缆绝缘电阻和电容。保护是三轴连接器/电缆的芯屏蔽,如图10所示。

图10. 4200三轴连接器/电缆的导体
请勿混淆保护和屏蔽。屏蔽通常意味着采用金属护栏防止静电干扰影响高阻电路。保护则意味着使用增加的低阻导体,将其维持在于高阻电路相同的电势,它将拦截任何干扰电压或电流。保护不一定提供屏蔽。下图
为保护的两个例子:1)利用保护降低测试夹具导致的漏流,而2)则利用保护降低由于电缆连接产生的漏流。
图11所示为保护消除可能会通过测试夹具内隔离绝缘体的原理。在图11a中,漏流(IL)通过隔离绝缘体(RL)。该漏流增加至来自于DUT (IDUT),然后被SMU安培计测得(IM),对小电流测量的准确度造成不利影响。

图11. 利用保护减小测试夹具中的漏流
在图11b中,金属安装板被连接至SMU的保护端子。隔离绝缘体顶部和底部的电压接近相同电势(0V压降),所以在隔离绝缘体中就不会有漏流影响测量准确度。由于金属安装板将处于保护电势,所以为安全起见,金属屏蔽必须连接至地。
此内容为AET网站原创,未经授权禁止转载。
