数据传输作为总线网络的重要组成部分,是数据通讯网络和计算机网络的基础。采用数据总线传输方案组建的测控网络,较好地解决传统的测控系统过于复杂、笨重、可靠性低等缺点。数据总线作为飞机航电系统中首先运用的数字电子设备,其中MIL-STD-1553B是其典型代表,它是20世纪70年代美国公布的一种串行多路数据总线标准,利用一条屏蔽双绞线进行带有时钟信息的数据传输。它最初是为飞机提出的内部电子系统连网标准。后来由于其可靠性高、传输率较高、技术成熟、易于扩展等优点得到广泛应用,尤其在航空、航天测控网络中倍受关注。
1. 1553B总线简介
1553B总线是一种广播式分布处理的计算机网络,可挂接32个终端,所有终端共享一条消息通路,任一时刻网络中只有一个终端在发送消息,传送中的消息可以被所有终端接收,实际接收的终端通过地址来识别。网络结构简单、终端扩展方便,任一终端的故障都不会造成整个网络的故障,总线控制器则可以通过备份提高可靠性,但网络对总线本身的故障比较敏感,因此通常采用双冗余度总线。
1553B总线强调了整个系统的实时性,即传输一个固定消息所需的时间短。1553B总线按指令/响应的方式异步操作,即总线上所有消息传输都由总线控制器发出的指令来控制,这种方式适合集中控制的分布式处理系统。1553B通信协议中反映了支持电子系统中同步/异步通信的特性。
1553B总线为多冗余度总线型拓扑结构,具有双向传输特性,其传输速度为1Mbit·s-1,传输方式为半双工方式,采用曼彻斯特Ⅱ型码。它采用指令/响应型通信协议,具有3种终端类型:(1)总线控制器(BC),是在总线上惟一被安排为执行建立和启动数据传输任务的终端。(2)远程终端(RT),是用户子系统到数据总线上的接口,能在BC的控制下提取或吸收数据。(3)总线监视器(MT),是监控总线上的信息传输,以完成对总线上的数据源进行纪录和分析,但其本身不参与总线通信。
2. BU-61580简介
BU-61580是美国DDC公司为MIL-STD-1553B标准设计的超大规模接口协议芯片,它是当前1553B总线应用系统中流行的器件,图1是BU-61580的内部功能框图。它内部功能强、接口灵活、便于控制,有各种封装形式和供电电压供用户选择,是1553B等总线标准应用中较常用的接口芯片。

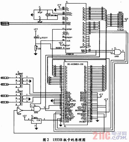
3. 基于BU-61580设计的1553B总线板卡
本文采用MCS-51系列的单片机AT89C52与BU-61580共同设计,该板卡接口灵活、控制简单,可设置为1553B总线中的BC、RT、MT终端类型进行工作,外围控制为通用RS232串口。下面以BC终端类型举例说明,简要介绍如何完成对BU-61580的控制,实现1553B总线功能。
3.1 硬件设计
BU-61580与微处理器或外部存贮器接口灵活。可与8位8位、16位多种微处理器接口,需要较少的控制逻辑电路。这里BU-61580与微处理器采用了直接存贮器存取方式、使用了16位地址线、8位数据线。图2为该1553B板卡的原理图。

3.2 软件设计
由于BU-61580功能强,可通过程序设计使其成为BC、MT、RT或MT兼RT,所以其软件设计也较为复杂,如图3所示。

该板卡的软件主流程图如图3(a),板卡加电后,软件首先对BU-61580进行初始化设置,在主循环里分别对RS232串口标志、50ms定时标志、外部中断标志进行查询,该板卡的对外接口为RS232串口,接收到外部RS232命令后,应根据命令做出不同的操作,如发送1553B输入命令等;该板卡会50ms周期发出1553B输出命令,读取回传数据,通过RS232板卡送出;当发出1553B命令后,BU-61580启动命令传输,传输完毕后或回传数据完毕,BU-61580会产生外部中断,要求单片机读取数据。图3(b)为启动发送1533B命令的流程图。
4. 结束语
BU-61580的应用较为复杂,文中介绍了一部分的应用技术,但其他功能的软件设计过程与之类似,供感兴趣者参考。
作者:李娜 李占明 刘防动 来源:电子科技
