Freescale公司的MC56F8006/MC56F8002是采用56800E内核的数字信号控制器(DSC),在单片上集成了DSP的处理功能,以及具有灵活外设的微控制器,可创建高性价比的解决方案。DSC在32MHz核频率的性能达32MIPS,片内存储器有16KB/12KB闪存,2KB数据/程序RAM,主要用在工业控制,马达驱动,智能传感器,测试测量,家用电器,开关电源和电源管理,电表,医疗设备和照明镇流器。本文介绍了MC56F8006/MC56F8002主要特性,方框图,外设子系统框图,56800E核方框图以及MC56F8006DEMO评估板主要特性和电路图,材料清单。
MC56F8006/MC56F8002 Digital Signal Controller
The 56F8006/56F8002 is a member of the 56800E core-based family of digital signal controllers (DSCs). It combines, on a single chip, the processing power of a DSP and the functionality of a microcontroller with a flexible set of peripherals to create a cost-effective solution. Because of its low cost, configuration flexibility, and compact program code, the 56F8006/56F8002 is well-suited for many applications. It includes many peripherals that are especially useful for cost-sensitive applications, including:
• Industrial control
• Home appliances
• Smart sensors
• Fire and security systems
• Switched-mode power supply and power management
• Power metering
• Motor control (ACIM, BLDC, PMSM, SR, and stepper)
• Handheld power tools
• Arc detection
• Medical device/equipment
• Instrumentation
• Lighting ballast
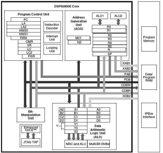
The 56800E core is based on a dual Harvard-style architecture consisting of three execution units operating in parallel, allowing as many as six operations per instruction cycle. The MCU-style programming model and optimized instruction set allow straightforward generation of efficient, compact DSP and control code. The instruction set is also highly efficient for C compilers to enable rapid development of optimized control applications.
The 56F8006/56F8002 supports program execution from internal memories. Two data operands can be accessed from the on-chip data RAM per instruction cycle. The 56F8006/56F8002 also offers up to 40 general-purpose input/output (GPIO) lines, depending on peripheral configuration.
The 56F8006/56F8002 digital signal controller includes up to 16 KB of program flash and 2 KB of unified data/program RAM. Program flash memory can be independently bulk erased or erased in small pages of 512 bytes (256 words).
MC56F8006/MC56F8002主要特性:
On-chip features include:
• Up to 32 MIPS at 32 MHz core frequency
• DSP and MCU functionality in a unified, C-efficient architecture
• On-chip memory
56F8006: 16 KB (8K x 16) flash memory
56F8002: 12 KB (6K x 16) flash memory
– 2 KB (1K x 16) unified data/program RAM
• One 6-channel PWM module
• Two 28-channel, 12-bit analog-to-digital converters (ADCs)
• Two programmable gain amplifiers (PGA) with gain up to 32x
• Three analog comparators
• One programmable interval timer (PIT)
• One high-speed serial communication interface (SCI) with LIN slave functionality
• One serial peripheral interface (SPI)
• One 16-bit dual timer (2 x 16 bit timers)
• One programmable delay block (PDB)
• One SMBus compatible inter-integrated circuit (I2C) port
• One real time counter (RTC)
• Computer operating properly (COP)/watchdog
• Two on-chip relaxation oscillators — 1 kHz and 8 MHz (400 kHz at standby mode)
• Crystal oscillator
• Integrated power-on reset (POR) and low-voltage interrupt (LVI) module
• JTAG/enhanced on-chip emulation (OnCE™) for unobtrusive, real-time debugging
• Up to 40 GPIO lines
• 28-pin SOIC, 32-pin LQFP, and 48-pin LQFP packages
MC56F8006/MC56F8002目标应用:
Motor Control
3 phase BLDC motor control
Entry-level field -oriented control
PMSM control
Large & small home appliances
Advanced Power Conversion
Board mounted & industrial power supplies
Switched-mode power supply & power management
Arc fault protection
Advance lighting control
Power-Sensitive Applications
Medical portable diagnostic and Therapeutic devices
Handheld power tools
Instrumentation

图1。MC56F8006/MC56F8002方框图

图2。56800E核方框图

图3。MC56F8006/MC56F8002外设子系统方框图
MC56F8006DEMO is a cost-effective board targeting quick digital signal controller (DSC) evaluation, demonstration and debugging of the Freescale MC56F8006VLF digital signal controller. The board is equipped to handle USB communication right out of the box. MC56F8006 demo board has a series of 6 leds connected to PWM channels in order to monitor signals and has a Reset and 2 IRQ switches.
MC56F8006DEMO评估板主要特性:
Complete pin-out available including a 40 pin header compatible with all 56F80xx boards Supply voltage options from USB connector, direct power supply in J1 and using standard power jack
MC56F8006 Demo board with USB connectivity
JTAG control and debug of MC56F8006
BDM control and debug of MC9S08JM60
Serial Communications port ready for RS-232
6 LEDs, connected to PWM channels
MC56F8006DEMO评估板包括:
MC56F8006DEMO-T (Recommended)
DVD Getting Started With MC56F8006/2
Free CodeWarrior Development Studio for 56F800/E DSC, Special Edition (32KB code size limit)
Device and Board Resources
7 different MC56F8006 Demo Labs including LED flashing demonstration, USB Serial , Freemaster and FIR Labs.
USB TAP
USB Cable
MC56F8006DEMO-T Quick Start Guide
Freescale Warranty Card

图4。MC56F8006DEMO评估板外形图

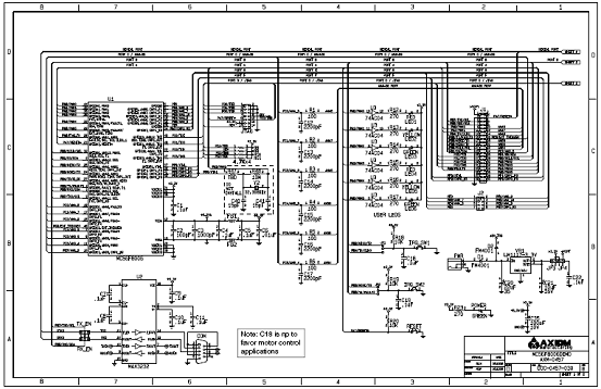
图5。MC56F8006DEMO评估板电路图(1)

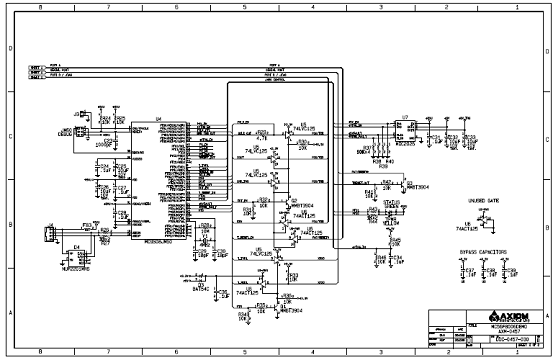
图6。MC56F8006DEMO评估板电路图(2)
MC56F8006DEMO评估板材料清单(BOM):

详情请见:
http://cache.freescale.com/files/dsp/doc/data_sheet/MC56F8006.pdf?fsrch=1&sr=2
和
http://cache.freescale.com/files/dsp/doc/app_note/AN3815.pdf?fpsp=1&WT_TYPE=Application%20Notes&WT_VENDOR=FREESCALE&WT_FILE_FORMAT=pdf&WT_ASSET=Documentation
