MAX6954/MAX6955是4线或2线串行接口的LED驱动器,可以控制7段、14段或16段LED或一个16x8的LED矩阵。驱动器还包括5个I/O扩展(GPIO)端口,以及用这些端口自动扫描32个按键、消除按键抖动的所有逻辑控制。另外一个功能选项是通过一个中断引脚通知系统处理器消除键抖。本文介绍的扩展按键扫描方案(从32键扩展到80或更多个按键)需要增添额外的二极管。
表1. MAX6954/MAX6955的标准32键连接


图1. MAX6954/MAX6955的标准32键连接
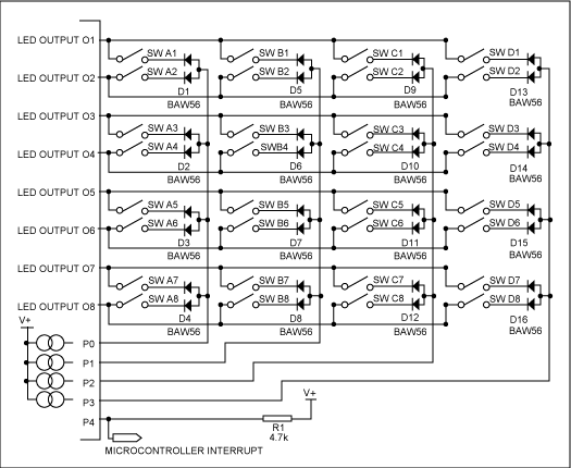
表1和图1给出了MAX6954/MAX6955的标准8键连接。键切换电路按照4 x 8矩阵(4列、8行)读取32个按键的状态。键盘阵列的8行由8个LED阴极驱动器输出(LED输出O0至LED输出O7)驱动。作为多层LED驱动的一部分,这些LED阴极驱动输出依次拉至低电平320µs (标称值)(顺序驱动LED)。这些驱动器输出分别用来拉低键开关的一端,键的另一端连接在4个输入引脚(P0至P3),这4个输入引脚从内部拉至MAX6954/MAX6955的高电平V+。按下开关时,P0、P1、P2或P3将由相应的LED输出Ox拉至低电平,MAX6954/MAX6955检测按键,并为按键提供去抖。
多个按键被同时按下时,与开关串联的二极管可以防止2个或多个LED阴极驱动输出短路。例如,同时按下SW A1和SW A2时,与按键串联的二极管可以避免LED输出O0与LED输出O1短路,因为在任何情况下至少有一个二极管为反向偏置。二极管采用的是低成本、共阳极的BAW56,SOT23封装。
MAX6954/MAX6955随时判断32个按键按下或释放的动作,器件内部仅为指示这32个按键的状态提供了寄存器。从这一点看,在MAX6954/MAX6955的设计中似乎没有办法扩展扫描电路,需要寻找一种全新的设计方案。
针对这种特殊情况,我们发掘了一种冗余情况。许多应用中只需要了解某一个按键是否被按下。通常,同时按下两个按键的情况被认为是错误的键输入,或者是进入工厂诊断模式。这种两个按键同时按下的情况是一种“冗余”情况,我们把新增按键连接成好像某一对儿键被同时按下的情况,表2和图2所示电路通过组合P0、P1、P2和P3扩充了16个按键。例如,当SW AB1按下时,对于MAX6954/MAX6955而言,所表现出来的状态与SW A1和SW B1同时按下的情况相同。只要每对儿按键(如SW A1和SW B1)的物理位置不相邻,这种扩展架构即可有效工作。软件设计应保证在MAX6954/MAX6955的最小去抖周期内响应按键的/IRQ,保证每个对应于按键扫描的结果都经过适当的分析处理。如果软件对/IRQ响应较慢,将无法区分同时按下两个按键的情况(鉴别增添的按键状态)和顺序按下相同的两个按键的情况。无论是哪种情况,按键去抖寄存器0x08-0x0B将简单地显示每个键位置位。
表2. MAX6954/MAX6955扩展后的48键连接

每个附加按键需要一个双二极管(如低成本、共阴极的BAV70,SOT-23封装), 按下开关时,P0和P1或P2和P3被同时拉低。

图2. MAX6954/MAX6955扩展后的48键连接
图2和表2通过组合P0、P1、P2和P3扩充了16个按键。实际上,对于P0-P3键扫描输入还存在另外四种可能的两键组合方式。如果使用了6种两键组合方式,按键数量将增加到80个,如表3所示。图3给出了6个附加按键在LED输出O0行的连接方式。每个附加按键需要一个双二极管。
表3. MAX6954/MAX6955扩展后的80键连接


图3. MAX6954/MAX6955扩展后的80键连接
为什么仅将“同时按下双键”作为判断附加按键的途径呢?3键和4键组合可用来替代双键按下的情况,表4给出了这种附加配置。需要注意的是,4-3组合键每组需要三个二极管,四组键需要4倍数量的二极管。
表4. 3键和4键连接

排除3键和4键连接的一个最好理由是它们需要更多的二极管。如果应用中所需按键只是略高于32键的限制,则可首先选择本文推荐的方案。只是因为某些偶然因素,让用户找寻3键和4键的方案也是不可取的。
值得注意的是:每个扩充按键的连接方式模拟的是多个按键同时按下的情况,这些按键连接在同一LED阴极驱动器输出端(LED输出O0至LED输出O7)。采用这种连接方式,相关组合的按键总是在同一时间扫描或去抖。如果新增按键所模拟的同时按下的按键由不同的LED阴极驱动输出扫描,这种工作方式将是不可靠的。
