唐钢矿业公司庙沟铁矿新上两座179 M3高炉,经唐山微尔电子股份有限公司、唐钢设计院与庙沟铁矿多方调研,变频调速器全部采用艾默生公司的TD2000 系列变频器,共计24台。其中TD2000—4T0110G 12台,TD2000—4T0150G 2台,TD2000—4T0900G 6 台,TD2000—4T2000P 4台。分别用在原料、烧结、高炉、冲渣循环水、铸铁机等处,下面分别加以介绍。
一、圆盘给料机:(11台)
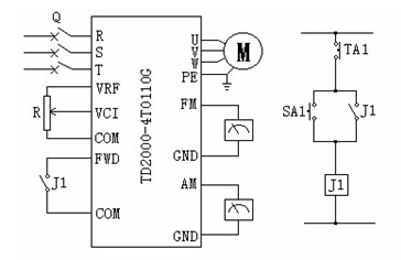
圆盘给料机是高炉炼铁工艺原料区第一道工序,整个高炉所需各种原料,通过不同的圆盘给料机经传送带,送至一混、二混,经充分搅拌均匀送至烧结机。本系统共有11套圆盘给料机,每套圆盘给料机是一个形壮类似漏斗壮的设备,漏斗的底部是一个由电机驱动的原盘,通过原盘转动将漏斗内的原料源源不断地送至传送带。根据炼铁工艺的要求,各种原料需要不同的配比,通过圆盘转速快慢的调节将各个漏斗内不同的原料按所需的配比送到传送带上。圆盘给料机选用的电机为 7.5KW变频调速电动机,变频器为艾默生TD2000-4T0110G变频器,控制采用机旁、集中两地控制,机旁用电位器调速。原理图如下图:

变频器主要参数设定如下:

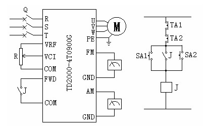
二、圆辊布料器:(1台)
圆辊布料器顾名思义是两个大圆辊,上位料仓来自二混的原料经圆辊布料器送至烧结机的台车上。
圆辊布料器通过变频器控制的电机调速,根据工艺要求控制给烧结机台车布料的快慢。因为圆辊布料器有时需要长时间低速运转,所以电机选用7.5KW 变频电机,变频器为TD2000-4T0110G变频器,控制采用机旁、集中两地控制,机旁用电位器调速。原理图、变频器主要参数设定如圆盘给料机。
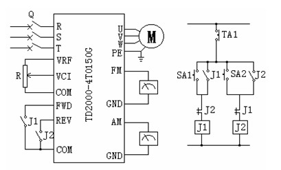
三、烧结机:(1台)
烧结机是将原料在台车上充分燃烧形成烧结矿。烧结矿质量的好坏全靠原料在台车燃烧是否充分,台车需要根据圆辊布料器布料的厚薄,烧结机内燃烧情况等,调节速度,速度控制精度要求较高。台车由变频器控制的电机调速,电机选用11KW三相鼠笼式异步电动机,变频器为艾默生TD2000-4T0150G 变频器。控制采用机旁控制,电位器机旁调速,变频器为正反转控制。

原理图如上所示,变频器主要参数设定如下:

四、带冷机:(1台)
烧结机出来的烧结矿经单辊破碎机破碎,进入到带冷机。带冷机是一个长长的链条轨道俗称蓖子,高温烧结矿在蓖子上缓慢移动,经6台风机风冷,冷却后的烧结矿进入地仓供高炉上料使用。蓖子由变频器控制的电机调速,电机选用11KW变频调速电动机,变频器为艾默生TD2000-4T0150G变频器。控制采用机旁、集中两地控制,机旁用电位器调速。原理图、变频器主要参数设定如圆盘给料机。
五、上料卷扬系统:(4台)
高炉上料卷扬系统是炼铁生产中的关键环节,主要作用是将炼铁所需的各种原料源源不断地送到高炉内,保证高炉炼铁的正常需要,而整个高炉上料卷扬系统的核心就是料车的主提升设备。主卷电动机选用的是55KW 10极绕线式异步电动机,变频调速器为艾默生TD2000-4T0900G变频器(和相应的制动电阻与制动单元)。高炉上料卷扬系统有如下特征:主卷电动机工作频繁,负荷重,启动转矩要求高。料车要求位置控制的精度高,系统的可靠性和安全性高。料车在启动和停车制动时震动大,要求电机工作的稳定性能高。炼铁高炉上料卷扬系统的技术方案是当上料卷扬系统运行后,变频器由0HZ加速到50HZ运行,当运行一定的距离快到达炉顶时,由检测位置的主令(凸轮)发出减速信号,变频器自动减速到20HZ运行,直至料车到达炉顶在由主令(凸轮)发出停车信号,电机被立即制动停车,电机加有电磁抱闸制动装置,在整个工作过程中需要停车时,发出停车指令,电磁抱闸制动装置工作,使料车稳定停车,不会出现“挂车”下滑现象。工作曲线如图所示:

料车一个完整的工作过程用时45S,完全满足179高炉的工艺要求。
系统运行示意简图与电气控制简图如下:

工作原理:
当PC输出点J1闭合时,变频器以设定时间5秒钟从0HZ加速到50HZ。电磁抱闸控制电源JZ得电,抱闸打开,左料车以设定的50HZ频率向上运行。当料车运行到检测点时J3闭合,料车开始减速,减速到20HZ后保持匀速运行。当料车快运行到位置时,触动限位开关发出信号,PC输出点
J1断开,变频器自由停车,当变频器输出降到2HZ时,电磁抱闸控制电源JZ掉电,抱闸抱住,料车卷扬电机被制动停车,完成一次上料过程。当PC 输出点J2闭合时,右料车与左料车一样完成一次上料。QA2、QA3为左右料车点动按扭,QA1为复位按扭。为了增加系统的可靠性,做如下处理:
1) 选用变频器的容量为90KW,较电机55KW放大了两档的容量,一般不会出现过流、过压、过载等现象,可靠性大大提高。
2)电磁抱闸线圈通过变频器的运行输出信号Y2控制,消除了因意外事故 开抱闸所引起的料车挂车或失速失控事故。而且当变频器输出达到2HZ时,电磁抱闸控制电源JZ才得电打开,防止抱闸打开过早,料车出现溜车事故。
3)在左右料车的顶部各安装一个超极限限位开关J3,当J3动作时通过多功能端子X2造成变频器外部故障停机,防止料车在接近停车点时因控制线路故障,造成料车无减速冲过头而损坏炉顶设备的严重后果。

六、冲渣循环水泵:(4台)
高炉冲渣的工艺过程是,在高炉出铁水前先开渣口,炉渣比铁水轻浮在铁水上面,先从渣口流出,
由冲渣水沿渣漕冲入渣池。冲渣泵电机是160KW三相鼠笼式异步电机,变频调速器为艾默生TD2000-4T2000P变频器。因为出渣过程的好坏直接影响铁水的质量,所以冲渣泵选用四台变频器两工两备,控制采用机旁控制,用电位器调速,以满足冲渣循环水管道内压力附合工艺要求。(最好采用闭环控制)。原理图如下图:
变频器主要参数设定如下:


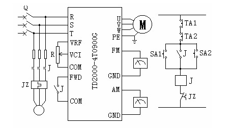
七、铸铁机:(2台)
铸铁机是小高炉炼铁工艺的最后一到工序,从高炉流出来的铁水经铁水罐车运到铸铁机,经循环
水喷淋冷却出成品面包铁。铸铁机是倾斜30度的链条轨道,轨道上固定着面包铁模具。随着链条轨道循环滚动天车将铁水罐缓慢倾斜, 铁水罐内铁水流到面包铁模具内,穿过循环水喷淋冷却区,铁水冷却形成成品面包铁。根据高炉出铁量的多少,铁水温度的高低,以及天车倾倒铁水的快慢,需要链条轨道以不同的速度运行,而且因为面包铁模具内装满铁水,所以链条轨道在加速、减速及运行过程中要求平稳,为了满足工艺要求,选择变频调速器驱动电机。该设备选用的电机为75KW三相鼠笼异步电动机,变频调速器为艾默生TD2000-4T0900G变频器,控制采用机旁、集中两地控制,机旁用电位器调速,同时加减速采用 S曲线加减速。原理图如下图:

变频器主要参数设定如下:

唐钢矿业公司庙沟铁矿自投产以来运转非常好,尤其是艾默生变频器调试简单,24台变频器均一次试车成功,系统运行可靠,平时电气人员的维护工作简单,维护量少。 具有完善的自诊断和保护功能,能够实现对短路,断路,过流,过热,过压,欠压等故障进行快速有效的诊断和保护。艾默生变频器受到庙矿技术人员的一致好评。
