三相交流电源的相序检测在工农业生产中也具有重要意义。在许多场合下,是不允许出现逆向相序的,如水泵电机,大型空调器用非往复式压缩机和风机,移动供配电装置等。偶尔出现的逆向相序,将导致事故的发生。为此,设计相序检测报警电路和相序检测自动校正电路很有必要。
1 相序检测和缺相保护
早期的相序、缺相检测电路主要依靠简单的电容、电阻等硬件电路来完成,其检测速度较慢,与数字电路的快速发展是极不相称。为此本文以三路交流信号的相位检测为例,一方面设计了基于相序指示器的三相电源相序检测电路;另一方面采用相序检测极速算法,将采样的三路交流信号通过特定的算法,推算出待测相序是否与参考相序相一致,从而给出相序判定信号。
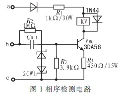
1.1 基于双极型晶体管的相序检测电路
其工作原理是:如图1所示,因三相电源的A相和B相分别接至a和b两端时,晶体管VBG截止,所以电压继电器KV不动作;当三相电源相序接反时,即三相电源的A相接至a端,而C相接至b端,此时晶体管VBC导通,电压继电器KV吸合动作。

该电路中,电压继电器可选用上海无线电八厂的JZC-221FB(HB4130)或JZC-22FB(HG4123)或4088等超小型中功率继电器,线圈吸引电压额定值为6 V(DC),触点负载220V(AC)3 A。
1.2 基于相序检测极速算法的检测电路
不妨假定三相交流信号的数学表达式为(参考相序A、B、C,待测相序a、b、c):

由上述推导可以得出,当W(t,φ)对时间t的偏导为0时,相序检测为正序,即待测相序与参考相序一致。反之,相序为逆序时,如将a、c互换,同样利用上述方法构造W(t,φ)函数,有


从上面推导容易得出
为相序一致的充要条件。对其充要条件进行离散化,以便在计算机上实现相序的检测。
离散化形式为:△W(t,φ)=0,即W(tk+1,φ)=W(tk,φ)。若W(tk+1,φ)=W(tk,φ),则两者相序一致;反之,则为逆序,需要校正。其计算机程序流程图如图2所示。

在实际运行过程中,如果忽略程序的运行时间,则从一开始到给出相序判别信号,整个执行过程的时间就是采样周期的长度,一般为T/12,而实际的采样周期比T/12小得多,可以做到T/12 000,甚至更小。所以,该算法为极速检测相序奠定了坚实的理论基础,使相序检测的速度提高了近百倍。但实际运用中应兼具速度与效果两项指标。
为进一步增强运行的可靠性,有时还可以用


作为判别条件,但速度随着N的增大而减慢,N可根据具体情况确定。2 相序检测报警电路
相序检测报警电路的采样信号是完全脱离信号设备的,当本报警器发生故障时,不影响电源的正常使用。电路结构如图3所示,它由电容、电阻、发光二极管组成。A、B、C分别接在三相电能表电源变压器的二次侧,三相电源经三组变压器后保持相序不变,线电压降为约20 V交流电压。
该电路的工作原理是:当A、B、C按正确的相序接入电源时,1、2节点之间的电压很小,不能点亮LED灯;当A、B、C与电源相序接错时,1、2节点之间的电压将增大至一定幅度,点亮LED报警。电路中发光二极管LED串联电阻RL构成逆相序指示电路,它作为逆相序检测部分的负载,在分析时可将其断开,列出图3所示的等效电路:对节点1、2之间电压变化进行理论分析。

3 相序检测校正
根据前面分析,相序检测为逆序时,系统发出报警信号,其相序自动矫正电路如图4所示,其工作原理是:首先合上刀开关OS,则控制变压器T1的初级回路通电,它将220VAC变成110 VAC。提供电控部分各交流接触器线包工作所需电源,此时交流接触器KM吸合,其主触头KM闭合,负载启动运转。当三相电源的A、B相分别接至相序指示器的a和b两端、零线接至d端时,相序指示器中晶体管VBG截止,所以电压继电器KV不动作,其常闭触头k1和k3闭合将负载电源接通,使其正常工作;当三相电源相序接反时,即三相电源的A相接至a端。而C相接至b端,此时晶体管VBG导通,电压继电器KV吸合动作,其常闭触头k1和k3断开,常开触头k2和k4闭合,使负载的三相电源相序保持不变。

4 结束语
通过PC104为核心的在线测试仪,本文所述电路已成功应用于某型导弹地面电源故障检测仪中。交-直-交逆变电源输入为380 V+10%,输出为200 V+10%,最大噪声电压为U2Noise=5 mV,系统的测试精度高于5%,针对部队实际,有效地缩短了导弹的测发控流程。实践表明,该电路效果良好,基本满足测量要求。
