1、引言
LED显示屏是80 年代后期在全球迅速发展起来的新型信息显示媒体,它利用发光二极管构成的点阵模块或像素单元,组成大面积显示屏幕,以其可靠性高、使用寿命、环境适应能力强、性能价格比高、使用成本低等特点, 在信息显示领域已经得到了非常广泛的应用。
LED显示屏主要包括发光二极管构成的阵列、驱动电路、控制系统及传输接口和相应的应用软件等,其中驱动电路设计的好坏, 对LED 显示屏的显示效果、制作成本及系统的运行性能起着很重要的作用。所以,设计一种既能满足控制驱动的要求, 同时使用器件少、成本低的控制驱动电路是很有必要的。本文就常规型驱动电路的设计作些分析并提出恒流驱动电路的设计方式。
2 、LED显示屏常规驱动电路的设计
LED 显示屏驱动电路的设计,与所用控制系统相配合,通常分为动态扫描型驱动及静态锁存型驱动二大类。以下就动态扫描型驱动电路的设计为例为进行分析:
动态扫描型驱动方式是指显示屏上的4行、8行、16行等n 行发光二极管共用一组列驱动寄存器, 通过行驱动管的分时工作,使得每行LED的点亮时间占总时间的1/n ,只要每行的刷新速率大于50Hz,利用人眼的视觉暂留效应,人们就可以看到一幅完整的文字或画面。
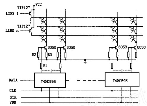
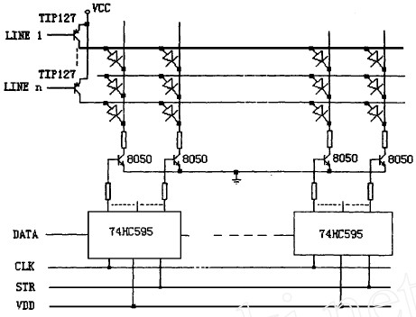
常规型驱动电路的设计一般是用串入并出的通用集成电路芯片如74HC595或MC14094 等作为列数据锁存,以8050 等小功率N PN 三极管为列驱动,而以达林顿三极管TIP127 等作为行扫描管,其电路如图1 所示。

如以单色点阵、16 行×64 列为一个基本单元,则需用8 片74HC595、64个8050及16个行扫描管, 其工作原理为:将八片74HC595 级连,共用一个串行时钟CLK及数据锁存信号STR。当第一行需要显示的数据经过8×8= 64 个CLK时钟后将全部移入74HC595 中,此时产生一个数据锁存信号STR,使数据锁存在74HC595的后级锁存器中,则与其各输出位对应的8050 将处于饱和导通或截止; 同时由行扫描控制电路产生信号使第一行扫描管导通,相当于第一行LED的正端都接高平,显然第一行LED管子的亮灭就取决于74HC595 中所锁存的信号;在第一行LED管子点亮的同时,在74HC595 中移入第二行要显示的数据,随后将其锁存,并同时由行扫描控制电路将第一行扫描管关闭而接通第二行,使第二行LED 管子点亮。以此类推,当第十六行扫描过后再回到第一行,只要扫描速度足够高,就可形成一幅完整的文字或图像,其工作时序见图2。

图2 工作时序图
3、常规型驱动电路存在的缺陷
(1) 当某一行行驱动管有效时,该行所对应的所有LED发光二极管的点亮电流都将流过该行驱动扫描管,而一行中点亮LED管子的多少随所要显示的文字或图形而不断改变,所以行扫描管中流过的电流有较大的变化,将使其管压降有所改变;
(2) 点亮LED管子的多少而引起电流的变化也将影响到电源电压值的波动,由此将影响到第一行LED管子两端的电压,使其随不同的显示文字或图形不断波动,影响了整个显示屏亮度的均匀性。
4 、LED显示屏恒流驱动电路的设计
图3
图3 给出了发光二极管的相对亮度与其中流过的电流之间的关系,从曲线中可以看出: 在一定的正向电流工作范围内,其发光亮度与其中流过的电流近似成正比,属于电流驱动型器件。所以只要能保证每个L ED 发光管中流过的电流为一常数,就能保证其亮度一致。
而从常规型驱动电路的工作原理中可以看出,由于其行、列驱动管都工作在饱和状态,无法控制其电流的大小,所以外加电源电压的波动、行扫描驱动管管压降的改变等,就直接影响L ED 发光管中流过的电流,也即改变了其显示亮度。如果将列驱动管由饱和状态改为线性放大状态, 变成恒流型驱动,就可以消除由上述因素造成的显示屏亮度不均允的现象。列恒流型驱动电路见图4。
在电源电压VDD 稳定时,74HC595 的高电平输出电压V 也很稳定,如电源电压VDD为6V 时,V = 5.9V。所以当74HC595 的某一位输出为高电平时, 其对应列的L ED 将被点亮,且其中流过的电流近似为:

只要合理选择R1、R2、R3 的值,就可保证L ED 中流过的电流稳定不变,并且可以使LED 发光二极管工作在正向电流与对应发光亮度的最佳状态。
用这种列恒流驱动方式工作,可以做到不管一行中LED管子点亮数的多少,其行驱动管的管压降虽然仍有变化,电源电压VCC也可以有所改变, 由于每个LED发光二极管中流过的电流恒定不变, 从而保证了LED 显示屏亮度的均允性。

图4 列恒流型驱动电路
