基于MSP430单片机和CC2500的无线数据采集系统是一个功能齐全的无线开发工具,该系统主要由MSP430F系列微控制器和CC2500(2.4 GHz)无线收发器组成。系统可在PC机上利用IAR嵌入式工作平台集成开发环境(IDE)或CCE开发环境编写、下载和调试应用程序。用户可以通过设置硬件断点全速运行应用程序,也可单步运行,无需额外消耗硬件资源。系统核心控制器采用MSP430F24X系列单片机,该单片机为16位单片机,集成度高,处理速度快.超低功耗,能极大的节省资源。通过Simplici TI协议,MSP430控制器通过USB接口实现与PC机的通信,调试稳定、简易方便。该数据采集系统消耗硬件资源较少,功耗超低,是一种无线数据采集的节能微型设计方案。
1 系统结构
基于MSP430单片机和CC2500无线收发器的USB无线数据采集系统,主要由主控单元、CC2500无线收发器和USB接口电路构成,图1为系统方框图。该系统可以通过CC2500无线收发器接收外部无线射频信号,MSP430F2274控制数据的接收、处理、传输,将数据打包后通过USB接口传送至PC机,利用PC机上的开发平台处理和分析数据,并显示于系统界面。同时,也可以通过PC机将控制命令通过USB接口传送给MSP430控制器,实现对外围设备的控制。
[next]
2 系统电路设计
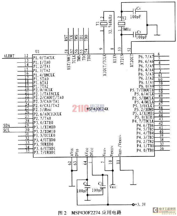
2.1 MSP430微控制器电路设计
系统硬件设计采用MSP430F2274微控制器作为主控制器。MSP430单片机是TI公司生产的一种超低功耗的混合信号控制器。该微控制器可用电池供电,而且使用时间长,该器件在少于6 μS的时间内可从低功耗模式迅速唤醒。MSP430单片机内还集成有A/D转换器、硬件乘法器、定时器、比较器等模块。它具有16 MI/s的指令传输速率,200 kS/s的10位SAR型模数转换器,2个内置的运算放大器,具有看门狗定时器,2个16位定时器A3和B3,USCI模块支持UART/LIN、SPI总线、I2C总线以IrDA等5个低功耗模式,低于700 nA待机模式,工作电源电压为1.8~3.6 V,工作温度范围为-40~85℃。MSP430F2274应用电路如图2所示。
[next]
2.2 CC2500无线收发电路设计
CC2500无线收发电路如图3所示。采用低成本单芯片的2.4 GHz无线收发器CC2500。电路设定为2 400~2 483.5 MHz的ISM和SRD频率波段。该收发器内部集成了一个数据传输率达500 kb/s的高度可配置的调制解调器。可编程控制的输出功率可达+1 dBm,支持2-FSK和MSK。 CC2500用作一个低IF接收器。接收的RF信号通过低噪声放大器(LNA)放大,再对中间频率(IF)求积分向下转换。在IF下,I/Q信号通过A/D转换器被数字化。自动增益控制(AGC),细微频率滤波和解调位/数据包同步均数字化工作。CC2500的发送器部分基于RF频率的直接合成。频率合成器包含一个完整的芯片LCVCO和一个对接收模式下的向下转换混频器产生I和Q本振信号的90°相移装置。

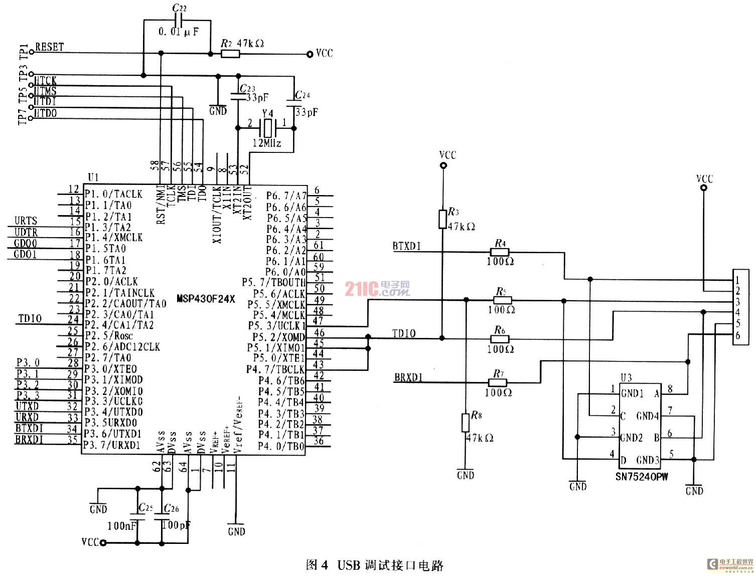
2.3 USB传输调试接口电路设计
该系统开发工具通过MSP430的USB调试端口与PC机相连,通过开发平台在PC机上对其进行开发。LISB调试接口为该系统设计提供3.6 V的标准电压,其通过SBW接口相连接,可作为一个标准的Flash仿真工具,射频USB调试接口采用返回通道的MSP430 UART端口,这样在调试阶段可以独立应用,允许用户在无流量控制的条件下,以9 600 b/s固定速率将串行数据传输到终端窗口。USB调试接口电路如图4所示。
[next]

4 结束语
基于USB接口的无线数据采集系统以MSP430为控制核心,集成了CC2500无线收发器,通过USB调试端口与PC机相连进行开发,调试稳定、简易方便,消耗硬件资源少。该系统可作为一个独立的开发工具,也可以添加到其他设计中,适用性强。TI公司提供的IAR嵌入式工作平台KickStart和CCE软件开发环境,资源丰富,易于开发。该数据采集系统可广泛应用于微型无线收发、无线传感网络及便携式传感监控领域。
