共射放大器反馈类型判断方法
摘要: 判断放大器的反馈类型,通常是采用输出端短路或采用取样法判断是电压反馈还是电流反馈。在输入端、是按照反馈信号与输入信号是以电压形式相加减或以电流形式相加减来判断是串联反馈还是并联反馈的。这种判断方法从理论上讲是容易的,但在实际应用中,要判断电路的反馈类型,对初学者来说却是困难的。为解决这一问题,笔者针对放大器中应用最为广泛的共射放大器,总结出判断反馈类型的简易公式。
Abstract:
Key words :
判断放大器的反馈类型,通常是采用输出端短路或采用取样法判断是电压反馈还是电流反馈。在输入端、是按照反馈信号与输入信号是以电压形式相加减或以电流形式相加减来判断是串联反馈还是并联反馈的。这种判断方法从理论上讲是容易的,但在实际应用中,要判断电路的反馈类型,对初学者来说却是困难的。为解决这一问题,笔者针对放大器中应用最为广泛的共射放大器,总结出判断反馈类型的简易公式。
这里笔者判断共射放大器反馈的类型,仅针对反馈取样的一级和取样信号叠加的一级放大器均为共发射极放大器才适用,对不符合这一条件者均不适用。该公式是:凡从三极管集电极取样输出则为电压反馈,从发射极取样输出则为电流反馈。反馈信号经反馈网络加到三极管基极的为并联反馈,加到三极管发射极的为串联反馈,如图1所示,举例说明如下。
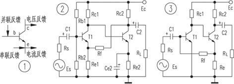
例1:试判断图2所示电路的反馈类型
在该电路中,取样信号是从T2的集电极输出,所以为电压反馈,取样信号叠加到T1的发射极,所以是串联反馈,因此该反馈放大器为电压串联反馈。
例2;试判断图3所示电路的反馈类型
在该电路中,取样信号是从T2的发射极输出,所以为电流反馈,取样信号叠加到T1的基极,所以是并联反馈,因此该反馈放大器为电流并联反馈。

此内容为AET网站原创,未经授权禁止转载。
