誉为“绿色照明”的开云棋牌官网在线客服(LED)照明技术发展迅猛,LED具有功耗低、使用寿命长、尺寸小、绿色环保等优点。通过对高强度蓝光LED的不断研发产生了好几代亮度越来越高的器件,在1990年左右推出的基于碳化硅裸片材料的LED的效率大约是0.04lm/W,发出的光强度很少有超过15 mcd的。20世纪90年代中期出现了第一个基于GaN的实用LED。现在还有许多公司在用不同的基底(如蓝宝石和碳化硅)生产GaN LED,这些LED能够发出绿色、蓝色或紫罗兰等颜色的光。高亮度蓝色LED的发明使真彩广告显示屏的实现成为可能,这样的显示屏能够显示真彩、全运动的视频图像。随着技术的不断进步,目前能生产功率高达100 W,光通量可达2 000 lm大功率高亮度的蓝光LED。因此它作为一种有着广
泛应用前景的技术,有必要对其做深入的研究。水下成像系统是建立在海水对蓝绿光(480~540 nm)低损耗窗口的基础上所建立的一种的水下成像系统。它不但能用于普通水中,而且能用于浑浊水中,甚至在漆黑的海底也能进行观察。本文主要是基于大功率蓝光LED水下成像系统的研究。大功率蓝光LED(≥50 W)光源驱动电路是基于大功率兰光LED的水下成像系统的研究与分析的重要组成部分。
1 基本原理和电路设计
对水下成像系统而言,光源的选择至关重要,光源的稳定性、均匀性、响应速度及其光波波长范围是系统成像的关键。采用蓝光LED所发出光光经过水介质——目标反射——水介质——接收光学系统,最终在成像传感器(CCD,ICCD)上成像。这就决定了LED必须工作在快脉冲驱动方式下,目前市场上的驱动电路一般均丁作在慢脉冲驱动模式(μs量级),远不能满足我们的要求。因此,我们必须自己解决快脉冲驱动电路这一难题,尤其是实现以ns量级的大功率快脉冲来驱动大功率的LED。基于这种实验实际需求,我们研究开发了此种快脉冲驱动电路。该电路的基本功能是产生低频、快速、大功率驱动电流脉冲信号,输出脉冲的频率与周期精确度高,稳定性好,脉冲信号宽度在20~100 ns内分5档可调,输出在50 Hz的基准频率下工作。脉冲信号通过驱动电路,输出一个快脉冲信号驱动输出电流开关,产生一个大电流脉冲信号驱动一个大功率LED。为了达到设计要求和目的,我们采用晶振电路产生高精度频率/周期基准脉冲作为内置信号源,通过对基准脉冲进行多次分频,产生所需频率的输出脉冲信号,这样可以获得频率稳定的脉冲信号,同时实现了频率选择。经过分频后的脉冲信号再经过脉冲宽度成形电路实现脉宽调节,然后经过电流开关电路,产生大电流脉冲,使LED发光。该驱动电路主要由以下几个部分组成:信号源、分频电路、频率选择、脉冲宽度电路、TTL输出、驱动电路和电流开关电路。其框图如图1所示。

图1 电路结构原理框图
2 主要单元电路与原理
如前所述,该电路主要由信号源电路、分频电路、频率选择、脉冲宽度成形电路、驱动电路、大功率电流开关等单元电路组成。内置的信号源产生的信号经过分频、脉宽成形之后,送入驱动电路产生驱动信号,驱动大功率电流开关控制大功率蓝光LED光源电路工作。同步的TTL输出信号可作为检测信号或其他电路的触发与驱动信号。
2.1 信号源电路
用石英晶体与非对称式多谐振荡器的耦合电容串连起来,就可以组成石英晶体多谐振荡器,该电路的振荡频率取决于石英晶体的固有频率f0,与外接电阻参数无关,耦合电容起到微调与补偿振荡频率的作用。我们采用固有频率f0为10 MHz的石英晶体构成内置信号源,其输出脉冲的频率/周期精确度高,稳定性好。
2.2 分频电路和脉冲成形电路
由晶振电路我们得到10MHz的脉冲信号,进行5次10分频和一次2分频就得到了我们所需要的50Hz基准脉冲。所有的分频都是由10进制计数器74HC390来完成。成形电路采用DS1040-100可编程脉冲信号成形器件,该集成电路有一个输入端,和两个极性相反的输出端,频率选择电路将频率为50 Hz输出信号送入DS1040的输入端,输出脉冲信号的宽度是由DS1040-100上的3个控制端(P0、P1、P2)来控制的。通过设置拨码开关选择,选择20、40、60、80、100ns等5种不同宽度的脉冲信号,成形信号稳定性好,满足水下成像系统的需要。
2.3 驱动电路
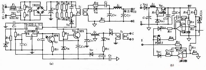
基于IRIS4011的电路由输入保护电路,EMI抑制电路,输入整流滤波电路,直流变换电路,输出滤波电路,辅助供电电路,二次恒压/恒流反馈电路组成。输入电压:85~264 VAC;输入频率47~63 Hz;输出电压5~24 VDC;输出电流2.5 A;恒流精度±2.5%;最大输出功率:60 W。利用变压器的电感与瓷片电容实现准谐振工作模式,电路简单,可靠性高。准谐振控制模式,能提高电路的转换效率,降低EMI干扰。用放大器来实现恒压、恒流控制,可以得到很高的控制精度。在输出电流比较大的电路中,必须用放大器控制形式才能提高控制精度与提高电路转换效率。限于篇幅,把电路图分成2部分,具体的电路如图2所示。

图2 驱动电源电路(点击查看大图)
摘要:为了采集水下目标的图像信息,降低水下成像系统的成本,通过采用大功率蓝光LED代替传统的激光器做光源,结合CCD成像技术,调节光束的发散角来照射水下目标场景,将目标全部或目标的关键特征部位照亮,实现对水下目标的成像。设计了基于IRIS4011构成的大功率蓝光LED的恒压恒流驱动电路。本驱动电路稳定可靠地控制LED在额定功率下工作,通过水下成像实验,采集到了水下目标的信息,实验结果表明窄小的视场范围内跟踪和接收目标信息,很大程度上减小了后向散射光对成像质量的影响,并提高了系统的信噪比和作用距离。
誉为“绿色照明”的开云棋牌官网在线客服(LED)照明技术发展迅猛,LED具有功耗低、使用寿命长、尺寸小、绿色环保等优点。通过对高强度蓝光LED的不断研发产生了好几代亮度越来越高的器件,在1990年左右推出的基于碳化硅裸片材料的LED的效率大约是0.04lm/W,发出的光强度很少有超过15 mcd的。20世纪90年代中期出现了第一个基于GaN的实用LED。现在还有许多公司在用不同的基底(如蓝宝石和碳化硅)生产GaN LED,这些LED能够发出绿色、蓝色或紫罗兰等颜色的光。高亮度蓝色LED的发明使真彩广告显示屏的实现成为可能,这样的显示屏能够显示真彩、全运动的视频图像。随着技术的不断进步,目前能生产功率高达100 W,光通量可达2 000 lm大功率高亮度的蓝光LED。因此它作为一种有着广
泛应用前景的技术,有必要对其做深入的研究。水下成像系统是建立在海水对蓝绿光(480~540 nm)低损耗窗口的基础上所建立的一种的水下成像系统。它不但能用于普通水中,而且能用于浑浊水中,甚至在漆黑的海底也能进行观察。本文主要是基于大功率蓝光LED水下成像系统的研究。大功率蓝光LED(≥50 W)光源驱动电路是基于大功率兰光LED的水下成像系统的研究与分析的重要组成部分。
1 基本原理和电路设计
对水下成像系统而言,光源的选择至关重要,光源的稳定性、均匀性、响应速度及其光波波长范围是系统成像的关键。采用蓝光LED所发出光光经过水介质——目标反射——水介质——接收光学系统,最终在成像传感器(CCD,ICCD)上成像。这就决定了LED必须工作在快脉冲驱动方式下,目前市场上的驱动电路一般均丁作在慢脉冲驱动模式(μs量级),远不能满足我们的要求。因此,我们必须自己解决快脉冲驱动电路这一难题,尤其是实现以ns量级的大功率快脉冲来驱动大功率的LED。基于这种实验实际需求,我们研究开发了此种快脉冲驱动电路。该电路的基本功能是产生低频、快速、大功率驱动电流脉冲信号,输出脉冲的频率与周期精确度高,稳定性好,脉冲信号宽度在20~100 ns内分5档可调,输出在50 Hz的基准频率下工作。脉冲信号通过驱动电路,输出一个快脉冲信号驱动输出电流开关,产生一个大电流脉冲信号驱动一个大功率LED。为了达到设计要求和目的,我们采用晶振电路产生高精度频率/周期基准脉冲作为内置信号源,通过对基准脉冲进行多次分频,产生所需频率的输出脉冲信号,这样可以获得频率稳定的脉冲信号,同时实现了频率选择。经过分频后的脉冲信号再经过脉冲宽度成形电路实现脉宽调节,然后经过电流开关电路,产生大电流脉冲,使LED发光。该驱动电路主要由以下几个部分组成:信号源、分频电路、频率选择、脉冲宽度电路、TTL输出、驱动电路和电流开关电路。其框图如图1所示。

图1 电路结构原理框图
2 主要单元电路与原理
如前所述,该电路主要由信号源电路、分频电路、频率选择、脉冲宽度成形电路、驱动电路、大功率电流开关等单元电路组成。内置的信号源产生的信号经过分频、脉宽成形之后,送入驱动电路产生驱动信号,驱动大功率电流开关控制大功率蓝光LED光源电路工作。同步的TTL输出信号可作为检测信号或其他电路的触发与驱动信号。
2.1 信号源电路
用石英晶体与非对称式多谐振荡器的耦合电容串连起来,就可以组成石英晶体多谐振荡器,该电路的振荡频率取决于石英晶体的固有频率f0,与外接电阻参数无关,耦合电容起到微调与补偿振荡频率的作用。我们采用固有频率f0为10 MHz的石英晶体构成内置信号源,其输出脉冲的频率/周期精确度高,稳定性好。
2.2 分频电路和脉冲成形电路
由晶振电路我们得到10MHz的脉冲信号,进行5次10分频和一次2分频就得到了我们所需要的50Hz基准脉冲。所有的分频都是由10进制计数器74HC390来完成。成形电路采用DS1040-100可编程脉冲信号成形器件,该集成电路有一个输入端,和两个极性相反的输出端,频率选择电路将频率为50 Hz输出信号送入DS1040的输入端,输出脉冲信号的宽度是由DS1040-100上的3个控制端(P0、P1、P2)来控制的。通过设置拨码开关选择,选择20、40、60、80、100ns等5种不同宽度的脉冲信号,成形信号稳定性好,满足水下成像系统的需要。
2.3 驱动电路
基于IRIS4011的电路由输入保护电路,EMI抑制电路,输入整流滤波电路,直流变换电路,输出滤波电路,辅助供电电路,二次恒压/恒流反馈电路组成。输入电压:85~264 VAC;输入频率47~63 Hz;输出电压5~24 VDC;输出电流2.5 A;恒流精度±2.5%;最大输出功率:60 W。利用变压器的电感与瓷片电容实现准谐振工作模式,电路简单,可靠性高。准谐振控制模式,能提高电路的转换效率,降低EMI干扰。用放大器来实现恒压、恒流控制,可以得到很高的控制精度。在输出电流比较大的电路中,必须用放大器控制形式才能提高控制精度与提高电路转换效率。限于篇幅,把电路图分成2部分,具体的电路如图2所示。

图2 驱动电源电路(点击查看大图)
2.4 输出电流开关电路
通过成形电路的信号,控制大功率蓝光LED发光,驱动信号控制电流开关。电流开关选用一种大功率高频三极管,为了满足LED驱动电流的需求,将4只三极管并联,使流过LED的脉冲电流最大达到2.5 A,保证了LED在额定功率下工作,达到稳定光源的目的。在输入驱动信号的作用下,三极管进入导通状态,LED两端产生一定的压降,大电流流过LED,使大功率蓝光LED发光,作为距离选通水下成像系统的光源,电路如图3所示。

图3 电流开关电路
3 结论
水下成像系统是基于大功率蓝光LED光源主动照明和CCD技术相结合,通过调节光束的发散角来照射水下目标场景,将目标全部或目标的关键特征部位照亮,实现对水下目标的成像。而大功率蓝光LED光源的驱动电路是成像系统关键技术之一。本文设计的大功率蓝光LED光源驱动电路已通过测试,已经应用于成像系统的实验。通过对内置脉冲发生器输出信号、LED驱动电路信号的测试,表明光源驱动电路各项性能
达到实验要求:经实验现场进行验证,电源驱动电路工作稳定,满足水下成像系统对光源的要求。大功率蓝光LED光源的驱动电路在设计上采用晶振电路构成内置信号源,保证了所产生的脉冲信号的频率精确度和稳定度。频率选择通过面板的手动开关进行设置,并联使用大功率的高速三极管,解决了大功率蓝光LED光源高速驱动的问题。
