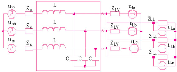
1 引言
随着相关技术的不断进步,交-直-交变频器技术得到了长足发展,变频器-电动机传动系统广泛应用在各行各业,其中由于单相供电的局限性,目前较大功率的变频空调等电器均采用三相交流电源供电。由于传统交-直-交变频器的前级ac-dc变换器为不控二极管整流桥,众所周知,只要对于三相供电系统采用不控整流桥,后级为任何电路型式,对于电网而言,传统交-直-交变频器均为非线性负载,即网侧电流含有大量的低次和较高次谐波电流,造成输入功率因数降低和电流thd增高,不符合谐波电流发射限度标准:iec61000-3-2和iec61000-3-12。谐波电流的危害不言而喻,为此必须采取谐波电流抑制措施。对于三相供电的传统交直-交-变频器系统,除了改善输入电流波形和减少基波功率因数角外,另一项重要的目标是维持直流电压相对负载的硬度,即要有较高的负载调整率,还要有较高的平均值和较低的纹波电压峰峰值,以便提高后级逆变器-电动机系统的恒转矩范围,提升输出功率等级。
到目前为止,出现了非常多的滤波原理和滤波方法,对谐波源的分析也较为深入。常用方法包括无源滤波、有源滤波以及混合滤波,又可以划分为调谐的滤波器、高通滤波法、各种有源电力滤波器法、各种三相可控整流器、各种无源电力滤波器,等等。对于有源滤波或校正技术,虽然滤波或校正效果好,但技术复杂,成本较高,在某些场合和一定的阶段时期不适于推广应用。无源滤波技术发展最早,在抑制设备谐波方面效果较好,好的无源滤波方式,不仅可以抑制谐波电流,还具有无功补偿作用。据了解目前三相交流电压供电的商用变频空调尚未采用三相有源pfc,仍然采用lcl滤波方式,生产机型全部出口欧洲国家。对三相供电的交直交变频器,目前已经出现了大量不同的无源滤波技术,如单级lc滤波器、多级lc滤波器、多种3次谐波注入的滤波器、变压器耦合滤波器、电感耦合滤波器等。本文旨在针对性价比高的单级lc滤波器-整流桥-电阻负载系统进行理论分析、仿真分析和实验测试,确定最佳lc滤波器设计方法,同时解决单级lc滤波器的几个关键问题,如直流电压提升原理、整流桥最佳输入线电压波型等,为单级lc滤波器在整流桥这类非线性负载中的应用打下基础。
2 三相lc滤波器-不控整流桥系统的关键问题
2.1 谐波源与特性问题
非线性负荷的谐波源型式可以大致划分为三种:谐波电压源、谐波电流源和混合谐波源。对于可控硅整流器、矩阵整流器以及电流源型pwm整流器,由于输出直流侧后接较大感值的平波电抗器,在网侧呈现谐波电流源特性,感性越强与负载越大,谐波电流源特性越显著,需要采取整流桥前并联补偿。对于三相不控整流器、电压源整流器,由于输出直流侧后接较大容值的滤波电解电容器,在网侧呈现谐波电压源特性,容性越强负载越大,谐波电压源特性越显著,尖峰电流越高,需要采取整流桥前串联补偿。对于较大功率输出的三相不控整流器的直流侧一般都后接lc滤波器,电抗器的作用是平滑直流侧电流,对于非无穷大供电系统当电感量不足时,谐波源特性介于谐波电流源与谐波电压源特性之间。
供电线路上串入滤波电感之后,谐波电压源特性的三相不控整流桥-电解电容-负载系统具有了谐波电流源特性,谐波电流的频率越高越有利于抑制,电感量越大越体现电流谐波源特性,因而可以考虑线路间并联电容来旁路产生的谐波电流,谐波电流的频率越高越有利于旁路。可以认为单级lc滤波器-三相不控整流桥-电解电容-负载系统的谐波等效电路具有混合谐波源特性,其等效电路应该为谐波电流源与谐波电压源的综合,这一点符合诺顿定理,如图1所示。

图1 单级lc滤波器-三相不控整流桥-电解电容-负载系统谐波等效电路
对于不控整流桥谐波源特,当忽略电网分布感抗时,典型的输入相电压、线电压、相电流以及直流电压的关系见图2(a),输入电流的thd很大,正弦度不高,不符合谐波电流发射限度标准:iec61000-3-2和iec61000-3-12,为此必须采取适当的无源滤波措施,以便提高网侧电流的位移因数和波形因数。在众多的无源滤波方案中,单级输入lc滤波器是一种简单易行、成本低廉、滤波效果好的措施,通过合理的参数配置可以获得接近1的输入功率因数,此时输入相电压、线电压、相电流以及直流电压的关系见图2(b)。

(a)无输入滤波器

(b)单级lc输入滤波器
图2 输入相电压、线电压、相电流以及直流电压的关系
图2来源于滤波电感l=25mh、滤波电容c=35mf(y接法)、电解电容680mf、电阻负载45w时的单级lc滤波器-三相整流电路。从图2b)可以看出,网侧电流与网侧相电压基本同步,波形基本一致,网侧功率因数接近于1。还可以看出,整流桥输入侧相电压与线电压波形畸变,且其相位均滞后相应的网侧相电压与线电压,其幅值也远高于相应的网侧相电压与线电压幅值,直接导致整流桥直流侧电压的平均值升高,纹波峰峰值也得到抑制,因此引出了单级lc滤波器-整流器电路的几个关键问题:等效谐波源问题、lc最佳参数配置问题、整流器最佳线电压波形问题、直流电压升高与直流纹波电压降低问题等。
2.2 最佳滤波效果问题
采用单级lc滤波器后,网侧不能获得单位功率因数。原因是:如果输入电流波形为与相电压同步的正弦波电流,则滤波电感的端电压为超前相电流90°的正弦电压,桥前相电压为电网相电压与电感端电压之和,桥前线电压也将为正弦电压波形,桥前相电流也将为电流脉冲状态,二极管的导通角小于120°,又回到了没有lc滤波器的状态,这些情况均与实际不符。
为了合理配置l、c参数,获得高输入功率因数,有必要建立单级lc滤波器-三相整流桥-电解电容-负载系统的回路电压与节点电流方程,并设定输入电流特征指标,如给定允许位移角θ1、thd与谐波电流限度,在设定好额定输出功率的前提下,给出利用matlab或其他仿真平台,采用数值计算和对l与c参数扫描的方法,确定电感与电容的参数,可以得到多组满足条件的解。在这些解中,尽量选择参数配置均衡的解,尽量选择lc乘积小的解,这样才可能便于器件的设计与制作,并控制成本和体积与重量。在确保有余量地满足谐波电流标准的前提下,适当调节位移角θ1的大小与超前滞后程度、适当增加电网电流的thd,可以大大降低lc乘积。
设定额定负载为7.5kw,经过数值计算和对l与c参数的扫描,发现当l=25mh、c=105mf(δ接法)时,位移角θ1=2°,thd=5.0%,输入功率因数λ=0.99,认为此时的l、c参数就是一组可以获得最佳滤波效果的滤波器参数。
首先建立整流电路的节点电流与回路电压方程,根据桥前线电压不同与整流桥二极管导通规律,划分6个区间,绘制等效电路,见图3,并建立相关方程。

图3 不同二极管导通区间的等效电路
图3中dh与dl表示同时导通的一组二极管,dh为上管,dl为下管,ux与uy表示对应的一组电网相电压。经过分析,在各个区间内满足方程1和2。
(1)
(2)
其中,ud表示一个二极管的导通压降,取2.0v,ulb表示桥前线电压,即滤波电容的端电压,uxy表示电网线电压。经过求解方程(1)~(2),得到桥前线电压ulb的表达式(3)和电网电流a相的表达式(4)。
(3)
式中各系数为:
(4)
式中各系数为a1=29.41,b1=314.4,c1=-12.54。
接着,采用相同的过程,求解出桥前相电压、直流输出电压、滤波电容电流、桥前电流、桥后电流、电解电容电流、负载电阻电流的表达式,绘制各自的波形,将其与采用同样参数经过仿真分析得到的相应波形进行相似性比较,和图2(b)比对,结果发现相似度基本上为1,说明这种寻找l、c最佳参数的方法是有效的,推导出的有关表达式是较为精确的,可以作为实际选择参数的依据。
2.3 桥前最佳线电压波形问题
如果想获得最佳的功率因数校正效果,认为必须获得最佳的线电压波形。不同的输入滤波器型式,桥前的最佳线电压波形不一定相同。对于单纯串联的输入滤波器型式,最佳线电压波形一定相同。对于单级与两级lc滤波器型式,最佳的线电压波形一定不相同。对于单级lc滤波器型式,最佳的线电压波形的特点是:
(1)电感端电压并非正弦波形,而是6段60°的依次相连的弦波片断,反映了整流桥二极管每60°一次换相的过程,每个过程内整个线路为线性电路,换相过程为非线性电路。电感端电压包含基波压降以及5、7、11、13等低次谐波压降,基波压降滞后基波电流90°;
(2)电感电流具有较高的正弦度,但不是真正的正弦波形,反映了整流桥二极管的换相过程;
(3)桥前相电压波形滞后电网相电压波形大约30°,其原因是滤波电感端电压滞后电网相电压大约90°;
(4)桥前线电压波形与电网相电压几乎同步,呈现交变梯形波,波形平顶大约占120°,波形底部大约占180°,幅值大大提高,其原因是滤波电容通过了并联谐振容性电流和部分谐波电流,前者比重较小,后者比重较大,本例中为几乎全部的谐波电流。在半个周期内,中间60°时间电流近似为零,两端60°时间谐波电流呈指数规律上升,这种谐波电流的分布,通过积分作用,使得桥前线电压呈现这种特殊的波形,其有效值和平均值大大增加,超过电网线电压的有效值和平均值。这种桥前线电压与电网相电压同步,有利于二极管导通角为120°。
以上分析,解释了单级lc滤波器-三相整流桥-电解电容-负载系统的几个关键问题:最佳桥前线电压问题,直流电压升高问题,纹波电压峰峰值下降问题。
3 仿真与实验验证
3.1 仿真验证
采用仿真软件matlab/simulink对单级lc滤波器-三相不控整流桥-电解电容-电阻负载系统进行了较全面和细致的仿真分析,给定额定负载为7.5kw的恒功率负载,折算到三相电阻负载为45ω,三相lc滤波电路,滤波电感25mh,滤波电容35mf(y接法),系统原理如图4所示。

图4 单级lc滤波器-三相不控整流桥-电解电容-电阻负载系统仿真原理
滤波电容的端电压表达式为:
(5)
式中:uc为电容电压,us为电源电压,rs为电源电阻以及电抗器的分布电阻,rl为负载电阻,1/rl反映了负载功率。在负载功率不是很大时,由于rs为mw级别,可以忽略rs/rl,则电压增益为:
(6)
上式说明,在忽略线路压降的条件下,负载功率的增加,使后接整流器-电解电容-负载系统时降压的唯一原因。电压增益与滤波电感量的关系较为复杂,当电容容值不变时,电感量为54mh时电压增益为最大1.527倍,电感量小于54mh时单调增函数,电感量大于54mh时单调减函数。电压增益随着滤波电容量的增加呈现增函数。
当负载为足够大时,电压增益趋近于零,当为空载时,电压增益如式(7)所示。
(7)
式中ic电容电流,xs为感抗,xc为电容容抗,rs起到减少电容电压幅值的作用,在负载功率不是很大时,由于rs为mw级别,可以忽略ωicrs。则:
(8)
上式说明,lc滤波器的使用将产生并联谐振,能够提高输出电压,这也是后接整流器-电解电容-负载系统时能够升压的一个重要原因。
仿真结果:滤波电容(d接法)线电压与电网线电压同步,正弦波形,工频50hz,超前相电压30°,幅值为电网线电压幅值1.35倍,幅值为727.0v,电网线电压幅值为538.6v,电网相电压幅值为311v。滤波电容(d接法)相电压与电网相电压同步,正弦波形,工频50hz,幅值为电网相电压幅值1.35倍,幅值为419.5v。滤波电感电压为正弦波形,工频50hz,幅值为电网相电压幅值0.35倍,幅值为108.9v。电网电流为正弦波形,超前相电压90°,工频50hz,幅值为13.85a。电容(d接法)电流为正弦波形,超前相电压120°,工频50hz,幅值为8.0a。以上仿真数据与理论分析结果相同。

图5 单级lc滤波器-三相不控整流桥-电解电容-电阻负载系统实验原理图
3.2 实验验证
为了验证单极lc滤波器在三相不控整流系统中谐波抑制的有效性,进行实验验证,系统原理见图5,图5中三相不控整流桥为35a/1200v,硅钢电感取值10mh~35mh,cbb65电容取值5μf~35μf/1200v,最大输出功率接近7.5kw。实验结果与理论分析和仿真分析结果相符合。电感25mh/y接电容35μf时输入与输出参数、谐波电流含量分别见表1~2,电感25mh/y接电容35μf时电网电流与直流电压的波形见图6。

(a)轻载(4.464a)

(b)重载(10.03a)
图6 电网电流与直流电压波形
注意事项:
(1)采用单级lc 滤波器时电感量不宜过小,而且不宜共铁芯,否则影响滤波效果,滤波电容应该置于电感与整流桥之间;
(2)空载时lc并联谐振,产生高压,除了考虑元器件选型耐压问题,还需要处理好后级变换器如逆变器-电动机传动系统的启动问题,设计启动程序应该考虑软启动;
(3)电网电压变化时输出直流电压相应变化,负载变化时输出直流电压也相应变化,这种跟随特性有利于lc参数选择。

表1 输入与输出参数(电感25mh/y接电容35μf)

表2 谐波电流含量(电感25mh/y接电容35μf)
4结束语
通过理论分析、仿真分析和实验验证,单级lc滤波器的使用将不控整流桥-电解电容-负载系统的谐波源特性由电压源特性移向电流源特性,电感取值越大电流源特性越强,谐波源特性可以改变;输出直流电压提升的原理在于lc产生并联振荡和谐波电流通过滤波电容产生容性电压综合作用的结果,对于额定输出功率而言,可以通过理论分析和仿真分析找到最佳lc参数配置,得到近似交变梯形的最佳桥前线电压波形,并能够实现高输入功率因数;最大输出功率7.5kw的三相lc滤波器-整流桥-电解电容-电阻负载系统实验结果也验证了三相不控整流器采用lc滤波器,可以在较宽的负载范围内获得较高的功率因数,同时也可以提高输出直流电压平均值;在空载与轻载下,电网产生的容性电流,还有利于补偿电网的滞后无功。单级lc滤波器结构简单,成本低廉,特别适合在三相供电的大功率变频空调等场合应用。
作者简介
杨喜军(1969-) 男 现为上海交通大学电气工程系副教授,专业为电力电子与电力传动,目前研究方向为多级交错单相有源pfc、电力电子变压器等。
参考文献(略)
