在过去的十年里,模拟设计人员和电源设计人员的角色一直在发生变化。最近,随着开云棋牌官网在线客服集成水平越来越高以及产品制造领域的全球性变化,这种角色变化的趋势进一步加剧。概括地讲,集成正在从处理器延伸到各种模拟外设,逐渐向上游发展,制造业也正在向中国转移。仔细研究一下,发现这是一个非常有意思,且具有启发性的故事。
新角色
我们首先回顾一下模拟设计人员角色演变的过程。人们曾经希望模拟设计人员(无论男女)成为精通一项不可思议的艺术的大师,他们的任务是实现或多或少的各种单功能器件之间的互连。很久以前,他们处理的器件从无源器件和电子管,然后是晶体管、运算放大器和比较器,发展到简单的定时IC、PLL、ADC和DAC等。他们的工作是驱动模拟收音机和电视、示波器和X光机、雷达装置和投弹瞄准器,从模拟信号的角度来看,大多数这些设备都与真实世界发生交互。最近,数字输出的出现,极大地方便了与微控制器或DSP的交互,而这些器件则是数字设计人员涉及的领域。(请参见:An Early Experience with Mixed-Signal Design Disciplines。)
如今,情况发生了变化。当混合信号芯片厂商发布新产品时,许多新产品(可能是其中的大部分器件)都是面向特定应用的,它们包含整个信号链,从传感器输入以各种形式收集模拟数据,并将模拟数据变成电压电平,到通过信号调节进行数字化。输出通常是针对芯片厂商的某种微控制器或DSP的输入进行预配置的。事实上,一般都会有完整的参考设计可供使用。终端产品厂商唯一要做的事情就是确定要实现哪些功能,价位多少,以及包装电子器件的封装设计。
芯片厂商的这种商业模式似乎在全球范围内都比较普遍。而欧洲、日本和韩国是特例,这些地区的IC制造商都是大型的垂直集成型机构,新款芯片的主要客户可能都是内部客户,而北美芯片公司的客户往往是中国厂商。
对于模拟设计工程师来说,产品集成的这种变化已经改变了他们的职业前景。除了从事工业控制领域工作的工程师以及军事航空和电信公司的工程师之外,以前需要在工作台上进行的设计工作已经不复存在了。所有我访问过的公司都认为,模拟设计领域的机会已经转移到了芯片公司,芯片公司的模拟工程师可以是该公司内部或者这个领域的混合信号芯片设计人员或者应用工程师。
促进改革的推动力
事情发展到这种局面经历了一些过程。显然,IC设计规则一代代地持续缩小推高了集成度,不过由于允许的工作输入电压随着物理尺寸的缩小而降低,也同样带来了各种难题。
仅仅从模拟领域完善模拟芯片设计可能会使芯片生产工艺停留在0.35微米时代。从那时起就已经有必要通过数字领域的技巧来缓解基本的噪声问题。
事实上,设计规则的缩减已经成为混合信号集成的推动因素之一。将信号调节放大器连接到ADC不再需要留给客户工程师来做了:这些工程师并不是非常熟悉工艺技术以及在信号链各级实现的专有技术。芯片厂商如果不希望客户抱怨他们的产品没有在真实设计中达到其数据手册中的特性,他们就必须将接口隐藏在芯片封装内。即使是这样,最终产品的性能也不可能由于客户修改了由工厂开发的布局而得到提升。因此,我们找到了完整的参考设计和Gerber图,并且找到大批现场应用工程师向客户解释,为什么工程师们确实不愿意用便宜的电容来给每个电路板节省半分钱的成本。
削减材料成本往往会将一个设计置于死地,这种观念为过渡到高集成度混合信号IC产品提供了主要依据。
对于购买新型混合信号产品并将这些产品变成面向普通民众和新兴中产阶段的消费类产品的公司(OEM和ODM)而言,他们正面临着这样的难题。
我们先来了解一下这些首字母缩略词——OEM是原始设备制造商的缩写,而ODM是原始设计制造商的的缩写。我无法在网络上找到一个我认同的明确解释,因此我会提出一个与我在芯片业务中获悉的说法相一致的定义。
概括地讲,这是一种分级的局面:OEM为销售品牌产品的公司生产有品牌的产品。ODM则生产组件,可能有多家公司会在这些组件上加上GUI,并用外壳进行封装后,以多种未注册的商标进行销售。
OEM这个名称是OEM概念在汽车业务中的延伸。福特(Ford)或丰田(Toyota)销售给普通用户的挡风玻璃雨刮器电机可能就是外面的厂家按照福特或丰田的规格生产的。这种电机可能还需要进行某种验收之后才能进入福特或丰田的“车厂到经销商”的供应链中。福特或丰田的品牌以及该电机来自汽车公司的零件部这一事实会给我们带来信心,使得我们愿意接受这些产品高于从产品目录中购买的具有同样规格的产品的价格。
在电子产品由中国厂商(这些厂商可能已经购得了以前比较出名的北美品牌的品牌权)生产的情况中,运行机制是相似的:以拥有品牌的公司的名义销售的产品是无与伦比的,公司可能在十年或者更长的时间都一直在致力于通过优异的性能、过硬的质量和顾客支持,为其品牌建立声誉。
在中国,这类公司往往面向的是海外市场。当海外市场像现在一样不景气的时候,情况就不是很妙,这样,它就无法支持通常较短的消费产品生命周期。(我们应该每三年买一个新电视。)
同时,中国中产阶段群体的规模在与日俱增;这个群体的人群可能要比全球任何地区中产阶段的人都要多,这些普通百姓一般都没有采用一流的消费产品,因此他们现在有了强烈的购买欲望。
此外还需要记住的是,他们没有用信用卡的习惯,因此,虽然他们无法像西方消费者一样消费那么多,但是他们几乎不可能引起经济泡沫,如果像中国一样,你一直接受的是严格的马克思主义经济学的熏陶,这可能是一件好事。
这就是OEM所面临的局面。如果芯片公司的参考设计有足够的功能支持具有各种价位(与实现的功能数成正比)的常规设计,如果可以通过多个国内品牌的不同配置来提供设计,并且ODM能以最低的非重复性工程(NRE)成本迅速将其导入生产阶段,那么这种产品就是一个成功的产品。
也可以这样说,如果产品能够支持终端用户对价格和性能的期望,那么这种产品就是一个成功的产品。例如,很久以前,我曾经写过一篇有关日本和中国空调市场的文章(网址为http://electronicdesign.com/article/power/air-conditioner-chip-set-is-way-cool12211.aspx)。议题是不同的压缩机需要的电机控制以及价格与安静度之间的折衷。日本消费者愿意为噪声比较小的空调支付更高的价格;而中国消费者只要求空调能致冷就行了。
除了经济因素之外,还有各种其它的文化考量。如果你所在国家的大部分地区都存在医生和医院严重短缺的状况,那么资质相对较低的医生使用的比较便宜的医疗仪器将在整体医疗方面起到极大的作用。因此,你会发现ODM不仅生产便宜的笔记本电脑、空调和照相机,而且还生产基本的超声波仪器。(请参见:An Early Experience with Mixed-Signal Design Disciplines,网址为http://electronicdesign.com/article/analog-and-mixed-signal/New-Technology-Treats-Medical-Needs-In-Developing-Countries.aspx。)
如果OEM或ODM的商业模式需要厂商应对高NRE费用,这种商业模式就不起作用。这是我们赞同开云棋牌官网在线客服厂商应该专注于更有难度的模拟设计工作的另一个因素,而不是遵循旧的模式,开发各种单独的高性能IC,并“将这些IC一股脑儿扔给”终端产品设计人员。
缺乏导师
避免这种脱节同样也是近代中国发展的一个侧面。每当我与开云棋牌官网在线客服公司的高级工程师谈起未来的模拟设计人员将来自哪个群体时,他们总是告诉我,新大学毕业生至少需要高级设计人员指导五年之后才能真正充分发挥作用。
毫无疑问,在中国的工程设计院校学习的年轻学生既聪明又勤奋,不过他们毕业之后,却面临着严重缺少高级导师的问题。据悉,由于已在海外工作几十年的退休工程师回到工作岗位,这个问题在一定程度上有所缓解,不过只有等到更多的应届毕业生度过他们的成熟期之后,这个问题才会得到彻底解决。
这并不意味着年青的中国工程师一直在原地踏步。多个资源来源显示,年青的中国工程师非常依赖他们自己的社交媒体,从而在技术问题上寻求相互支持。
影响延伸到无晶圆厂
到此为止,本文讨论的范围已经涉及到了传统的开云棋牌官网在线客服公司及其客户,但是向高混合信号集成度发展以及通过参考设计提供完整的产品化的趋势也延伸到了无晶圆厂新创公司。这里举一个例子,我以前写过一篇有关Samplify公司的文章,该公司从一家IP供应商发展成一家ADC供应商,最后发展成便携式超声波设备的完整产品设计提供商(网址为http://electronicdesign.com/article/analog-and-mixed-signal/The-Mind-Of-An-Entrepreneur.aspx)。
Samplify公司实现这一飞跃的途径是面向ODM进行优化,不过这不是无晶圆厂公司唯一可行的办法。苏格兰公司Wolfson Microelectronics表示,它正在寻求将其编解码器用在大公司的参考设计板的机会,从而能将他们的产品卖给OEM。
中国以外的地区
由于远东地区消费类产品的产量极具影响力,因此在讨论这种趋势时,很难不去详细讨论远东地区。不过更高集成度和预先优化的设计也开始在西方工业控制市场出现。
根据定义,工业控制是专注于特定产业的区域性领域,与消费类产品相比,工业控制领域的任何一种项目需要的IC数都非常少。尽管如此,总的来讲,工业控制领域对于分销商而言也是一笔大业务。这里的问题在于,随着开云棋牌官网在线客服公司不断招收越来越多的应届大学毕业生,并将他们派上芯片设计工程师和应用工程师的工作岗位,从事工业控制开发工作的新模拟设计工程师(无论是大公司还是小设计公司)就存在一定的短缺。与此同时,高级设计工程师日渐年长,纷纷退休,一方面在经验上造成损失,另一方面加剧了供应减少的局势。
认识到这一点之后,一些开云棋牌官网在线客服公司开始改革。美国国家开云棋牌官网在线客服公司(NSC)就是一个很好的例子。被德州仪器(TI)收购后,NSC一定会起死回生的其中一个因素就是其WEBENCH在线设计工具组合产品。从过去来看,这些产品致力于采用功能上相对简单(与本文讨论的IC相比)的IC进行设计,不过最近发布针对特定传感器定制的信号调节产品之后,这种局面发生了变化。补充新硬件是一种可定制整个信号链的新型WEBENCH实现方案。(请参见:Chips Implement Sensor Signal Chains From Nanoamps To Bits,网址为http://electronicdesign.com/article/analog-and-mixed-signal/Chips-Implement-Sensor-Signal-Chains-From-Nanoamps-To-Bits.aspx)。
LMP91000就是这种传感器产品中的一个例子,这是一款面向电化学传感应用的可编程模拟前端(AFE),以下网站上有该产品的说明:http://www.national.com/pf/LM/LMP91000.html#Overview。
电源因素
自从开关稳压器中出现数字控制功能之后,电源管理IC厂商已经走上了与混合信号IC厂商相似的道路。这对于采用中间总线架构(IBA)的应用而言尤其如此,在这类应用中,关闭模拟领域的控制回路通常被视为一种模拟魔术。因此Power-One和NSC等芯片厂商通过图形用户接口(GUI)支持其“数字”电源产品,图形用户接口则承担设计过程中的所有需在工作台上完成的设计工作和大量分析工作。
对于大多数器件来讲,这些产品都是DC-DC开关稳压器,不过Vicor公司最近发布了一款名为PowerBench的电源设计工具,该工具支持从简单的降压稳压器和升压稳压器到完整的多路输出AC-DC电源的设计。
混合信号产品示例
接下来我们抽查一下各种开云棋牌官网在线客服公司最近发布的产品,以此来举例说明上述各种混合信号芯片。
去年3月,TI发布了16位和14位双通道同步采样逐次逼近(SAR) ADC,这两款ADC都带有独立控制的内部电压参考,可简化系统级设计。16位ADS8363、14位ADS7263和12位ADS7223(图1)可以提供同类ADC两倍的每通道吞吐能力,支持高达1Megasample/s的采样速率。这些ADC的目标应用为工业控制领域,而不是消费类或医疗应用。典型应用包括马达控制、电能质量测量、电力自动化以及太阳能和风力发电逆变器。

图1:Bulletproof的参考设计对于销售和应用旨在去除设计特定混合信号应用所需硬件的IC至关重要。这块针对TI公司面向工业控制的ADSxx63双通道SAR的电路板相当简单,因为芯片的使用相对较简单。
集成两个2.5V独立控制的电压参考的意义在于实现独立的ADC增益校准和实现可编程增益放大器。此外,这种功能还可以在每个ADC需要不同的增益水平时减少外部信号调节的需求。
凌力尔特公司(Linear Technology)的新产品一般都针对汽车应用。从高集成度的角度来讲,凌力尔特公司面向混合动力汽车/电动汽车(EV)和其它高压高性能电池系统的LTC6803第二代高压电池监测器可以解决通过串联电池组的高压的问题。多个LTC6803可以在不使用光耦或隔离器的情况下串联在一起(图2),从而对电池阵列中的每个电池实现精确电压监测。每个LTC6803电池测量IC都包含一个12位ADC、一个精密电压参考、一个高压输入复用器和一个串行接口。单个LTC6803可以测量多达12个串联的独立电池。可以测量的电池电压范围为-300mV至5V,这使得LTC6803能够监测许多不同的化学电池和超级电容。除了精密测量之外,还可以监测每个电池的欠压和过压状况,提供相关的MOSFET使过度充电的电池放电。此外还有一个5V稳压器、一个温度传感器、GPIO线路和热敏电阻输入。

图2:凌力尔特公司针对利基市场的高集成度发展路线包含了在不采用光耦的情况下监测电动汽车电池组状态的诸多技术。
测量汽车的电池阵列有一些独特的要求,从而催生了一些同样独特的解决方案。例如,对于长期的电池组存放,集成式电池管理系统消耗的电流会使电池失去平衡。凌力尔特公司的应对方法是采用待机模式,在该模式下汲取的电流不到12微安。此外,由于LTC6803的电源输入与电池组隔离,因此LTC6803可以汲取独立电源的电流,在这种情况下,从电池组汲取的电流将不到1微安。除此之外,芯片还必须满足汽车温度、环境和安全标准。
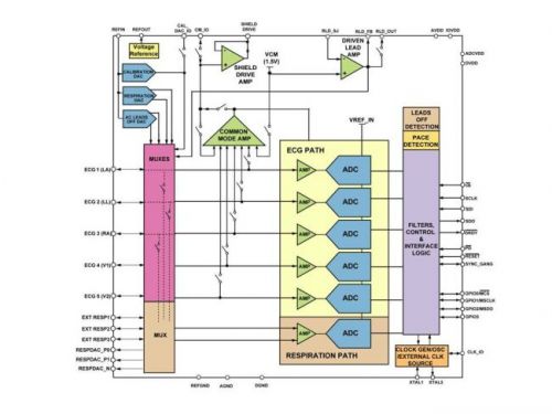
今年1月,ADI发布了面向心电图(ECG)系统的模拟前端芯片系列的首款产品。ECG系统可以测量和记录人体心脏的心电活动(图3),实现对出生缺陷、心律失常、心脏瓣膜问题和心脏肌肉的供血不足等疾病的诊断和分析。

图3:ADI公司用于便携式ECG的模拟前端可以在满足严格要求的同时,节省功耗和BOM成本。
ADAS1000 ECG AFE可以省去5电极心电监护系统的信号链中的50多个元件。该器件还整合了心脏起搏器脉搏检测和呼吸测量功能。这是一个通用器件,因为它可以通过配置来优化噪声性能、功耗或数据速率。这些指标是家庭、门诊和医院ECG系统的不同设计目标。
对于ODM和OEM而言,自然就有相当多的设计支持。评估板包括模拟前端、电源、控制和接口选择方案。由于模拟前端是唯一的,因此ADI将其与ADI的Blackfin DSP(数字信号处理器)、单芯片USB隔离器、四通道数字隔离器、5kV DC-DC转换器,433MHz、868MHz和915MHz ISM波段收发器和各种DC-DC稳压器整合在一起。
TI还推出了一个面向便携式ECG系统的模拟前端系列。最新的24位ADS1298R整合了呼吸检测功能,集成了40多个分立元件(如果不集成的话就需要这么多元件)。该芯片(图4)的功耗比分立实现方案低95%。片上器件包括八个ADC、八个可编程增益放大器(PGA)、八个有源滤波器以及一个心脏起搏器检测接口、持续断线检测功能、一个电压参考和右腿驱动电路等。在参考设计中,该芯片与超低功耗DSP配合使用。参考设计还可以实现示波器、FFT和直方图显示,这体现了芯片公司在这些目标混合信号芯片中提供的设计支持。

图4:除芯片厂商之外的其它公司会从本文介绍的趋势中获益。TI的心电图产品可与ADI相媲美。评估板可与Fluke公司的这款商业仿真器配合使用。
集成度有时候也涉及MEMS。ADI在1月推出了具有I2S(Inter-IC Sound,音频芯片互连)数字输出的高性能MEMS麦克风ADMP441。(这是产前公告,今年6月开始量产)。该公司以前在其iMEMS系列中推出了其它的麦克风产品,不过这款新麦克风器件不需要进行信号调节和数字化操作,而是直接提供24位串行数据输出。其规格如下:频率响应为100Hz至15kHz,SNR为61dBA,电源抑制比(PSRR)为80dBFS。采用4.72×3.76×1.00mm3的封装。

图5:集成并不意味着不使用电子元件。ADI将MEMS麦克风与其相关的电子器件集成在一起,实现了一款尺寸极小的耐用设备。
