1 引言
电池的正常使用是电动汽车能够安全可靠行驶的重要保证。过度充电或过度放电均会对电池造成严重危害, 因此必需对电池组中的每节电池进行严格的监控。LTC6802是凌力尔特公司推出的一款高度集成的电池监测芯片。LTC6802 能同时监测12节电池, 其外围电路简单, 在电池管理系统中的应用大大简化了系统的结构, 有效地降低了产品成本。同时, 其12位的高分辨率也保证了系统的精度要求。
2 LTC6802简介
2. 1 功能简介
LTC6802是一款电池监测芯片, 内部包括12位分辨率的模数转换器, 高精度电压参考源, 高电压输入多路转换器和串行接口。每片LTC6802 可测量12节串联电池电压, 最大允许测量电压60伏。可同时监测全部电池电压或单独监测串联电池中的任一节电池。芯片采用独特的电平移动串行接口, 多片LTC6802可直接串联, 芯片之间无需光耦或隔离器件。
多片LTC6802串联时可同时工作, 全部串联电池的电压测量时间在13ms 以内。为减小功耗,LTC6802还可对每节电池的过电压与欠电压状态进行实时监控。芯片每个电池输入端内部连接有MOS开关用于对过充电池放电。
2. 2 LTC6802 性能概要
0. 25% 的最大总测量误差(从- 40℃ ~ 85℃ )
可堆叠式架构实现1000V +系统
固有FIR滤波处理电路的delta- sigma ADC
具有数据包误差检验功能的1MH z串行接口
用于电池放电的片上FET
温度传感器输入
内置精确3V 基准和5V 稳压器
诊断和故障检测
2. 3 引脚介绍
如图1 所示, V +: 器件工作电源正端, 芯片工作电源由电池提供, V + 与电池组总正相连; C12 -C1: 电池电压输入端; S12 - S1: 电池均衡控制端;V-: 电源负端, 与电池组总负相连; VTEMP1, VTEMP2:温度传感器输入端; VREF: 3. 075电压基准; VREG:线性电压基准; TOS: 芯片在串联组中位置选择端;MMB: 监控模式选择端; WDTB: 看门狗输出; GPIO1,GPIO2: 通用I/O 口; VMODE: 通讯模式选择端;SCK I、SD I、SDO、CSBI: SPI接口; CSBO、SBOI、SCKO:级联时与下一级芯片通讯的SPI接口。

图1 LTC6802芯片引脚图
2. 4 工作原理
2. 4. 1 delta- sigm a模数转换
如图2所示, LTC6802通过输入多路选择器将输入的电池电压与12位delta- sigm a模数转换器相连, 内部10ppm电压基准源为LTC6802提供高精度模数转换用的参考源。LTC6802内部含有一个二阶de lta- sigma 模数转换器,模数转换器利用重建滤波器可以消除转换过程中产生的高频噪声,从而提供一个高精度的数字量输出, 其后跟随一二阶FIR滤波器。delta- sigma 模数转换器的前端采样频率为512K, 大大降低了对输入端外部滤波环节的需求。每次转换包含两个阶段, 自动归零与测量阶段。

图2 LTC6802内部结构图
2. 4. 2 均衡
LTC6802可采用内部与外部两种均衡方式。每个S输出管脚内部均与N 沟道MOSFET 相连。内部MOS管最大导通电阻为20欧。当采用内部均衡时, 通过外部电阻与内部MOSFET 串联对电池放电。内部MOSFET 也可用于控制外部均衡电路。
为获得更大的放电电流, 提高放电效率, 通常采用外部均衡。S管脚内部的10K 上拉电阻使其输出可驱动外电路中P 沟道MOSFET 的门极。通过外部串联MOS管与电阻对电池放电。芯片内部MOSFET的开通与关断由外部控制器对LTC6802进行控制,芯片自身无法控制。
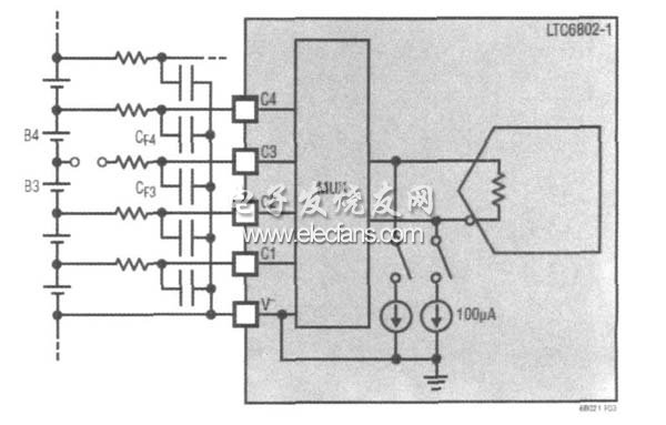
2. 4. 3 开路检测
LTC6802具有独特的开路检测功能。此功能确保在开路状态下芯片获得的电压读数不会被误认为是有效电压值。
如图3所示, 当外部电路没有滤波环节时, AD的输入电阻将在开路部分产生接近于0的电压。内部电流源用于判断电池的真实状态是否为开路。例如, 当C3断开时, 与C3连接的两节电池B3、B4读数接近于0。此时主机可通过命令开启LTC6802设置在AD于V - 之间的电流源。如C3 实际处于断开状态, 则再次读取数据时B3 为0, B4 接近B3 +B4+ 0. 5V。

图3 开路检测电路
为了提高AD 的精度, 通常在外部电路增加滤波环节。如图4所示, 当外部增加RC 滤波环节时,开路部分不会产生0 电压值, 因为AD 输入阻抗过大不足以对输入管脚所接的电容放电。当C3 断开时, 经过几个测量周期, AD 输入电阻对CF3、CF4充电。C3电位接近C2与C4中点。此时B3、B4的测量值并非实际值。如此时启用内部100uA 电流源,C3电位将被拉低, B3的值接近0, B4的值接近满量程。检测CN 点是否开路的最好方法是比较启用内部100uA 电流源前后BN + 1节电池的电压, 如果两次测量的电压值相差0. 2伏以上, 则可以判断CN点开路。

图4 带外部滤波的开路检测电路2. 4. 4 过温保护
芯片的电气特性保证芯片在85度以下能够正常工作。在核心温度超过105度时, 测量精度逐渐下降。在接近150度时, 芯片损坏, 无法正常工作。
因此推荐芯片工作时最大核心温度为125度。
为保护芯片避免由于过热而导致的损坏, 芯片内部包含有过温保护电路。在开启放电开关对电池大电流放电时以及在频繁使用电流模式通讯时, 芯片均有可能出现过热现象。当在芯片电源正负端加较大电压或者系统整体导热性能不佳的情况下, 过热现象更为严重。
过温保护电路工作在非备用模式下, 当芯片检测到自身温度大于145度时, 命令寄存器中的值将复位到默认值, 同时关闭放电开关, 停止A /D 转换,电流通讯模式中断。温度寄存器中的THSD 位被置高, THSD位的值在被读取后自动清零。
由于过温会中断芯片的正常工作, 因此应利用内部温度监视器实时监测芯片温度。
2. 5 寄存器与控制命令
LTC6802共有命令寄存器, 电压寄存器, 温度寄存器, 标志寄存器四组寄存器组。通过相应的读写命令对相应的寄存器进行访问。通过配置命令寄存器可设置电池测量节数, 电池电压测量时间, 过电压、欠电压门限值, 放电开关状态等参数。命令寄存器具体内容如表1所示。
表1 LTC6802命令寄存器

2. 6 接口时序
芯片通过SPI串行接口进行访问。访问时序如图5所示。CSB I是串行端口允许使能端, 它由主机控制; 它在一次数据传送开始时拉低, 在传输结束时又重新拉高。SCLK 是串行端口时钟信号, 它由主机控制。写命令时SD I输入需在SCLK 上升沿时保持稳定。读取数据时SDO在SCLK上升沿有效。
如两秒钟无时钟信号输入, 看门狗定时器输出将被置低, 命令寄存器复位, 芯片进入低功耗的备用模式。此时, 除串行接口及电压基准源外芯片其他功能禁用。

图5 SPI访问时序图
3 电压检测应用实例
3. 1 硬件设计
由于芯片可以以级联的方式工作, 因此在硬件设计时应注意根据芯片在串联组中的位置将相应的管脚置高或置低。如芯片处于最低位直接与CPU相连, 则芯片采用电压模式通讯, Vmode与V reg 相连, 串联组中其他芯片采用电流模式通讯, 相应的Vmode与V - 相连。当芯片处于级联最高位, TOS与V reg相连, 串联组中其他芯片TOS 与V - 相连,允许数据通过SDO I管脚传输。芯片与CPU 的连接方式如图6所示。

图6 LTC6802应用实例
3. 2 软件设计
芯片可级联工作, 当芯片串联使用时, 依据芯片在串联组中的顺序由高至低依次向芯片写入命令,读取数据时, 数据依据芯片在串联组中的顺序由低至高依次被读出。
微控制器可以通过IO 口模拟SPI接口访问时序, 如此可以使应用更加灵活。下面是通过对LTC6802的操作来实现对电压的测量。在电池管理系统应用中采用Freescale S12系列单片机, 通过IO 口模拟SPI来对传感器进行访问。为了说明问题给出了两个主要的操作程序清单:
ccs68002( );
w rcmd_ltc( 0x01) ; 配置命令寄存器
w rcmd_ltc( 0x00) ;
w rcmd_ltc( 0x00) ;
w rcmd_ltc( 0x00) ;
w rcmd_ltc( 0x00) ;
w rcmd_ltc( 0x00) ;
w rcmd_ltc( 0x00) ;
scs68002( ) ;
de lay( 1) ;
ccs68002( ) ;
w rcmd_ltc( 0x10) ; 开始转换电压
scs68002( ) ;
de lay( 1) ;
ccs68002( ) ;
w rcmd_ltc( 0x04) ; 读电压数据
for ( i= 0; i< 19; i+ + )
{
temp= rddata_ltc( );
}
scs68002( ) ;
vo id w rcmd_ltc( uchar cmd)写命令
{
Byte ;i
csclk68002( ) ;
for( i= 0; i< 8; i+ + )
{
if( ( cmd&0x80) = = 0x80)
{
sdo68002( );
}
else
{
cdo68002( ) ;
}
ssclk68002( ) ;
cmd= cmd< < 1;
csclk68002( );
}
}
Byte rddata_ ltc( void) 读命令
{
Byte ,i res= 0;
csclk68002( );
for ( i= 0; i< 8; i+ + )
{
res= res< < 1;
ssc lk68002( );
if( d i68002= = 1)
res= res| 1;
csclk68002( );
}
return res;
}
4 结束语
在实际应用中, 测量全部电池的时间为13m s,电压测量误差值在10mV 以内, 完全满足电池管理系统的精度要求。LTC6802 的高集成度、高测量精度、快速测量时间、低功耗等优点使其在针对电动汽车的电池管理系统中得到了良好的应用。
