
变频器是利用电力开云棋牌官网在线客服器件的通断作用将工频电源变换为另一频率的电能控制装置。我们现在使用的变频器主要采用交—直—交方式(VVVF变频或矢量控制变频),先把工频交流电源通过整流器转换成直流电源,然后再把直流电源转换成频率、电压均可控制的交流电源以供给电动机。变频器的电路一般由整流、中间直流环节、逆变和控制4个部分组成。整流部分为三相桥式不可控整流器,逆变部分为IGBT三相桥式逆变器,且输出为PWM波形,中间直流环节为滤波、直流储能和缓冲无功功率。
变频器选型:
变频器选型时要确定以下几点:
1)采用变频的目的;恒压控制或恒流控制等。
2)变频器的负载类型;如叶片泵或容积泵等,特别注意负载的性能曲线,性能曲线决定了应用时的方式方法。
3)变频器与负载的匹配问题;
I.电压匹配;变频器的额定电压与负载的额定电压相符。
II.电流匹配;普通的离心泵,变频器的额定电流与电机的额定电流相符。对于特殊的负载如深水泵等则需要参考电机性能参数,以最大电流确定变频器电流和过载能力。
III.转矩匹配;这种情况在恒转矩负载或有减速装置时有可能发生。
4)在使用变频器驱动高速电机时,由于高速电机的电抗小,高次谐波增加导致输出电流值增大。因此用于高速电机的变频器的选型,其容量要稍大于普通电机的选型。
5)变频器如果要长电缆运行时,此时要采取措施抑制长电缆对地耦合电容的影响,避免变频器出力不足,所以在这样情况下,变频器容量要放大一档或者在变频器的输出端安装输出电抗器。
6)对于一些特殊的应用场合,如高温,高海拔,此时会引起变频器的降容,变频器容量要放大一挡。
变频器控制原理图设计:
1)首先确认变频器的安装环境;
I.工作温度。变频器内部是大功率的电子元件,极易受到工作温度的影响,产品一般要求为0~55℃,但为了保证工作安全、可靠,使用时应考虑留有余地,最好控制在40℃以下。在控制箱中,变频器一般应安装在箱体上部,并严格遵守产品说明书中的安装要求,绝对不允许把发热元件或易发热的元件紧靠变频器的底部安装。
II.环境温度。温度太高且温度变化较大时,变频器内部易出现结露现象,其绝缘性能就会大大降低,甚至可能引发短路事故。必要时,必须在箱中增加干燥剂和加热器。在水处理间,一般水汽都比较重,如果温度变化大的话,这个问题会比较突出。
III.腐蚀性气体。使用环境如果腐蚀性气体浓度大,不仅会腐蚀元器件的引线、印刷电路板等,而且还会加速塑料器件的老化,降低绝缘性能。
IV.振动和冲击。装有变频器的控制柜受到机械振动和冲击时,会引起电气接触不良。淮安热电就出现这样的问题。这时除了提高控制柜的机械强度、远离振动源和冲击源外,还应使用抗震橡皮垫固定控制柜外和内电磁开关之类产生振动的元器件。设备运行一段时间后,应对其进行检查和维护。
V.电磁波干扰。变频器在工作中由于整流和变频,周围产生了很多的干扰电磁波,这些高频电磁波对附近的仪表、仪器有一定的干扰。因此,柜内仪表和电子系统,应该选用金属外壳,屏蔽变频器对仪表的干扰。所有的元器件均应可靠接地,除此之外,各电气元件、仪器及仪表之间的连线应选用屏蔽控制电缆,且屏蔽层应接地。如果处理不好电磁干扰,往往会使整个系统无法工作,导致控制单元失灵或损坏。
2)变频器和电机的距离确定电缆和布线方法;
I.变频器和电机的距离应该尽量的短。这样减小了电缆的对地电容,减少干扰的发射源。
II.控制电缆选用屏蔽电缆,动力电缆选用屏蔽电缆或者从变频器到电机全部用穿线管屏蔽。
III.电机电缆应独立于其它电缆走线,其最小距离为500mm。同时应避免电机电缆与其它电缆长距离平行走线,这样才能减少变频器输出电压快速变化而产生的电磁干扰。如果控制电缆和电源电缆交叉,应尽可能使它们按90度角交叉。与变频器有关的模拟量信号线与主回路线分开走线,即使在控制柜中也要如此。
IV.与变频器有关的模拟信号线最好选用屏蔽双绞线,动力电缆选用屏蔽的三芯电缆(其规格要比普通电机的电缆大档)或遵从变频器的用户手册。
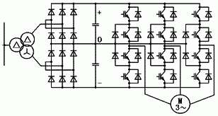
3)变频器控制原理图;
I.主回路:电抗器的作用是防止变频器产生的高次谐波通过电源的输入回路返回到电网从而影响其他的受电设备,需要根据变频器的容量大小来决定是否需要加电抗器;滤波器是安装在变频器的输出端,减少变频器输出的高次谐波,当变频器到电机的距离较远时,应该安装滤波器。虽然变频器本身有各种保护功能,但缺相保护却并不完美,断路器在主回路中起到过载,缺相等保护,选型时可按照变频器的容量进行选择。可以用变频器本身的过载保护代替热继电器。
II.控制回路:具有工频变频的手动切换,以便在变频出现故障时可以手动切工频运行,因输出端不能加电压,固工频和变频要有互锁。
4)变频器的接地;
变频器正确接地是提高系统稳定性,抑制噪声能力的重要手段。变频器的接地端子的接地电阻越小越好,接地导线的截面不小于4mm,长度不超过5m。变频器的接地应和动力设备的接地点分开,不能共地。信号线的屏蔽层一端接到变频器的接地端,另一端浮空。变频器与控制柜之间电气相通。
变频器控制柜设计:
变频器应该安装在控制柜内部,控制柜在设计时要注意以下问题
1)散热问题:变频器的发热是由内部的损耗产生的。在变频器中各部分损耗中主要以主电路为主,约占98%,控制电路占2%。为了保证变频器正常可靠运行,必须对变频器进行散热我们通常采用风扇散热;变频器的内装风扇可将变频器的箱体内部散热带走,若风扇不能正常工作,应立即停止变频器运行;大功率的变频器还需要在控制柜上加风扇,控制柜的风道要设计合理,所有进风口要设置防尘网,排风通畅,避免在柜中形成涡流,在固定的位置形成灰尘堆积;根据变频器说明书的通风量来选择匹配的风扇,风扇安装要注意防震问题。
2)电磁干扰问题:
I.变频器在工作中由于整流和变频,周围产生了很多的干扰电磁波,这些高频电磁波对附近的仪表、仪器有一定的干扰,而且会产生高次谐波,这种高次谐波会通过供电回路进入整个供电网络,从而影响其他仪表。如果变频器的功率很大占整个系统25%以上,需要考虑控制电源的抗干扰措施。
II.当系统中有高频冲击负载如电焊机、电镀电源时,变频器本身会因为干扰而出现保护,则考虑整个系统的电源质量问题。
3)防护问题需要注意以下几点:
I.防水防结露:如果变频器放在现场,需要注意变频器柜上方不的有管道法兰或其他漏点,在变频器附近不能有喷溅水流,总之现场柜体防护等级要在IP43以上。
II.防尘:所有进风口要设置防尘网阻隔絮状杂物进入,防尘网应该设计为可拆卸式,以方便清理,维护。防尘网的网格根据现场的具体情况确定,防尘网四周与控制柜的结合处要处理严密。
III.防腐蚀性气体:在化工行业这种情况比较多见,此时可以将变频柜放在控制室中。
变频器接线规范:
信号线与动力线必须分开走线:使用模拟量信号进行远程控制变频器时,为了减少模拟量受来自变频器和其它设备的干扰,请将控制变频器的信号线与强电回路(主回路及顺控回路)分开走线。距离应在30cm以上。即使在控制柜内,同样要保持这样的接线规范。该信号与变频器之间的控制回路线最长不得超过50m。
信号线与动力线必须分别放置在不同的金属管道或者金属软管内部:连接PLC和变频器的信号线如果不放置在金属管道内,极易受到变频器和外部设备的干扰;同时由于变频器无内置的电抗器,所以变频器的输入和输出级动力线对外部会产生极强的干扰,因此放置信号线的金属管或金属软管一直要延伸到变频器的控制端子处,以保证信号线与动力线的彻底分开。
1)模拟量控制信号线应使用双股绞合屏蔽线,电线规格为0.75mm2。在接线时一定要注意,电缆剥线要尽可能的短(5-7mm左右),同时对剥线以后的屏蔽层要用绝缘胶布包起来,以防止屏蔽线与其它设备接触引入干扰。
2)为了提高接线的简易性和可靠性,推荐信号线上使用压线棒端子。
变频器的运行和相关参数的设置:
变频器的设定参数多,每个参数均有一定的选择范围,使用中常常遇到因个别参数设置不当,导致变频器不能正常工作的现象。
控制方式:即速度控制、转距控制、PID控制或其他方式。采取控制方式后,一般要根据控制精度,需要进行静态或动态辨识。
最低运行频率:即电机运行的最小转速,电机在低转速下运行时,其散热性能很差,电机长时间运行在低转速下,会导致电机烧毁。而且低速时,其电缆中的电流也会增大,也会导致电缆发热。
最高运行频率:一般的变频器最大频率到60Hz,有的甚至到400Hz,高频率将使电机高速运转,这对普通电机来说,其轴承不能长时间的超额定转速运行,电机的转子是否能承受这样的离心力。
载波频率:载波频率设置的越高其高次谐波分量越大,这和电缆的长度,电机发热,电缆发热变频器发热等因素是密切相关的。
电机参数:变频器在参数中设定电机的功率、电流、电压、转速、最大频率,这些参数可以从电机铭牌中直接得到。
跳频:在某个频率点上,有可能会发生共振现象,特别在整个装置比较高时;在控制压缩机时,要避免压缩机的喘振点。
常见故障分析:
1)过流故障:过流故障可分为加速、减速、恒速过电流。其可能是由于变频器的加减速时间太短、负载发生突变、负荷分配不均,输出短路等原因引起的。这时一般可通过延长加减速时间、减少负荷的突变、外加能耗制动元件、进行负荷分配设计、对线路进行检查。如果断开负载变频器还是过流故障,说明变频器逆变电路已环,需要更换变频器。
2)过载故障:过载故障包括变频过载和电机过载。其可能是加速时间太短,电网电压太低、负载过重等原因引起的。一般可通过延长加速时间、延长制动时间、检查电网电压等。负载过重,所选的电机和变频器不能拖动该负载,也可能是由于机械润滑不好引起。如前者则必须更换大功率的电机和变频器;如后者则要对生产机械进行检修。
3)欠压:说明变频器电源输入部分有问题,需检查后才可以运行。
小结:
1)总之,在设计、安装、使用变频器时一定要遵从变频器使用说明书的指导。
2)各电气设计人员,现场电气调试人员可以在此基础上完善此变频器参考。
