越来越多的人在问关于 EIA/TIA-485(俗称 RS-485 数据传输标准)基本概念的一些问题,这一事实表明未来数年 RS-485 仍会在各种工业接口中起到举足轻重的作用。
本文中,我们将为您解答许多常见和最新的问题,例如:
- RS-485 收发器可以驱动多大的总线电流?
- 可以驱动 32 以上单位负载吗?
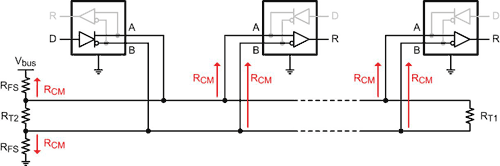
要回答第一个问题,我们需要研究图 1 所示典型 RS-485 数据链路。我们看到,除驱动通过端接电阻器的差分电流以外,驱动器还必须驱动通过许多接收机输入阻抗的电流,以及通过位于总线上的故障保护网络的电流。这些阻抗在差分信号线路和接地之间形成电流通路,同时影响了 A 和 B 信号线的电流,且影响程度相同。因此,可以将它们表示为共模阻抗 RCM。

图 1 典型 RS-485 数据链路
为了对最大共模负载进行定义,RS-485 使用了一个单位负载的理论概念,其定义了一个 12kΩ 共模负载电阻。这样一来,一个单位负载 (1UL) 收发器便代表在每个接地相关总线端有一个RINEQ = 12 kΩ 的等效输入电阻。
RS-485 规定一个收发器必须能够驱动高达 32 单位负载的总共模负载,同时能够给 RD = 60Ω 差分电阻提供 VOD = 1.5 V 的差分输出电压。另外,该标准还要求在 VCM = –7 V 到 +12 V 共模电压范围保持这种驱动能力,以便允许驱动器和接收机接地之间的大接地电位差,其一般会出现在远距离数据链路中。
60 Ω 差分电阻代表两个并联 120 Ω 端接电阻器的电阻值,而 32 单位负载得到的总共模负载电阻为 RCM = 12 kΩ / 32 = 375 Ω。共模负载条件下收发器驱动能力测试的相应测试电路也指定为 RS-485 标准,其如图 2 所示。

图 2 共模负载的驱动器测试电路
假设非反相驱动器输出 A 具有更高的正总线电压,则其电流计算方法为:

而反相输出 B 的电流计算方法如下:

由于数据传输期间 A 和 B 输出不断改变极性,因此最好是使用一些通用术语来表示输出电流方程式。所以,更多正输出(或者高输出)必须拉出电流:

而更少正输出(或者低输出)必须注入电流:

图 3 显示了在规定共模电压范围,驱动 RCM = 375 Ω 最大共模负载 (32 UL) 的一个 5V 收发器的最小输出电流要求。用于绘制该图的参数假设为 VOS = 2.5 V、VOD = 1.5 V、RD = 60 Ω 和 RCM = 375 Ω。

图 3 5V 收发器的总线电流要求
该图表明,一个符合标准的 5V 收发器必须能够拉出和注入高达 53 mA 的输出电流。实际上,市场上销售的大多数 RS-485 收发器,都具有 60 mA 及以上的最小注入和拉出能力。
就此而言,需要对 32 单位负载的最大共模负载进行一些重要的澄清,以消除许多普遍存在的误解。
- 485 中规定的 32 单位负载的最大共模负载,指的是存在于差分信号对和信号地线之间的任何共模负载,不仅仅只是接收机输入。例如,一个外部故障保护电阻器网络已经使用了 22 UL 的总负载,从而使得仅有 10 UL 可用于接收机输入。剩余的 10 UL,可以通过使用 10 x 1 UL 收发器或者至多 80 x 1/8 UL 收发器,来让其得到利用。
- 32 UL 最大负载的规定,针对 –7 V 到 +12V 的整个 VCM 范围。如图 3 所示,让 VCM 范围变窄会降低输出电流,并让驱动器储存一些电流。之后,可以利用这些储存电流来驱动更多的单位负载。驱动器和接收机接地之间地电位差 (GPD) 较小的数据链路中,可以应用这一原则,其解答了我们在一开始提出的第二个问题。
图 4 显示了单位负载数,其为 GPD 振幅的函数。请注意,GPD 并非为 DC 电压,而是 AC 电压,其在系统电源电源频率的第三谐波变换。

图 4 单位负载数为 GPD 振幅的函数
小结
本文介绍了 RS-495 标准收发器的最小总线电流要求约为 60 mA,并表明在更低共模电压下工作时可以增加 32 UL 规定共模负载。
下个月,《信号链基础知识》将讨论如何满足检验可编程仪表放大器增益级中参考引脚的动态要求。
参考文献
《RS-422 和 RS485 标准概述与系统配置》,2010 年 5 月修订,2002 年 6 月刊 TI《应用手册 SLLA070D》。
如欲了解 TI RS-485 和其他接口解决方案的更多详情,请访问:www.ti.com/interface-ca。
