入口门禁系统顾名思义就是对出入口通道进行管制的系统,它是在传统的门锁基础上发展而来的。传统的机械门锁仅仅是单纯的机械装置,无论结构设计多么合理,材料多么坚固,人们总能用通过各种手段把它打开。在出入人很多的通道(象办公室,酒店客房)钥匙的管理很麻烦,钥匙丢失或人员更换都要把锁和钥匙一起更换。为了解决这些问题,就出现了电子磁卡锁,电子密码锁,这两种锁的出现从一定程度上提高了人们对出入口通道的管理程度,使通道管理进入了电子时代,但随着这两种电子锁的不断应用,它们本身的缺陷就逐渐暴露,磁卡锁的问题是信息容易复制,卡片与读卡机具之间磨损大,故障率高,安全系数低。密码锁的问题是密码容易泄露,又无从查起,安全系数很低。同时这个时期的产品由于大多采用读卡部分(密码输入)与控制部分合在一起安装在门外,很容易被人在室外打开锁。这个时期的门禁系统还停留在早期不成熟阶段,因此当时的门禁系统通常被人称为电子锁,应用也不广泛。
本文提出一种利用主机参与电源供电管理,使智能门禁可自动进入休眠,具有高效节能的电源电路模型。模型的特点是"电源一主机" 一体化,使得系统用电可实现全方位软件控制,实际使用时可获得实质性高效节能效果。模型的研究内容包括由用户钥匙启动供电机制、主机取代用户钥匙维持系统供电并由主机定时断电方法、软件控制F的系统分区供电机制等。实用表明用本模型供电的智能门禁符合人们日常使用门禁用电要求,节能效果显着,安全可靠。
1 逻辑模型
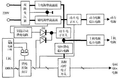
图1所示是可使系统自动进入休眠状态,可分时分区供电的智能门禁供电电源的逻辑模型图。电源供电顺序分为3级:
(I)为电网电压变换级, 由双路变压器、主、辅电源整流、滤波等环节构成;
(2)为主机、动力部件供电级,由钥匙启动供电电路、功率开关、程控电路及稳压电路等组成;
(3)分时分区供电级,由多路功率电子开关、稳压电路及控电路等组成。

图I电源逻辑模型
1.1 钥匙启动供电机制
开关电源模块是现代电子技术发展的新一带开关电源产品,主要应用于民用、工业和军用等众多领域,包括交换设备、接入设备、移动通讯、微波通讯以及光传输、路由器等通信领域和汽车电子、航空航天等。由于采用模块组建电源系统具有设计周期短、可靠性高、系统升级容易等特点,模块电源的应用越来越广泛。尤其近几年由于数据业务的飞速发展和分布式供电系统的不断推广,模块电源的增幅已经超出了一次电源。随着开云棋牌官网在线客服工艺、封装技术和高频软开关的大量使用,模块电源功率密度越来越大,转换效率越来越高,应用也越来越简单。产业投资不断增加,市场需求逐步攀升。
这里的"钥匙"是广义的,可以是任何一种能用于智能门禁开锁的特征信息载体。钥匙启动供电电路由辅助电源供电,因作用时问短质量要求不高,直接取自辅助电源的滤波输出。当钥匙作用于钥匙启动供电电路时,其输出经二极管D1使大功率电子开关导通,主电源滤波输出,经主机电源稳压电路稳压后向主机供电。图I电源逻辑筷塑。
1.2 供电控制向量
由图I可知,钥匙启动供电之后,整个系统的供电都是在供电控制向量(记着POWERCON)的控制下进行的。供电控制向量占用主机1个字节宽度的端口。POWERCON—D7控制二极管D2的阳极电压;POWERCON·D6控制动力电源电子开关;其它6位用于分时分区供电控制。
1.3 主机供电自控机制
当钥匙开启主机电源,主机执行的第一条指令就是通过电源口址给D2的阳极加上正电压,进而取代钥匙的供电控制作用,即在钥匙离开电源开启位置或无法使D1阳极维持高电平时,主机电源的控制信号由电源端口提供。当用户超过一定的时间不操作系统时,系统应自动进入休眠状态。为实现这一功能,主机必须设置一个定时中断源。定时It~lhl在机接管电源控制后的初始过程中设置。用户不操作系统是指用户不用钥匙或不通过键盘操纵系统两种情况。设主机连续亡作时问为T,KK为在T中系统是否被用户操作标志,即KK=1表示在T内用户操作r系统,否~l1]KK=0。KK在系统的键盘扫描子程序中赋值。以RT为定时计数器,实现主机自断电算法如下:
1.4 分时分区供电机制
一些外部电路、部件、设备等不一定要和主机同步用电,也不需要维持和主机一样的用电时间,例如以图像识别信息为钥匙的系 ,图像的采样功耗较大,但一般只是在采样时刻出现,没必要让其和主机一样地供电,应采用何时启用何时供电的方法控制使用电源;同样,在主机电路板上,也可以按电路功能分块供电,例如将一些不常用的接VI集成为一个电路模块,需要时由主机先通过操作电源端口给其供电,然后再进行相应的端口操作。POWERCON低6位用于实现分时分区供电功能。每一位对应一个功率电子开关,6NI"共用一个稳压源,实用时应注意6路功率总和是否在稳压源的负荷之内。在负荷不成问题的情况下,主机可通过程改变POWERCON低6位取值实现系统相关部分的分时分区供电。器件的寿命与其用电时间有关,通过分时分区供电可以减少部分器件的用电时间,因而有助于延长设备的寿命。
2 实用电路
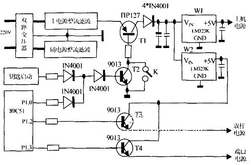
图2所示是介绍的系统电源实际电路图的主机电源和分时分区电源部分,动力电源电路较为简单,未予画出。钥匙为像 ,光电传感器对像卡操作进行检测。当像卡使光电偶合信号的状态发生变化时,钥匙启动电路输出高电位,经两个二极管使三极管T2(903 1)开通,从而使T 1(T1 P127)开通。这里T1、T2构成主电源功率开关。由T1输出的滤波电压经4个二极管(1N4001)降压,达到稳压管W1、W2(LM323K)输入电压的要求,wl提供主机电源,W2提供分时分区电源。主机系统以89C51为核心器件,利用89C51固有的并行接口P I对电源进行编程控制。P 1.o/11于接管钥匙控制。P1.1控制动力电源供电(未画)。P1.2控制取样电源,功率开关T3,根据取样工作时的电流负荷选用9013。P1.3控制端口电源,功率开关T4,根据端VI电路模块工作时的电流负荷也选用90l 3。89C5I执行的第1条指令是SETB PI.0;当系统连续工作T,89C51在时间中断服务程序中执行CLR P1.0指令,使P 1.0=0,经两个二极管(IN4001)使T2截止,进而T I截止,系统自动断电。K为手动控制开关。在系统调试时将K合上,T1不受钥匙和P1.0的控制,而P1.2、P1.3照常工作。

图2 可编程电源实例图
3 实质性节能措施
所谓电器设备节能是指在满足同样功能的前提下,减少用电。电子设备常用的节能办法有器件节能法,即改高耗能元器件为低耗能元器件,如单片机有CMOS芯片和HMOS;g;片之分;交流电的导通角控制法,即在一个周期内,通过控制供电份额减少无用输出。图1方案除了可使用常用节能办法之外,更重要的是结合门禁使用特点,借助主机从3个方面实现实质性节能。
3.1 休眠节能
日常生活中操作门禁时间是很短的,绝大多数时间不需理睬门禁,在漫长的不操作时间内,图1方案自动停止对系统供电,使系统进入休眠状态。图2电路供电下的系 经湖南省电子产品检测分析所测试,开锁状态的最大功耗为小于40W,而休眠状态功耗小于30roW.
3.2 有的放矢
程控分时分区供电使得系统的用电效率进一步提高。供电设备的选择,可以通过系统键盘,可以通过程序逻辑决策,也可以通过其它特定方式。程序控制下的用电主要是针对某一特殊功能,某一特定时间段等,启动某一特殊功能的电路模块或设备,用电时间肯定小于T。这是系统在苏醒状态下,主机参与用电控制而带来的实质节能方法之一。
3.3 按需供电
动力电源一般比主机电源电压高,主要用于驱动电磁、微型步进电机及微型直流电机等锁舌驱动部件。由图1可知,当不需要提供动力电源时,由主机产生动力电源电子开关控制信号。系统需要驱动锁舌时,主机按电源口址用指令打开相应的功率电子开关,进而动力电源被JlnN锁舌驱动部件上,接下来主机运行锁舌驱动程序。不同的驱动部件有不同的驱动程序,因而导致不同的用电方式。在主机软件控制下的动力电源是在系统需要驱动锁舌时才进入用电设备。不需要驱动锁舌时,锁舌驱动部件几乎无功耗。
4 结束语
根据门禁在日常生活中的实际使用情况,给智能门禁建立切合实际的用电机制是研究智能门禁不可回避的现实问题。本文从实用出发,建立"电源一主机"一体化工作机制,解决了如下两个问题:(I)智能门禁系统用电的全方位软件控制;(2)实质性高效节能。
"电源一主机"一体化工作机制进一步提高 智能门禁的智能程度,有助于系统延长寿命,并为在额定寿命中实现0故障的理想目标奠定了坚实的基础。本模 已在所述系统中应用,取得了较好的效果。 "电源一主机"一体化工作模式也可以借鉴于其他需要主机自控电源的系统,需要分时分区供电的系统。
