TMS320C32是美国TI公司生产的一款浮点数字信号处理器(DSP),是TMS320系列浮点数字信号处理器的新产品,其CPU是在TMS320C30和TMS320C31的基础上进行了简化和改进。在结构上的改进主要包括可变宽度的存储器接口、更快速的指令周期时间、可设置优先级的双通道DMA处理器、灵活的引导程序装入方式、可重新定位的中断向量表以及可选的边缘/电平触发中断方式等。
1 TMS320C32的外部存储器接口的特点
TMS320C32是一个32位微处理器,它可以通过24位地址总线、32位数据总线和选通信号对外部存储器进行访问。其外部存储器接口结构如下图l所示。

在图l中,引脚(引脚,又叫管脚,英文叫Pin。就是从集成电路(芯片)内部电路引出与外围电路的接线,所有的引脚就构成了这块芯片的接口)PRGW是用来配置外部程序存储器的宽度的。当PRGW引脚为低电平时程序存储器宽度为16位;当PRGW引脚为高电平时程序存储器宽度为32位。STRBO和STRBl各为一组访问外部存储器的选通信号,各有4个信号引脚(STRBx_B3/A_1、STRBx_B2/A_2、STRBx_Bl和STRBx_B0)。从图l中我们可以看出,选通信号STRB0和STRBl能从8/16/32位存储器中访问8/16/32位数据,或从16/32位存储器中执行32位程序;IOSTRB是外设I/O的选通信号引脚,它只能从32位宽度的存储器中访问32位的数据和程序。
可以通过对STRBx和IOSTRB的设置,从8/16/32位的存储器中访问8/16/32位数据或程序。也就是说,可以从任何一个外部存储器中访问任何一种类型的数据。这就说明可以通过设置IOSTRB、STRB0和STRB1的选通信号来寻址整个外部存储器空间。例如,一个32位外部存储器可以被设定为只存放一个32位的双字,但是也可以被分为具有2个连续地址的16位字或者4个连续地址的8位字节。反之,一个32位双字可以放在一个32位外部存储器中,也可以放在2个16位或4个8位宽度的外部存储器中。
TMS320C32内部总共提供了64 MB的存储器映射空间。其中,STRB0所对应的存储映像区间是不连续的两段区问,一段是03FH~7FFFFFH(共31.999 MB),另一段是880000H~8FFFFFH(共2 MB);STRBl所对应的存储映像区间是900000H~FFFFFFH(共28 MB);IOSTRB所对应的存储映像区间是810000H~82FFFFH(共512KB)。当外部总线访问这些空间时,相应的选通信号就使能。
负责控制信号的输入和输出叫做使能,是一个动词,英文‘Enable’。使能通俗点说就是一个“允许”信号,进给使能也就是允许进给的信号,也就是说当进给使能信号有效的时候电机才能转动。一般的数控系统会将电机的进给使能信号跟急停开关和行程限位开关串联起来,当按下急停开关或者电机运转超出行程后,进给使能信号被断开,电机不能继续转动,从而保护机床在安全的行程内运行。
2 TMS320C32的3种存储器设计方案
2.1 8位存储器宽度
设计为8位的存储器,其硬件接线方案如图2所示。STRBx_B3/Al_1和STRBx_B2/A_2引脚作为地址引脚,STRBx_B0引脚作为片选引脚,而STRBx_B1则不用。

2.2 16位存储器宽度
设计为16位的存储器,其硬件接线方案如图3所示。STRBx_B3/A_1引脚作为地址引脚,STRBx_B0和STRBx_B1引脚作为片选引脚,而STRBx_B2/A_2则不用。
2.3 32位存储器宽度
设计为32位的存储器,其硬件接线方案如下图4所示。STRBx所有的引脚都设置成片选引脚。

3 存储器映射外部总线控制寄存器
综上所述,TMS320C32可以从8/16/32位存储器中访问8/16/32位数据,或者从16/32位存储器中执行32位的程序。但是如果内外部数据的位数不一致时该如何处理呢?C32的外部总线控制寄存器可以根据相应控制位的值,自动对存储器接口的宽度进行相应的调整。下面则对总线控制寄存器作出一个详细的介绍。
STRBo、STRBl以及IOSTRB控制寄存器在存储器映射空间的物理地址分别是808064H、808068H和808060H,并且都是32位的,各位的定义如图5、图6和图7所示。

从图5和图6中我们可以看到,STRBx控制寄存器的第18、19位是用来控制存储器的宽度的,而第16、17位是用来控制数据宽度的,具体定义如表1所列。
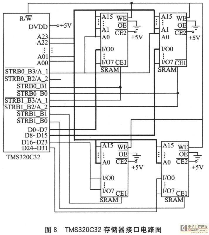
4 存储器接口实例
图8给出了一个实际TMS320C32存储嚣接口的电路图。16位存储器由2片128 K8位的SRAM构成,32位存储器由4片128 K8位的SRAM构成,STRB0的4组选通信号接16位外部存储器,STRBl的4组选通信号接32位外部存储器。为说明数据在存储器及处理器中的存放格式,本文设计了两种存储器接口电路:一是在16位存储器中存放32位数据;二是在32位存储器中存放32位数据。

在16位存储器中存放32位数据时,STRB0_B3/A1作为地址引脚与外部存储器的AO相接,STRB0_B0和STRB0_B1作为片选信号,STRBx_B2/A_2不用。由于数据宽度大于存储器宽度,所以在外部存储器偶地址中存放32位数据的低16位,奇地址中存放32位数据的高16位,外部存储器的地址为OH~lFFFFH,对应的在C32存储映射中的地址为OH~0FFFFH。当一条指令向逻辑地址OH中装入一个32位数据时,存储器接口必须向外部16位存储器执行两个指令周期。这两个指令周期访问2个连续的外部存储器地址OH和1H,从而完成对32位数据的操作。
当在外部32位存储器中存放32位数据时,STRBl的4个引脚都设置为片选引脚。这时数据宽度与外部存储器宽度一致,由于是STRBl使能,所以128 K32位的外部存储空间与C32存储器映射的900000H~91FFFFH相对应。
当接口电路设计为16位时,其物理地址等于逻辑地址右移l位,即DSP的地址线A00接在SRAM的A1上;当接口电路设计为32位时,其物理地址等于逻辑地址,即DSP的地址线A00接在SRAM的A0上。
5 小结
本文主要介绍了如何根据实际需要来自动地调节存储器接口宽度。由于C32可以非常灵活地调整其存储器接口宽度,使得存储器接口电路的设计更加的灵活,因此非常适用于电机或电力系统等实时系统的数据采集与处理。
