中心议题:
解决方案:
- 电荷泵设计
- 过流保护电路设计
1 引言
通用串行总线(UniversalSerialBus)使PC机与外部设备的连接变得简单而迅速,随着计算机以及与USB相关便携式设备的发展,USB必将获得更广泛的应用。由于USB具有即插即用的特点,在负载出现异常的瞬间,电源开关会流过数安培的电流,从而对电路造成损坏。
本文设计的USB电源开关采用自举电荷泵,为N型功率管提供2倍于电源的栅驱动电压。在负载出现异常时,过流保护电路能迅速限制功率管电流,以避免热插拔对电路造成损坏。
2 USB开关电路的整体设计思路
图1为USB电源开关的整体设计。其中,VIN为电源输入,VOUT为USB的输出。在负载正常的情况下,由电荷泵产生足够高的栅驱动电压,使NHV1工作在深线性区,以降低从输入电源(VIN)到负载电压(VOUT)的导通损耗。当功率管电流高于1A时,Currentsense输出高电平给过流保护电路(Currentlimit);过流保护电路通过反馈负载电压给电荷泵,调节电荷泵输出(VPUMP),从而使功率管的工作状态由线性区变为饱和区,限制功率管电流,达到保护功率管的目的。当负载恢复正常后,Currentsense输出低电平,电荷泵正常工作。

图1 USB电源开关原理图
图2为一种自举型(SelfBoost)电荷泵的电路原理图。图中,为时钟信号,控制电荷泵工作。初始阶段电容,C1和功率管栅电容CGATE上的电荷均为零。当为低电平时,MP1导通,为C1充电,V1电位升至电源电位,V2电位增加,MP2管导通。假设栅电容远大于电容C1,V2上的电荷全部转移到栅电容CGATE上。当为高电平时,MN1导通,为C1左极板放电,V1电位下降至地电位,V2电位下降,MP2管截止,MN2管导通,给电容C1右极板充电至VIN。在的下个低电平时,V1电位升至电源电位,V2电位增加至2VIN,MP2管导通,VPUMP电位升至2VIN-VT。

图2 自举电荷泵原理图
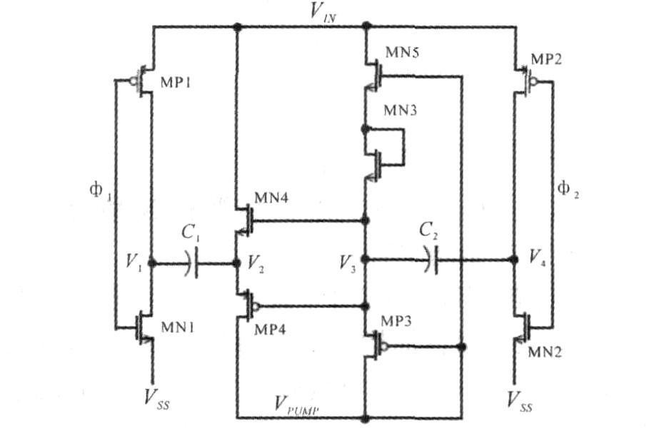
自举电荷泵不需要为MN2和MP2提供栅驱动电压,控制简单,但输出电压会有一个阈值损失。图3是改进后的电荷泵电路图,1和2为互补无交叠时钟。由MN2、MN5、MP3、MP2和电容C2组成的次电荷泵为MN4、MP4提供栅压,以保证其完全关断和开启。当1为低电平时,MP1导通,电位增加,此时,V3电位为零,MP4导通,V2上的电荷转移到栅电容CGATE上,VPUMP电位升高。当1为高电平时,MP2导通,为C2充电,V4电位上升至电源电位,V3电位随之上升,MP3导通,VPUMP电位继续升高。MN3相当于二极管,起单向导电的作用。
在VPUMP电压升高到VIN+VT以后,MN3隔离V3到电源的通路,保证V3的电荷由MP3全部充入栅电容。这样,C1和C2相互给栅电容充电,若干个时钟周期后,电荷泵输出电压接近两倍电源电压。
在电荷泵输出电压升高的过程中,功率管提供的负载电流逐渐上升,避免在容性负载上引起浪涌电流。

图3 改进后的电荷泵
4 过流保护电路设计
当出现过载和短路故障时,负载电流达到数安培,需要精确的限流电路为功率管和输入电源提供保护。对于MOS器件,只有工作在饱和区时的电流容易控制。限流就是通过反馈负载电压,调节电荷泵输出电压来实现的。图4是限流电路的原理图。

图4 限流电路原理图
N型功率管NHV的源与P型限流管MP6的栅相接,N型功率管NHV的栅与P型限流管MP6的源相接。从而达到控制功率管栅源压降的目的。
当负载电流超过1A时,电流限信号(VLIMIT)为高电平,MN7导通,栅电荷经MP6流向地,栅电压减小,功率管工作在饱和区。C1、C2为电荷泵电容值,在一个时钟周期T内,由电荷泵充入的栅电荷为:
![]()
当功率管栅压稳定时,电荷泵充入的栅电荷等于限流管放掉的栅电荷。限流管泄放电流为:

得功率管和限流管的电流关系:

式中,VTP和VTN分别是P型管和N型管阈值电压,M为N型功率管的并联数。
通过设置NHV和MP6宽长比、功率管的并联个数、电荷泵的时钟周期以及电荷泵的电容值,就可以确定功率管的电流。当负载恢复正常后,电流限信号(VLIMIT)为低电平,MN7截止,电荷泵正常工作,为功率管提供2倍于电源的栅驱动电压。这种过流保护电路通过MP6泄放功率管的栅电荷,易实现限流功能,适用于N型功率管的电源开关。
5 仿真结果与讨论
图5为负载正常情况下负载输出电压和功率管电流的仿真波形。电源电压为5V,C1、C2电容值为1pF,时钟周期为40s,NHV和MP6宽长比的比值为300,功率管的并联个数为1103。采用0.6m30VBCD工艺,在典型条件下,用HSPICE对整体电路仿真。由波形可以看出,在1ms内,负载输出电压逐渐上升,功率管电流没有过冲,启动时间为1.7ms。3ms后,功率管完全开启,为负载提供电源。

图5 启动时功率管电流和负载输出电压
表1为限流电路工作时功率管的平均栅电压和平均电流。图6为USB开关启动8ms后负载短路到恢复正常的仿真结果。USB开关在负载正常情况下启动,8ms后负载短路,负载电流过冲到3.1A。当过流保护电路工作后,过流保护电路将电流限制在0.3A,保护了USB端口。16ms后,负载恢复正常,电源开关重新启动。

表1 限流时功率管平均栅电压和平均电流

图6 USB开关在启动、限流和恢复正常过程中,电荷泵输出电压、负载输出电压和功率管电流的仿真波形
6 结论
本文设计了一种满足USB规范的电源开关。一种结构简单的自举电荷泵为N型功率管提供栅驱动电压,以降低开关的导通损耗。精确的限流电路针对过载和短路故障,对输入电源提供保护。仿真结果表明,在负载短路瞬间,限流电路能够有效地减小过冲电流,并能把电流限制在0.3A,达到保护USB端口的目的。
