引言
煤炭是我国的重要能源,约占一次性能源的70%以上。煤炭行业一直是我国工矿企业中的高危行业。分析原因,既有管理混乱、人员素质低、安全投入不足、科学研究薄弱等问题,又有煤矿井下通信设备落后等问题。特别是煤矿井下发生事故后,井下人数不详、被困人员位置不清、被困人员生死不明是灾后应急救援急切解决的问题。因此,有必要研究抗灾变能力强、具有人员位置监测等多功能煤矿井下无线通信系统。本文研究将低成本的新技术——Wi-Fi应用于井下,构建一种新的矿井移动通信系统。
1 Wi-Fi技术简介
Wi-Fi(WirelessFidelity),即无线保真或无线相容性认证,是一种无线局域网数据传输的技术与规格,也就是IEEE所定义的无线通信标准IEEE802.11。无线局域网是有线局域网的扩展和替换,是在有线局域网的基础上通过无线HUB、无线访问节点(AP)、无线网桥、无线网卡等设备使无线通信得以实现。IEEE802.11标准发表于1997年,其中定义了介质访问接入控制层(MAC层)和物理层。随后,IEEE又发布了一些补充协议,包括物理层的补充协议IEEE802.lla/b/g和其它一些服务相关协议。总的来说,Wi-Fi属于短距离无线技术,覆盖范围可达几百米,使用的是2.4GHz附近的频段。Wi-Fi有着“无线版本以太网”的美称,世界上至少有80%以上的局域网采用以太网技术,其几乎可以视为以太网标准在无线领域的延伸。
2 Wi-Fi与相关技术比较
目前国内外矿井无线通信方式主要有漏泄通信、感应通信、透地通信、PHS(小灵通)通信、3G(大灵通)通信系统等。
漏泄通信系统存在着抗灾变能力差、大量的串联中继设备导致可靠性差、系统不具备冗余功能等问题,通信终端存在功能单一、信道容量小的缺陷。感应通信系统存在着体积大、重量重、信道容量小、通信距离短等问题。透地通信系统存在着设备体积大、重量重、信道容量小、地面设备功率大、地面天线布置困难、单向通信(地面向井下)等问题。PHS(小灵通)通信系统与3G(大灵通)通信系统存在着基站控制器和基站非本质安全型防爆、系统不具备冗余功能、抗灾变能力差、井下基站至地面最大通信距离不满足井下通信10公里的要求等问题,通信终端存在功能单一、信道容量小的缺陷。
WiMAX与Wi-Fi最明显的区别是覆盖范围存在很大差别,WiMAX通常可以覆盖3~5km,而且WiMAX的安全系数更高,但是WiMAX的组网成本要比Wi-Fi大的多。考虑到矿井下的特殊性和经济性,还是选用Wi-Fi更适合井下局域网的环境。
3 系统需求分析
所要研究设计的矿井移动通信系统主要由地面监控系统、井下分站和移动通信终端组成。地面监控系统负责整个系统的管理与控制,通过地面监控系统可以对井下人员以及相应设备进行实时的监控。地面监控系统任务可由一台多功能计算机并配有相应数据库管理软件完成。井下分站为整个系统的关键部分并负责多项功能。系统应满足:
(1)在矿井事故前后,地面监控系统能得知井下工人所在的位置;
(2)井下工人与地面监控系统以及井下工人之间能随时进行双向数据通信;
(3)地面监控系统能随时、直接与任何井下工人进行双向数据/语音通信;
(4)井下工人之间能进行双向窄带语音通信;
(5)井下通信网为由若干个分站组成的网状网络;
(6)分站能收发无线电信号,为了有较强的穿透能力,采用适合矿井传输的波长。
4 方案设计
系统以光纤有线网络为骨干,以无线网络为延伸,在井下设立若干矿用分站,通过无线局域网络覆盖井下巷道,利用矿用本安手机(IP终端接入设备)来实现群呼、组呼等功能,从而实现井上对井下的语音调度以及井下对井上的数据和语音双向通信。地面通信与监测中心的软件能分析、处理和显示人员位置、生命状态,可实现人员位置和生命状态显示报警和存储,从而全面实现煤矿安全生产、调度通信、应急救援、安全监控与督察。
4.1 系统架构
系统分为井下设备和井上设备,如图1所示。

图1 系统组网拓扑图
井上设备包括:地面通信与监测中心控制计算机、IP调度台、数据服务器和交换机;井下设备由井下分站设备、连接光缆、井下手机、识别卡等组成。
本质安全型无线以太网移动通信终端通过无线网络与矿用多媒体通信接入网关互联;IP调度台通过以太网与网关连接;多媒体通信接入网关之间通过光纤互连组成千兆多环型或环型与链型或星型的任意组合网络;识别卡通过无线网络与矿用多媒体通信接入网关互联。数据服务器模块包括网络管理服务器、人员定位服务器和视频管理平台服务器,网络管理服务器、人员定位服务器和视频管理平台服务器均通过以太网与矿用多媒体通信接入网关连接。
IP调度台内置有SIP服务器,用以实现VoIP通话;IP调度台通过话音中继接口与公网市话系统或企业内部电话系统互联,从而实现井下人员间、井下到矿区、井下到公网的全面通话。
井上设备和井下设备均安装有不间断后备电源系统,在停电或断电环境中系统可以正常工作。系统满足井下爆炸性气体环境用电气设备安全技术要求。
4.2 分站模块部分
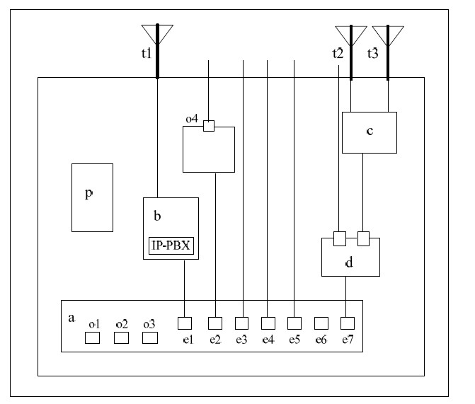
井下分站作为矿井移动通信系统的关键部分,应具有多项重要功能。因为考虑到分站的体积重量以及分站内部包括多个功能模块,不适宜做成本质安全型,因此将分站安装在隔爆壳内,做成隔爆兼本质安全型。分站应具有的功能有:工作状态指示、语音通信、IP语音交换、人员定位、串行数据接入与传输、以太网接入、Wi-Fi无线局域网接入、数据存储、组网与冗余、网络管理、远程配置和不间断工作等。分站的功能原理如图2所示。

图2 分站原理框图
矿用分站内的冗余以太网模块a通过其冗余端口o1、o2进行网关与网关之间,网关至地面的互联,组成冗余网络。冗余以太网模块a通过其电口e1连接无线接入点模块b,无线接入点模块b连接发射天线t1提供基于IEEE802.11标准的无线以太网络覆盖。冗余以太网模块a通过其电口e2连接百兆以太光收发模块oe,百兆以太光收发模块oe的光信号输入端口o4连接井下网络摄像机。冗余以太网模块a通过其电口e7连接串口服务器模块d,串口服务器模块d的一个RS485/422/232串口d2供互联井下总线等设备使用,另一个串口d1连接射频识别读卡器模块c,射频识别读卡器模块c连接发射天线t2,接收天线t3,提供无线定位网络的覆盖。IP-PBX功能模块内置于IEEE802.11无线接入点模块中,电源模块p完成交流到直流的转换,为网关工作提供电源,其包含的备份电池可在断电环境下为网关提供不间断供电。
4.3 手机模块部分
由于煤矿井下是特殊的工作环境,移动通信设备要求采用安全性能好的本质安全型防爆措施,手机必须有防爆许可证。为了保证矿井移动通信系统覆盖全矿井,须选用合适的技术方案、频率和设计合理的结构。由于煤矿井下空间狭小,矿井最大尺寸也就4m左右,因此,移动通信设备的体积不能很大,终端的天线长度不能太长。由于在矿井中,50Hz和其谐波的干扰和电机车火花所造成的干扰大,所以移动通信的工作频率选择上应考虑这些干扰源,应尽量选择高频或甚高频作为系统工作频率。手机的键盘、麦克和扬声器设计时要特别考虑其防尘、防水、防潮、防霉、耐机械冲击等性能。
本质安全型无线以太网移动通信终端满足井下爆炸性气体环境用电气设备安全技术要求,终端由以下部分组成:本质安全型数字电路、本质安全型模拟电路、本质安全型RF前端、本质安全型电池与电源管理电路、天线与外壳;话音信号通过模拟电路部分转换成数字信号,再传输到数字电路部分,并按相应的通信模式进行I/O编码输入到射频前端电路最终馈入到天线,由天线将信号向空间辐射输出;由天线接收到的信号经由射频前端解调处理后得到相应的I/O信号,再通过数字电路部分处理后,得到模拟话音电信号,最终通过模拟电路部分转换出话音信号,传递给收听者,整个电路安装在一个外壳中。
终端采用多模式处理器实现GSM与无线以太网的双模通讯,使用2.4GHz无线以太网Wi-Fi协议实现井下移动话音通信,具有定位功能。终端的中央处理器采用OMPA730处理器芯片实现。基带处理器采用TWL3016处理器芯片实现。电池采用锰酸锂材料做电池芯中采用电阻或恒流二极管串联作为保护电路。
工作流程如下:
发送时,信号经TWL3016模拟基带和OMAP730数字基带调制解调器中的MAC单元对数据进行加密和CRC校验工作。基带处理器将Tx数据从MAC中取出,生成适于RF子系统(TRF6151)传输的帧数据。帧形式的数据经过一个DAC转换为模拟信号,经基带滤波器滤波后,送到TRF6151。TRF6151对这个模拟信号进行放大,接着将这个信号上变频到900MHzor1800MHz频段,再通过RF3133功放。这个输出信号通过匹配电路与PCB上的50欧姆阻抗RF线匹配,接着使用一个平衡非平衡变压器(balun)、桥式开关(bridgeswitch)和复用器(diplexer)/低通滤波器(LPF)将这个平衡的差分信号,变换为非平衡的单端信号送到天线端。
在接收模式下,天线接收到900MHzor1800MHz的RF信号,这个单端信号经过带通滤波器(BPF)、复用器(diplexer),桥式开关(bridgeswitch),并转换成平衡的差分信号,送到TRF6151的片上低噪放(LNA)。再由TRF6151的片内的RF和IF混频器(mixer)下变频为基带信号并送到放大级进行放大。信号经过一个A/D变换器变换为数字信号,最后输入到OMAP730数字基带调制解调器和TWL3016模拟基带中完成信号的最终处理。
5 总结
本文研究设计的矿井移动通信系统,利用了Wi-Fi无线局域网技术,系统结构简单有效,便于部署与运维,符合和满足矿用特定的使用环境与安全要求,可承载目前井下环境主要的通信业务,必将有广阔的前景。
