1 智能网络水表
智能网络水表的工作原理是在普通转盘计数的水表中加装干簧管和永磁铁。双干簧管固定安装在计数转盘上方附近,永磁铁安装在计数盘(本设计0.01m3)位上,计数盘每转一圈,永磁铁经过双干簧管各一次,在信号端产生两个计量脉冲。当接收到有效计脉冲时,单片机由休眠模式转为工作模式,由微处理器执行相应的计费程序。其硬件主要包括:微处理器、脉冲采集电路、液晶显示电路、阀门控制电路、通信接口电路等。
1.1 脉冲采集电路
本设计使用了双干簧管传感器,即当检测到一个干簧管吸合时,先记录下来,再检测另一个干簧管,只有检测到另一个干簧管吸合后才认为信号有效。接线图如图1所示。

1.2 液晶显示电路及显示器
MSP430F413单片机内置一个24×4段的液晶显示驱动器。本设计中选用的液晶显示器是定制生产的字符式液晶显示器,其视屏尺寸是65mm×40mm,汉字数字协调美观。液晶显示电路及显示器如图2所示。

液晶显示器作为水表的输出接口,除了显示电磁阀门的开关状态、表内剩余金额(当余额显示为负时表示水表处于透支状态)、累积用水量、电池状态、本月累积用水量、分段(阶梯水价时,每种水价水量的吨限)显示、单价(当前水价)显示、当前日期及当前时间之外,还具有提醒用户及时充值的信息及显示错误信息的功能。如:表示强磁干扰,(注:阀门会关闭);表示欠压状态。
1.3 阀门控制电路
本设计采用小功率电机通过减速,直接驱动球阀开闭。其优点是结构相对简单,水阻小。缺点是球阀的球环加工精度要求高,使用一段时间后由于水垢或微颗粒等使转动阻力增大,设计中采用每月定时开关阀门几次来解决这一问题。阀门控制电路如图3所示。

1.4 通信接口
智能网络水表采用专用协议与集中器进行通信,集中器通过MODEM与上位机相连。RS-485相对于RS-232成本低,驱动器和接收器价格便宜,并且只需要单一的一个+5V(或者更低)的电源来产生差动输出需要的1.5V的压差。通信接口如图4所示。

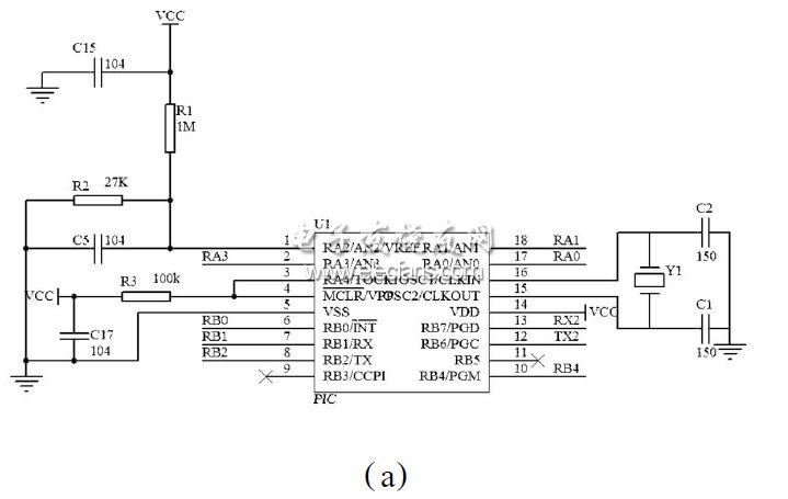
2 集中器设计
在远程集中抄表系统中,集中器起着数据中转和总线隔离的作用,负责上位机和网络水表的联系。其主要功能有两项:一是完成与水表的通信,根据系统下达的指令抄收水表的数据或检测状态,可以定时抄收也可以实时抄收;二是根据系统要求完成与上位机的通信,将水表的数据信息或状态信息传输给上位机管理系统。根据系统需求,集中器主单片机采用Microchip公司的PIC16F84芯片,其内部带有64字节的EEPROM,用来储存水表的工作参数,如用水量、状态、地址编码等。这些数据在水表工作期间可能不断变化,而又要求系统断电之后不能丢失,在系统下次加电工作时自动恢复原先的数据。现场调试一般用到安装了专用测试软件的便携机。便携机接口协议为RS-232,因此集中器电路设中需预留一个RS-232接口,采用MAX232芯片。
2.1 集中器硬件设计
集中器由主控芯片PIC16F84、上行通信接口电路、下行通信接口电路、电源电路等几部分组成。集中器硬件电路如图5所示。
1)上行通信接口电路:集中器通过上行通信接口电路和调制解调器MODEM相连,然后再通过电话网和上位机管理系统进行通信,如图5(a)所示。

2)下行通信接口电路:用来和智能网络水表进行通信,采用RS-485总线传输方式,如图5(b)所示。使用MAX485芯片和智能网络水表进行通信。

2.2 集中器软件设计
集中器的软件设计主要包括集中器主程序的设计、集中器接受命令子程序的设计、集中器向采集器发命令子程序软件的设计、集中器向PC机应答子程序的设计。集中器主程序流程图如图6所示。

2.3 上位机与集中器之间通信协议的帧格式
上位机与集中器之间通信协议的帧格式有命令帧格式和应答帧格式。通信协议的帧格式由帧头、类型码、地址码、数据码、校验码和帧尾组成,其定义如表1所示。各个部分的具体含义解释如下:

1)帧头:一帧的起始字节,代表一个新帧的开始1个字节,命令帧固定为1AH,应答帧固定为ICH.
2)类型码:1个字节,命令帧类型码用来规定上位机管理系统下达指令的具体内容,不同的内容对应不同的类型码。集中器执行相应指令后上传相应的应答帧类型码,不同的内容对应不同的类型码,命令帧和应答帧类型码如表2所示。

3)地址码:8个字节,本地址码依次为集中器号(4个字节),智能网络水表号(4个字节)。
规定前4个字节全F代表所有集中器,后4个字节全F代表所有智能网络水表。
4)数据码:2~10个字节,包括设置集中器和水表的号码、设置集中器的密码、设置的时间、水表的状态、水表上传的数据等。
5)校验码:1个字节,本设计采用累加和校验,对帧头、类型码、地址码和数据域进行字节累加,结果取1个字节。集中器接收到指令后,对指令的相应字节进行累加,然后再与校验字相比较。
6)帧尾:表示一帧的结束字节,命令帧固定为IBH;应答帧固定为DH.
3 总线直读式网络结构
本设计采用总线直读式网络结构中典型的联网管理方式,如图7所示。即采集器到集中器的连接方式和局域网管理方式。将若干集中器集中起来连结到广域网接入器,再通过电话线与异地或远距离的PC机进行通信。1台计算机最多可以管理128个集中器,1个集中器可以管理255个采集器。这样系统更简单、成本更低。

4 上位机管理系统设计
主站是远程集中抄表系统的数据处理中心,处于系统的最高层次。在集中器、网络水表协助下通过网络接口负责完成设备管理、用户管理、水量的抄收以及报表打印等功能,远传水表管理系统。根据SQLSever的数据库体系结构和自动抄表管理软件系统的数据内容,得出如图8所示的Autometer数据结构图。

水表远程抄表系统上位机管理软件系统的功能主要有:
1)自动抄表:能够实时、定时、自动地抄录前端水表的读数,随时了解住户的使用情况,便于计量和收费的自动管理。
2)预置参数和通讯测试:能够对某一块智能表预先设置参数,如水表读数、状态、编号等,也能够对所有的水表预先设置读数值;能够自动测试系统计算机与前端任何一个住户采集器之间的通讯是否正常。
3)住户信息管理:能够查询所有住户的信息,能够对相应的住户信息进行添加、修改、删除、统计等操作。
4)收费信息管理:能够查询所有住户的用水信息,包括住户的历史用水量、当月用水量,价格可以设置为一定价,或者阶梯水价,并自动计算出应缴水费,同时记录交费信息,还能够对相应的收费信息进行添加、修改、删除等。
5)自动报表生成:能够根据住户当月用水情况,自动生成住户当月报表,并打印相关单据。
6)系统用户分级管理:对软件系统的用户实行分级管理,分别赋予3种不同权限。即一般用户只有查询信息的权限,一般管理员除了查询信息的权限外还有部分抄表管理和通信管理的权限。只有系统管理员才具有系统管理、信息管理、抄表管理和通信管理等全部权限。
鉴于篇幅,这里只列出实现增加一个用户时的主要代码。

5 结语
本远程抄表系统已被某自来水公司采用,并在该自来水公司所在城市的3个小区内使用。整个系统施工简便、维护简单、功耗低,运用了专用通信协议,有效降低了系统通信电流强度。此外,采用多点间歇的脉冲形式进行数据采集,持续时间非常短(仅为25ms)。当数据发送完毕后,又恢复到休眠状态,静态功耗极低。本系统有着广泛的市场应用空间,发展潜力较大。随着无线通信技术的发展,无线抄表系统将是未来自动抄表系统发展的必然趋势。
