1 引言
传统的EMC的补救办法只能增加额外的元器件,而增加元件有可能影响原始的控制环带宽,造成重新设计整个系统的最坏情况,增加了设计成本。为了避免出现这样的情况,需要在设计过程中考虑EMC的问题,对开关电源的EMI进行一定精度的分析和预测,并根据干扰产生的机理及其在各频带的分布情况改进设计,降低EMI水平,从而降低设计成本。
2 开关电源EMI特点及分类
对开关电源传导电磁干扰进行预测,首先需要明确其产生机理以及噪声源的各项特性。由于功率开关管的高速开关动作,其电压和电流变化率都很高,上升沿和下降沿包含了丰富的高次谐波,所以产生的电磁干扰强度大;开关电源的电磁干扰主要集中在二极管、功率开关器件以及与其相连的散热器和高频变压器附近;由于开关管的开关频率从几十kHz到几MHz,所以开关电源的干扰形式主要是传导干扰和近场干扰。其中,传导干扰会通过噪声传播路径注入电网,干扰接入电网的其他设备。
开关电源传导干扰分为2大类。
1)差模(DM)干扰。DM噪声主要由di/dt引起,通过寄生电感,电阻在火线和零线之间的回路中传播,在两根线之间产生电流Idm,不与地线构成回路。
2)共模(CM)干扰。CM噪声主要由dv/dt引起,通过PCB的杂散电容在两条电源线与地的回路中传播,干扰侵入线路和地之间,干扰电流在两条线上各流过二分之一,以地为公共回路;在实际电路中由于线路阻抗不平衡,使共模信号干扰会转化为不易消除的串扰干扰。
3 开关电源EMI的仿真分析
从理论上来讲,无论是时域仿真还是频域仿真,只要建立了合理的分析模型,其仿真结果都能正确反映系统的EMI量化程度。
时域仿真方法需要建立变换器中包含所有元件参数的电路模型,利用PSPICE或Saber软件进行仿真分析,使用快速傅里叶分析工具得到EMI的频谱波形,这种方法在DM噪声的分析中已经得到了验证。然而开关电源中的非线性元件如MOSFET,IGBT等开云棋牌官网在线客服器件,其非线性特性和杂散参数使模型非常复杂,同时开关电源电路工作时其电路拓扑结构不断改变,导致了仿真中出现不收敛的问题。在研究CM噪声时,必须包含所有的寄生元件参数,由于寄生参数的影响,FFT结果和实验结果很难吻合;开关功率变换器通常工作在很大的时间常数范围内,主要包括3组时间常数:与输出端的基本频率有关的时间常数(几十ms);与开关元件的开关频率有关的时间常数(几十μs);与开关元件导通或关断时的上升时间和下降时间有关的时间常数(几ns)。
正因如此,在时域仿真中,必须使用非常小的计算步长,并且需要用很长时间才能完成计算;另外,时域方法得到的结果往往不能清晰地分析电路中各个变量对干扰的影响,不能深层解释开关电源的EMI行为,而且缺乏对EMI机理的判断,不能为降低EMI给出明确的解决方案。
频域仿真是基于噪声源和传播途径阻抗模型基础上的分析方法。利用LISN为噪声源提供标准负载阻抗。如图1所示,从LISN看过去,整个系统可以简化成噪声源、噪声路径和噪声接收器(LISN)。频域方法可以大大降低仿真计算的时间,一般不会出现计算结果不收敛的情况。

图1 噪声源与传播路径概念
图1中,噪声路径包括PCB传导、耦合路径,散热片电容耦合路径,变压器耦合路径等。
4 基于频域方法的SMPS等效电路模型
对开关电源进行频域仿真,首先要建立开关电源的频域仿真模型。开关电源EMI频域预测的重点是对噪声路径的建模,其中包括:无源器件的高频模型;PCB及结构寄生参数的抽取。
在考虑无源器件、PCB及结构寄生参数的基础上,建立开关电源集中参数的电路模型,可以通过计算或仿真得到该电路的阻抗,谐振点等,从而为降低EMI提供有力的依据。
由于差模噪声和共模噪声的传播路径不同,有必要对DM传播路径和CM传播路径分别建模。这样可以更好地分析各种干扰的特点,而且还可以为设计滤波器提供有力的依据。
4.1 噪声源的模型建立
由于需要分别对DM 噪声和CM 噪声进行分析,所以对DM 噪声源和CM 噪声源也需要分别建模。M.Nave在文献[3]中提出使用电流源作为DM 噪声源,使用电压源作为CM 噪声源的方法,就是因为DM 噪声主要由di/dt引起,而CM 噪声则主要由dv/dt引起。文献[4]在此基础上对CM 噪声源进行了改进,考虑了电压过冲和下冲,并且在线路阻抗近似平衡的情况下,利用DM 电流源和一个电压源来表示CM 噪声源(如图2所示)。

图2 共模噪声源的表示
文献基本都是用梯形波来表示噪声源的,但实际中并不是每个电路中的开关器件的波形都能很好地用梯形波近似,图3所示即为一个反激电源开关管的电流电压波形,除了梯形波之外,还有电流尖峰,电压过冲和下冲等分量,会导致噪声源的频谱与梯形波有一定的不同。所以不能盲目地使用梯形波来表征噪声源,而是需要对电路进行分析或者仿真,从而得到开关器件的电流或电压波形,基于此波形再对噪声源进行建模,这样才能更精确地反映开关电源的电磁干扰。

图3 某反激电源开关管的电流电压波形
4.2 无源器件的高频模型
在EMI的频率范围内,常用的无源器件都不能再被认为是理想的,他们的寄生参数严重影响着其高频特性。
在各种无源器件中,电阻、电感和电容的高频等效寄生参数可以用高频阻抗分析仪测得。表1所示为各种无源器件的理想模型和高频等效模型。
表1 电阻、电容、电感及变压器的高频等效模型

对于高频变压器,提出可以使用有限元分析方法和实验测量法求取,从而可以得到漏感、原副边自电容和原副边互电容这些引起电路震荡、增加传导EMI的主要参数。使用ansoft公司的Maxwell仿真软件,可以通过输入变压器的绕组和磁芯的几何尺寸与电磁参数,利用有限元分析的方法得到各寄生参数。实验测量法的总体思路就是在所建立模型的基础上,推导出变压器在不同工作状态下的阻抗特性(如原副边绕组开路,短路的不同组合)方程,然后测量这些状态下的阻抗,从而得到漏感和寄生电容。
4.3 PCB及结构寄生参数的提取
除了元器件选取、电路及其结构设计,PCB的布局、布线设计、线路板加工对电磁兼容会造成很大影响,是一个非常重要的设计环节。由于开关电源的PCB布线基本上都是依据经验手工布置,有很大的随意性,这就增加了PCB分布参数提取的难度。PCB的寄生参数会造成开关电源噪声传播途径的阻抗变化,影响控制器对开关电源输出电压电流的控制作用。PCB的布局不合理还会形成开关电源向外辐射电磁干扰的途径,同时也会通过该途径吸收外界电磁干扰,从而降低开关电源的电磁干扰抗扰度。所以PCB的布局布线是开关电源EMC设计中极为重要的环节。
对于传导干扰,寄生参数的提取精确度是通过仿真有效预测EMI水平的关键。尽管对于结构简单的元件来说,寄生参数是很容易计算的,但是对于复杂结构中的元件来说,并不是那么容易就能得到寄生参数,例如多层板和直流母线的寄生参数。
为了建立开关电源PCB的高频模型,需要对PCB的结构寄生参数进行抽取。提取PCB寄生参数的方法有很多,其中TDR(时域反射)方法可以在不知道实际几何形状的情况下对寄生电感和寄生电容进行提取,但是TDR(时域反射)方法需要时域反射仪,用于样机建成后,这就使开发成本大大增加,而且TDR方法不能寻找到复杂结构中的耦合效应;然而FEA(有限元分析)方法则可以克服这一缺点,用于样机建成前。利用FEA工具可以准确地得到PCB的寄生参数,并能考虑复杂几何结构的耦合情况。
有很多对PCB结构进行寄生参数抽取软件,如InCa,SIwave,Q3D等,分别用不同的方法对PCB的寄生参数进行计算和提取,如部分元等效电路方法、有限元分析方法、有限元分析方法和矩量法结合的方法等。其中InCa软件只能计算分布电感,不适合计算分布电容,不宜处理共模干扰的仿真分析;SIwave软件提取出来的是电路的S参数,不能清晰地反映PCB中的耦合情况及其对开关电源EMI的影响;Q3D 软件利用FEA 和MOM结合的方法求解电磁场,可以得到PEEC部分元等效电路,也可以得到PCB上各导体的互感互容,可以清晰地分析各种情况下PCB结构对开关电源EMI的影响。
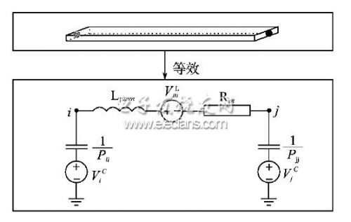
J.Ekman提出了基于寄生参数矩阵的等效电路的建立方法,即把所有互感、互容等效成受控的电压源,与自感、自容连接(相当于把所有互感、互容对电路的影响等效到受控电压源上),从而建立等效电路模型。图4所示为任意两个节点间的等效电路模型。

图4 任意两节点间的等效电路模型
图4中:

式中:Lpmn为m和n两导线间的互感。
虽然这样可以提高仿真的准确性,但是加大了分析的计算量,可以通过忽略一些对结果影响不是很大的互感、互容,减少计算量。
散热片与开关管之间会有电容效应,噪声可以通过该效应在电路和地之间进行传播,文献【9】对散热片在开关电源传导和辐射干扰中的影响作了详细的阐述。
还有其他的在空间通过电感或电容耦合传到接收器的噪声,不可以忽略。
模型建立之后,就可以使用仿真软件对开关电源EMI进行仿真,得到开关电源传导EMI的频谱波形,通过分析波形可以定位开关电源EMI的问题所在,进而通过解决该问题而降低EMI。
5 降低EMI的设计方法及策略
降低开关电源EMI,需要从噪声源和传播路径入手。首先,对于噪声源,可以通过加吸收电路,减小di/dt和dv/dt来降低其EMI水平,但是这样一来,开关电源的效率将会受到影响,需要对这两者进行一定的取舍。
然后是对传播路径进行改进。改进的目的是要使传播路径对于干扰的阻抗增大,阻断其向接收器的传播,而对于电网提供的功率,阻抗要小,从而增加开关电源的工作效率。
选取元件时需要尽量选取寄生参数影响小的元件,比如电容的ESR和ESL要尽量小,电感的寄生电容要小等。在PCB以及散热片的位置等设计过程中,也要尽可能增大对干扰传播路径的阻抗,使噪声尽可能少的通过PCB路径传导到接收器。
如果以上所有降低EMI的措施都完成了还没有达到EMC的标准,就可以根据前面仿真分析得到的差模和共模干扰的波形对滤波器进行设计。在设计滤波器的时候,也同样要注意元件的布局,还有PCB寄生参数对滤波器阻抗的影响,其本质也是增大对干扰的阻抗,使干扰无法通过传播路径。开关电源设计流程如图5所示。

图5 开关电源设计流程
6 结论
综上所述,目前对于开关电源传导干扰的预测方法有时域方法和频域方法两种,由于时域方法需要使用很小的计算步长,需要花费很长的计算时间,容易出现仿真结果不收敛的问题。同时,时域仿真得到的结果往往不能清晰地分析电路中各个变量对干扰的影响。而频域仿真物理意义清晰,更容易判断各参数对EMI的影响,能够为降低EMI提供有力依据,关键问题是建立合理的干扰源和传播途径的频域模型。
