LCD电视应用中可以采用多种架构产生驱动CCFL所需的交流波形,驱动多个CCFL时所要面对的三个关键的设计挑战是选择最佳的驱动架构、多灯驱动、灯频和脉冲调光频率控制。本文对四种常用驱动架构进行了对比分析,并提出多灯设计中解决亮度不均以及驱动频率可能干扰画面等问题的方法,并提出基于DS3984/DS3988的电路方案。

图1:Royer驱动器简单,但不太精确
液晶显示器(LCD)正成为电视的主流显示技术。LCD面板实际上是电子控制的光阀,需要靠背光源产生可视的影像,LCD电视通常用冷阴极萤光灯提供光源。其他背光技术,例如发光二极体也受到一定的重视,但由於成本过高限制了它的应用。
由於LCD电视是消费品,压倒一切的设计考虑是成本─当然必须满足最低限度的性能要求。驱动背光灯的CCFL转换器不能明显缩短灯的寿命。此外,由於要用高压驱动,安全性也是一个必须考虑的因素。LCD电视应用中,驱动多个CCFL时所要面对的三个关键的设计挑战是:挑选最佳的驱动架构;多灯驱动;灯频和脉冲调光频率的严格控制。

图2:全桥驱动器很适合於大范围的直流电源
1 挑选最佳的驱动架构
可以用多种架构产生驱动CCFL所需的交流波形,包括Royer(自振荡,self-oscillating)、半桥、全桥和推挽。表1详细归纳了这四种架构各自的优缺点。

1.1 Royer架构
Royer架构(图1)的最佳应用是在不需要严格控制灯频和亮度的设计中。由於Royer架构是自振荡设计,受元件参数偏差的影响,很难严格控制灯频和灯电流,而这两者都会直接影响灯的亮度。因此,Royer架构很少用於LCD电视,尽管它是本文所述四种架构中最廉价的。
1.2 全桥架构
全桥架构最适合於直流电源电压非常宽的应用(图2),这就是几乎所有笔记本PC都采用全桥方式的原因。在笔记本中,转换器的直流电源直接来自系统的主直流电源,其变化范围通常在7V(低电池电压)至21V(交流配接器)。有些全桥方案要求采用p通道MOSFET,比n通道MOSFET更贵。另外,由於固有的高导通电阻,p通道MOSFET的效率更低。
1.3 半桥架构

图3:半桥驱动器比全桥驱动器少用两个MOSFET
相较全桥,半桥架构最大的好处是每个通道少用了两只MOSFET(图3)。但是,它需要更高匝比的变压器,这会增加变压器的成本。还有,如同全桥架构一样,半桥架构也可能会用到p通道MOSFET。
1.4 推挽架构
推挽驱动器有很多好处:这种架构只用到n通道MOSFET(图4),这有利於降低成本和增加转换器效率;它很容易适应较高的转换器直流电源电压;采用更高的转换器直流电源电压时,只需选择具有合适的漏-源击穿电压的MOSFET即可。不管转换器的直流电源电压如何,都可采用同样的CCFL控制器。但采用n通道MOSFET的全桥和半桥架构就无法做到这一点。
推挽架构最大的缺点是要求转换器直流电源电压的范围小於2:1。否则,当直流电源电压处於高阶时,由於交流波形的高振幅因子,系统的效率会降低。这使推挽架构不适用於笔记型电脑,但对於LCD电视非常理想,因为转换器直流电源电压通常会稳定在±20%以内。

图4:推挽驱动器非常简单,还可精确控制2 多灯驱动
CCFL已在笔记型电脑、数位相机、导航系统以及其他具有较小LCD萤幕的设备中使用多年。这些类型的设备通常只用一个CCFL,因此,传统设计只用一个CCFL控制器。随着大尺寸LCD面板的出现,带来对多CCFL的需求,有必要采用新的方式来应对这种新的需求。可能的方式之一是采用一个单通道CCFL控制器来驱动多个灯(图5)。这种方式中,CCFL控制器只透过其中的一个灯来监测灯电流,而以几乎相同的交流波形同时驱动所有并联的灯。然而,这种方式存在着几个缺陷。

图5:由於亮度不均匀以及其他的一些考虑,用一个单通道CCFL控制器控制多个灯不太理想
使显示器不会出现明显的亮区和暗区。用相同的波形驱动所有灯,由於灯阻抗的差异,会造成亮度不均匀。而且,CCFL的亮度随温度而变。由於热气上升,面板顶部的灯会比面板底部的灯热,这也会造成亮度不均匀。
用一个单通道CCFL控制器驱动多个灯的第二个缺点是,单灯的失效(例如破损)会造成所有灯关闭。第三个缺点,由於是并联驱动所有灯,同时打开和关闭这些灯,这就要求转换器直流电源必须采用更大的电容器增强去耦效果,这会增加转换器的成本和尺寸。
解决上述诸问题的一条途径就是每个灯用一个单独的CCFL控制器。然而,这种方式的主要缺点就是增加的CCFL控制器带来了额外的成本。
为LCD面板提供背光的理想方案是多通道CCFL控制器,它的每个通道独立驱动和监测每个灯。这种多通道CCFL控制器既解决了亮度不均匀和单灯失效问题,并降低了去耦要求,而且还具有高成本效益。

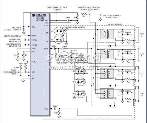
图6:DS3984/DS3988单独驱动和监视每个灯,为LCD电视和PC监视器提供均匀亮度
3 对灯和脉冲调光的严格控制
由於LCD电视需要显示动态且连续行动的画面,它有一些在静态显示应用(例如电脑监视器和笔记型电脑)中所没有的特殊要求。CCFL的驱动频率可能会干扰LCD萤幕上显示的画面。如果灯频接近视讯刷新频率的某个倍频,就会在萤幕上出现缓慢行动的线或带。通过严格控制灯频在±5%以内,可以消除这种问题。
用於调节灯亮度的脉冲调光频率也要求同样的严格控制。这种调光方式通常是采用30Hz至200Hz频率范围的脉宽调变(PWM)讯号,在短时间内将灯关闭,达到调光目的。由於关闭时间很短,不足以使电离态消失。如果脉冲调光频率接近垂直同步频率的倍频,也会产生滚动线。同样,将脉冲调光频率严格控制在±5%以内就可以消除这个问题。另外,在有些LCD电视中,为了改善LCD萤幕的影像响应,还要求缓慢的CCFL脉冲调光频率与视讯垂直同步频率同步起来。

图7:DS3984/DS3988的每个通道也可驱动多个灯
4 解决LCD电视背光挑战的方案
DS3984(四通道)和DS3988(八通道)CCFL控制器解决了本文所提到的所有这些设计挑战。可将这些元件配置为每个通道驱动一个灯(图6),或者每通道多个灯(图7),用户可灵活裁减设计,以满足自己的性价比目标。多个DS3984/DS3988可轻松串联,以支援任意数量的灯来为LCD电视萤幕提供背光。
DS3984/DS3988采用推挽驱动架构,可以使用更低成本、更高效率的n通道MOSFET。转换器直流电源电压也可采用更高的电压。单独的灯控制和监测可提供均匀的亮度,并减少转换器的元件总数。采用单独的灯控制时,如果某一个灯失效,仅会使这个失效的灯停止工作,其他灯继续工作,并不会受影响。片上振荡器产生的灯频和脉冲调光频率被严格限定在±5%水准,消除了对於显示影像的影响,并且也可被同步至外部时脉源。
5 冷阴极萤光灯
冷阴极萤光灯(CCFL)是一种长而细的密封玻璃管,内充惰性气体。当给灯管施加高电压时,气体被电离,产生紫外线(UV)。紫外线打到内壁涂敷的萤光材料上使其激发,发出可见光。
CCFL有许多优点,包括:它是优良的白光源;低成本;高效率(光输出与输入电功率之比);长寿命(>25千时);稳定、确定的工作状态;容易调节亮度;重量轻。
CCFL有一些特殊性能,必须仔细考虑以最大化其效率、寿命和实用性。然而,这些特性带来了一些特殊的设计挑战。例如,为了最大化灯管的寿命,需要采用交流波形驱动CCFL。任何直流成分会使一部份气体聚集在灯管的一端,造成不可逆转的光梯度,使灯管的一端比另一端更亮。此外,为了最大化其效率(光输出与输入电功率之比),需要用接近正弦的波形驱动灯管。因此,CCFL通常需要一个直流-交流转换器来将直流电源电压变成40kHz至80kHz的交流波形,工作电压通常在500VRMS至1000VRMS。
在LCD个电视中的灯等间隔地分布在整个LCD背板上,以提供最佳的光分布。重要的是,所有灯要工作在相同的亮度下。尽管在CCFL灯管和LCD面板之间安排有散光器,可协助均匀分布背光,不均匀的灯管亮度仍然很容易被察觉,并影响电视的影像品质。因LCD面板尺寸而异,用到的CCFL灯数量可能会多达30甚至40个。
