摘要:光DQPSK技术具有很高的频谱效率,近似恒定包络等优点,对光纤中的色散和各类非线性效应有很强的容忍能力。本文简单介绍了光DQPSK调制格式的基本原理,并指出了其应用前景。
引言
光DQPSK(differential quadrature phase shift keying,差分正交相移键控)调制格式是近年来光传输技术特别是40Gbps以上光传输技术的一个热点,其作为一种新型光纤通信系统的调制格式,最早由R.A Griffin在OFC2002上提出[1]。
光DQPSK在调制强度上近似恒定的包络,对非线性效应有良好的抵御力。与OOK(On-Off keying,开关键控)、DPSK(differential phase shift keying ,差分相移键控)等二进制调制格式相比,光DQPSK调制具有非常窄的频谱宽度和较高的频谱利用率;作为四相位调制格式,在相同的信息速率下,DQPSK的码元速率仅为二进制信号的一半,即20Gbps的码元速率就可以实现40Gbps的信息传输速率;DQPSK还具有较大的色散容限、PMD(Polarization Mode Dispersion,偏振模色散)容限和较大的非线性容限。同时,DQPSK还具有与DPSK调制相同的使用平衡接收机,相比OOK调制能提高3dB的接收灵敏度[2]。
DQPSK的调制原理
DQPSK是四相调制格式,即用四种不同的相位来表征数字信息,将信息编码于连续的光比特差分相位中,每一个差分相位代表一个二进制的码元信息。在这种情况下,接收机必须探测相位改变的相对值,因此不需要使用同步方式进行接收。假设输入光载波信号为,则可以表示为:
(1)
其中,是电域矢量,是极化单位矢量,A是振幅,是载波频率,是相位。DQPSK是将信息编码于连续光比特的差分相位中,用来表示,可取(0,,,)中的一个值。由于采用了差分编码方式,能够有效避免因接收机相位反转导致的解码失败。在本文中的定义如下式(2)所示:
(2)
DQPSK发射机
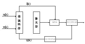
一个DQPSK发射机包括一个DQPSK调制器,两个调制驱动器和一个预编码器。输入光载波信号(u(k),v(k))经过预编码器后变成(I(k),Q(k)),其中I(k)为同相部分,Q(k)为正交部分,如下图所示:

图1 DQPSK发射机
DQPSK发射机结构如上图1所示,原始数据u(k)和v(k)经过预编码后产生I(k)和Q(k)两路信号,它们将分别作为两个MZM的驱动信号,激光器产生的激光通过3dB光功率分离器后分别进入到两个MZM调制器中进行相位调制,其中一个支路调制后的光信号要进行的相移,然后通过光功率耦合器与另一支路的光信号耦合,即通过并联MZM的方法实现了光DQPSK调制。
上面讲述的是将两个MZM并联起来进行调制的情况,还有一种是用MZM串联进行DQPSK调制的情况。如下图2所示,串联的调制方式由一个MZM和一个相位调制器组成。MZM对光信号进行调制,MZM的偏置设在零点,驱动电压的幅度为。当I路为0时,输出光信号为0,当I路为1时,输出光信号的相位为π。Q信号经过电延时补偿器后,接入到相位调制器,当Q为0时相位调制器输出的相位为0,当Q为1时,输出地相位为π/2[3]。

图2 DQPSK的串联MZM发射端
预编码
光DQPSK系统中所传输的信号要先进行预编码以确保差分解调时它能被准确地探测。不同的调制方式应采取不同的预编码,并联调制方式中采用的预编码方式为用两列同速率的伪随机序列码u(k)和v(k)作为输入信号,按照以下编码规则来对其进行预编码。
(3)
(3)式中,u(k)和v(k)为最初输入的两列伪随机序列码,I(k)和Q(k)为编码后的信号。一般地,I(k)和Q(k)同输入信号u(k)和v(k)一样,都是由0和1组成的序列,它们的组合也如同u(k)和v(k)的组合,有4种情况:(00,01,10,11),它们分别对应相位,属于[π/4,3π/4,5π/4,7π/4]或[0,π/2,π,3π/2],并且与原始输入的两列伪随机序列存在对应关系见式(2)。
DQPSK接收机
DQPSK的接收机较为复杂,采用平衡接收方法。如下图3所示,DQPSK的解调需要两个MZI才能解调出信号。上路干涉仪没有延时的支路有的相移,下路的干涉仪没有延时的支路有的相移。MZI中的延时时间τ均为比特周期的两倍,对于每一个MZI的输出再分别进行平衡检测。而且,发射机和马赫-曾德尔干涉仪都对波长有严格的要求,因为每一个马赫-曾德尔干涉仪必须紧密地反馈控制以锁定发射机的波长[4]。

图3 DQPSK的接收端
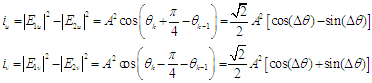
在接收端,如忽略干涉仪的相位噪声,并经过光带通滤波器后得到的信号表示为,则可以得到两个干涉仪的高输出端口和低输出端口的幅度值分别为:
(4)
两支路平衡光电探测器的差分电流可以表示为:
(5)
因此,这样就存在四种状态,对应于四种比特组合,见表1,这样就解调出了u和v。
表1 解调关系表

DQPSK的应用前景
DQPSK具有非常优异的性能,尤其具有很高的频谱效率,同时DQPSK近似恒定包络的性质,因而对光纤中的色散和各类非线性效应有很强的容忍能力,使其在高速DWDM系统中有着广泛的应用前景。
能够实现低成本
DQPSK的发射结构和接收结构相当于一个光域上的复用和解复用过程,因此可以将两个低速率的信号在光域上合成一个两倍速率的信号,这样使电驱动元件只需要传输一半的带宽即可,这样能够有效地提高传输效率,并且能通过使用低速电驱动元件来降低成本。
能够抑制光纤非线性效应
实验证明RZ-DQPSK调制比纯RZ调制对克尔非线性效应的容限要高3dB,对色散和PMD的容限也要高一些[5]。
DQPSK的性能很好,主要是因为在相同速率情况下,DQPSK的脉冲宽度是DPSK的脉冲宽度的一倍,具有非常窄的频谱宽度。但DQPSK的发射和接收都非常复杂,不但需要两个平衡接收机,还需要一个高速的电预编码,这些都会让DQPSK的成本居高不下,传输性能也会因为复杂的发射和接收机结构而受到严重的影响。
总结
本文介绍了光DQPSK的原理,详细介绍了发射,预编码和接收原理和方法,并且介绍了其应用前景。DQPSK作为一种在光通信领域的新型调制格式,具有很高的研究价值,尤其是它所能提供的高频谱利用率以及高的色散和非线性容限,使其能来未来的高速光通信中发挥重要的作用。
